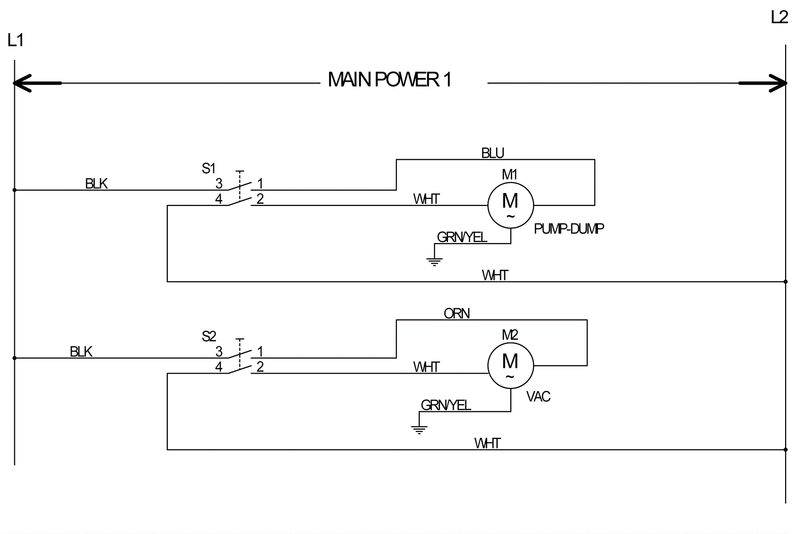
Single Cord Ladder Assembly
Click to enlarge