| # | Part | Description | Price | Req | Notes | Availability |
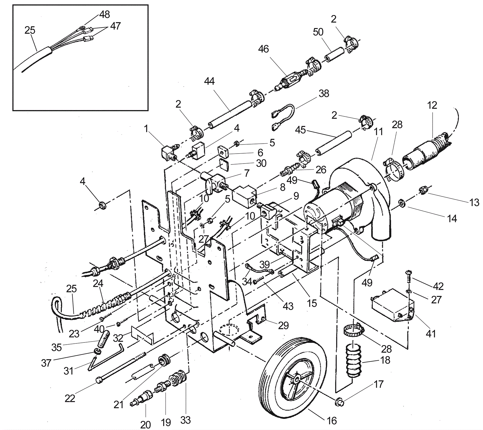
1 |
170-1297
|
3/8 elbow (OBSOLETE) |
$9.13
|
1 |
|
usually ships 13-18 days |
4 |
170-3763
|
Circuit breaker 2.5A, brush 115 volt (OBSOLETE) |
$26.40
|
1 |
|
usually ships 1-5 days |
5 |
999-0460
|
Nut 10-32 hex |
$0.99
|
3 |
|
ships same day |
6 |
170-6016
|
Rectifier |
$70.94
|
1 |
|
usually ships 1-5 days |
7 |
170-3760
|
Plug valve |
$67.11
|
1 |
|
usually ships 1-5 days |
8 |
209-0610
|
1/4 inch tee brass |
$12.89
|
1 |
|
ships same day |
9 |
160-0054
|
45 degree elbow fitting |
$12.89
|
1 |
|
usually ships 13-18 days |
10 |
170-0294
|
Nut 1/2 conduit lock |
$12.89
|
2 |
|
usually ships 13-18 days |
11a |
170-3336
|
Vac motor 120V (OBSOLETE) |
$359.92
|
1 |
|
usually ships 1-5 days |
11b |
170-1490
|
Carbon brush assembly |
$14.47
|
1 |
|
usually ships 1-5 days |
12 |
170-4672
|
Squeegee vacuum hose (OBSOLETE) |
$98.01
|
1 |
|
usually ships 1-5 days |
13 |
999-0152
|
Nut 1/4-20 nylon insert lock zinc plated |
$0.99
|
3 |
|
ships same day |
14 |
999-0335
|
Washer 1/4 x 5/8 SAE flat stainless steel |
$0.99
|
3 |
|
ships same day |
15 |
170-4673
|
Vacuum motor spacer (OBSOLETE) |
$8.80
|
3 |
|
usually ships 1-5 days |
16 |
170-4674
|
8 Inch wheel (OBSOLETE) |
$28.51
|
2 |
|
usually ships 1-5 days |
17 |
170-6076
|
Pal nut |
$11.35
|
2 |
|
usually ships 13-18 days |
18 |
170-8113
|
Dual hose |
$10.52
|
1 |
|
usually ships 1-5 days |
19 |
170-6055
|
Reducer |
$22.61
|
1 |
|
usually ships 1-5 days |
20 |
991-8149
|
1/8 inch male quick disconnect |
$10.00
|
1 |
|
ships same day |
21 |
170-0496
|
Bushing |
$10.23
|
1 |
|
usually ships 1-5 days |
22 |
170-4676
|
Screw 1/4 - 20 x 5 |
$10.52
|
3 |
|
usually ships 1-5 days |
23 |
170-4677
|
Screw 10-32 x 3/4 (OBSOLETE) |
$5.50
|
1 |
|
usually ships 1-5 days |
24 |
164-4502
|
Strain relief |
$17.38
|
1 |
|
usually ships 19-25 days |
25 |
170-6012
|
14/3 power cord 35 foot |
$204.60
|
1 |
|
usually ships 13-18 days |
26 |
170-6051
|
Hosebarb (OBSOLETE) |
$8.25
|
1 |
|
usually ships 13-18 days |
27 |
999-0311
|
Washer #10 external star lock zinc plated |
$0.99
|
4 |
|
ships same day |
28 |
997-2007
|
Hose clamp |
$2.07
|
2 |
|
ships same day |
29 |
170-4678
|
Weldment frame (OBSOLETE) |
$188.22
|
1 |
|
usually ships 1-5 days |
30 |
170-6011
|
Ground symbol decal |
$3.87
|
1 |
|
usually ships 1-5 days |
31 |
170-4679
|
Brush height rod (OBSOLETE) |
$106.55
|
1 |
|
usually ships 1-5 days |
32 |
170-4680
|
Accessory label (OBSOLETE) |
$15.97
|
1 |
|
usually ships 1-5 days |
33 |
170-6073
|
Washer stainless steel |
$9.27
|
3 |
|
usually ships 13-18 days |
35 |
170-4681
|
Brush height rod cover (OBSOLETE) |
$7.65
|
1 |
|
usually ships 1-5 days |
36 |
170-6058
|
Nylon hosebarb |
$14.41
|
1 |
|
usually ships 13-18 days |
37 |
170-4682
|
Washer |
$10.52
|
1 |
|
usually ships 1-5 days |
38 |
170-4683
|
Main power wire (OBSOLETE) |
$8.91
|
1 |
|
usually ships 1-5 days |
39 |
170-8226
|
Filter bracket (OBSOLETE) |
$17.47
|
1 |
|
usually ships 1-5 days |
41 |
170-3826
|
Filter (OBSOLETE) |
$470.45
|
1 |
|
usually ships 1-5 days |
42 |
999-0663
|
Screw 10-24 x 3/8 pan head phillips thread cutting |
$0.99
|
2 |
|
ships same day |
43 |
154-3951
|
Screw #10 x 3/8 inch |
$1.21
|
1 |
|
usually ships 12-15 days |
44 |
170-4684
|
Solution hose (OBSOLETE) |
$7.52
|
1 |
|
usually ships 1-5 days |
45 |
170-6064
|
14 inch solution hose |
$9.13
|
1 |
|
usually ships 1-5 days |
46 |
170-4685
|
Solution valve check |
$96.51
|
1 |
|
usually ships 1-5 days |
47 |
170-6013
|
1/4 terminal |
$2.42
|
2 |
|
usually ships 1-5 days |
48 |
170-6014
|
Terminal clip |
$1.21
|
1 |
|
usually ships 12-15 days |
49 |
170-6081
|
1/4 terminal |
$3.28
|
1 |
|
usually ships 1-5 days |
50 |
170-6057
|
4 1/2 inch discharge and intake hose (OBSOLETE) |
$19.58
|
1 |
|
usually ships 13-18 days |
51 |
170-8227
|
Power supply cord (OBSOLETE) |
$70.84
|
1 |
|
usually ships 1-5 days |