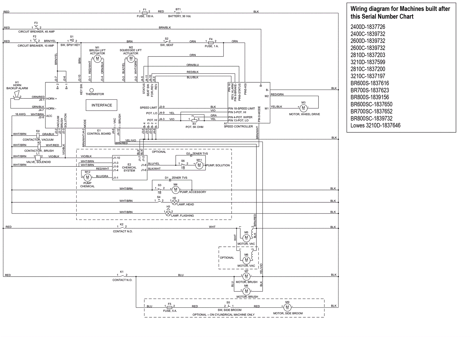
Wiring Diagram- After SN
Click to enlarge