| # | Part | Description | Price | Req | Notes | Availability |
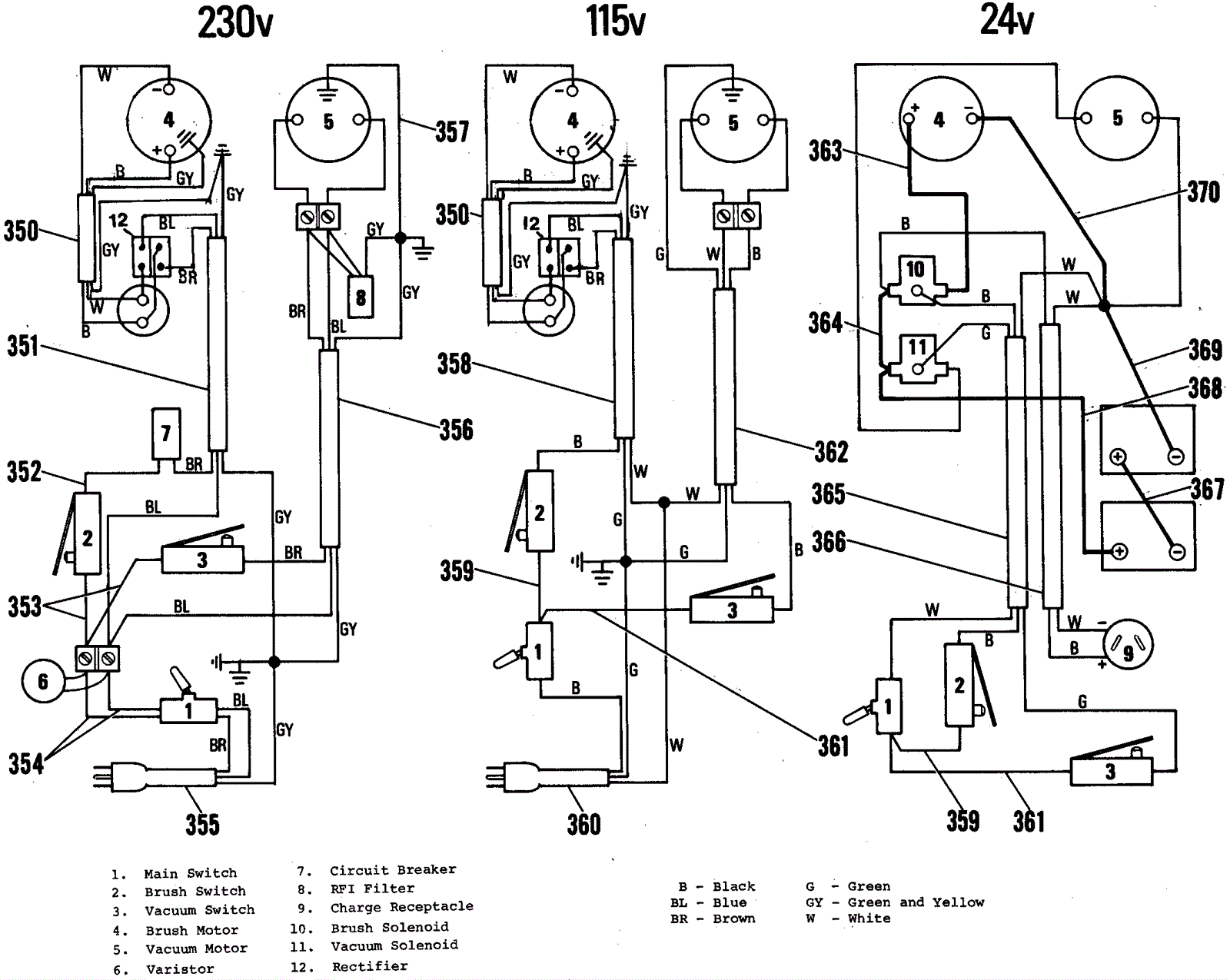
350 |
372-3551
|
Cable assembly (OBSOLETE) |
Call for price
|
1 |
(230V and 115V) |
usually ships 13-18 days |
351 |
372-3552
|
Cable assembly (OBSOLETE) |
Call for price
|
1 |
(230V) |
usually ships 13-18 days |
352 |
372-3553
|
Cable assembly (OBSOLETE) |
Call for price
|
1 |
(230V) |
usually ships 13-18 days |
353 |
372-3554
|
Cable assembly (OBSOLETE) |
Call for price
|
1 |
(230V) |
usually ships 13-18 days |
354 |
372-3555
|
Cable assembly (OBSOLETE) |
Call for price
|
1 |
(230V) |
usually ships 13-18 days |
355 |
272-1695
|
Cord set |
$326.14
|
1 |
(230V) |
usually ships 1-5 days |
356 |
372-3556
|
Cable assembly (OBSOLETE) |
Call for price
|
1 |
(230V) |
usually ships 13-18 days |
357 |
372-3557
|
Cable assembly (OBSOLETE) |
Call for price
|
1 |
(230V) |
usually ships 13-18 days |
358 |
372-3558
|
Cable assembly (OBSOLETE) |
Call for price
|
1 |
(115V) |
usually ships 13-18 days |
359 |
372-3559
|
Cable assembly (OBSOLETE) |
Call for price
|
1 |
(115V and 24V) |
usually ships 13-18 days |
360 |
172-6258
|
14/3 power cord 75 foot |
$233.53
|
1 |
(115V) |
usually ships 13-18 days |
361 |
372-3560
|
Cable assembly (OBSOLETE) |
Call for price
|
1 |
(115V and 24V) |
usually ships 13-18 days |
362 |
272-8573
|
18/3 49 foot power cord |
$90.13
|
1 |
(115V) |
usually ships 13-18 days |
363 |
372-3561
|
Cable assembly (OBSOLETE) |
Call for price
|
1 |
(24V) |
usually ships 13-18 days |
364 |
372-3562
|
Cable assembly (OBSOLETE) |
Call for price
|
1 |
(24V) |
usually ships 13-18 days |
365 |
372-3563
|
Cable assembly (OBSOLETE) |
Call for price
|
1 |
(24V) |
usually ships 13-18 days |
366 |
372-3564
|
Cable assembly (OBSOLETE) |
Call for price
|
1 |
(24V) |
usually ships 13-18 days |
367 |
472-9575
|
CABLE ASSY. 4X15 E00192 |
$53.46
|
1 |
(24V) |
usually ships 13-18 days |
368 |
993-1124
|
BATTERY CABLE |
$7.70
|
1 |
(24V) |
usually ships 1-5 days |
369 |
993-1123
|
BATTERY CABLE-BCS618 |
$6.26
|
1 |
(24V) |
usually ships 1-5 days |
370 |
372-3561
|
Cable assembly (OBSOLETE) |
Call for price
|
1 |
(24V) |
usually ships 13-18 days |