| # | Part | Description | Price | Req | Notes | Availability | 
          
            
            
                
                  
                  
                  
				       
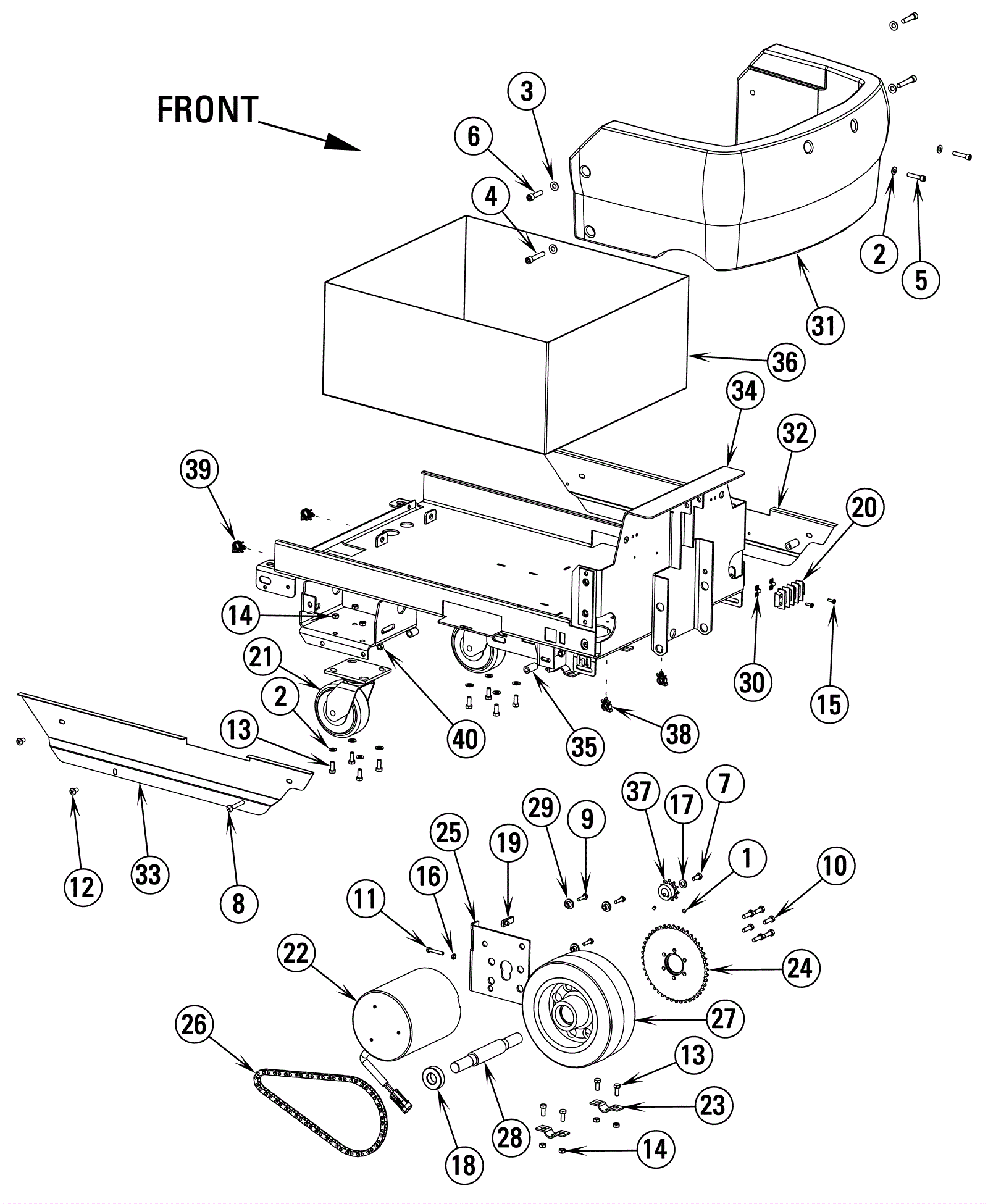
				      1 | 
				      
                
                
                  
                
                
				272-5720
               | 
				      Screw 1/4-20 x 1/4 socket lock | 
				      
                $12.89
                | 
				      2 | 
				         | 
				      usually ships 13-18 days | 
				      
               
               
               
                
               
             
            
                
                  
                  
                  
				       
				      2 | 
				      
                
                
                  
                
                999-0024
				
               | 
				      Washer 5/16 flat stainless steel | 
				      
                $1.34
                | 
				      10 | 
				         | 
				      ships same day | 
				      
               
               
               
                
               
             
            
                
                  
                  
                  
				       
				      3 | 
				      
                
                
                  
                
                999-0120
				
               | 
				      Washer 3/8 SAE flat | 
				      
                $0.99
                | 
				      4 | 
				         | 
				      ships same day | 
				      
               
               
               
                
               
             
            
                
                  
                  
                  
				       
				      4 | 
				      
                
                
                  
                
                999-1534
				
               | 
				      Screw 3/8-16 x 2 shoulder socket head stainless steel | 
				      
                $24.93
                | 
				      2 | 
				         | 
				      usually ships 1-5 days | 
				      
               
               
               
                
               
             
            
                
                  
                  
                  
				       
				      5 | 
				      
                
                
                  
                
                999-0131
				
               | 
				      Screw 5/16-18 x 1 1/2 socket head stainless steel | 
				      
                $2.86
                | 
				      2 | 
				         | 
				      ships same day | 
				      
               
               
               
                
               
             
            
                
                  
                  
                  
				       
				      6 | 
				      
                
                
                  
                
                
				372-2180
               | 
				      Screw 3/8-16 x 1/2 | 
				      
                $10.52
                | 
				      2 | 
				         | 
				      usually ships 13-18 days | 
				      
               
               
               
                
               
             
            
                
                  
                  
                  
				       
				      7 | 
				      
                
                
                  
                
                999-0132
				
               | 
				      Bolt 5/16-18 x 3/4 hex head grade 5 zinc plated | 
				      
                $2.64
                | 
				      1 | 
				         | 
				      ships same day | 
				      
               
               
               
                
               
             
            
                
                  
                  
                  
				       
				      8 | 
				      
                
                
                  
                
                999-1289
				
               | 
				      Screw 5/16-18 x 2 pan head stainless steel | 
				      
                $1.74
                | 
				      2 | 
				         | 
				      usually ships 1-5 days | 
				      
               
               
               
                
               
             
            
                
                  
                  
                  
				       
				      9 | 
				      
                
                
                  
                
                999-0297
				
               | 
				      Bolt 1/4-20 x 1 hex head stainless steel | 
				      
                $2.53
                | 
				      3 | 
				         | 
				      ships same day | 
				      
               
               
               
                
               
             
            
                
                  
                  
                  
				       
				      10 | 
				      
                
                
                  
                
                999-0424
				
               | 
				      Bolt 5/16-18 x 1 hex head stainless steel | 
				      
                $0.99
                | 
				      6 | 
				         | 
				      ships same day | 
				      
               
               
               
                
               
             
            
                
                  
                  
                  
				       
				      11 | 
				      
                
                
                  
                
                999-0506
				
               | 
				      Bolt 1/4-20 x 1 1/2 hex head stainless steel | 
				      
                $1.28
                | 
				      1 | 
				         | 
				      ships same day | 
				      
               
               
               
                
               
             
            
                
                  
                  
                  
				       
				      12 | 
				      
                
                
                  
                
                999-1454
				
               | 
				      Bolt 5/16-18 x 5/8 pan head stainless steel | 
				      
                $2.00
                | 
				      4 | 
				         | 
				      usually ships 1-5 days | 
				      
               
               
               
                
               
             
            
                
                  
                  
                  
				       
				      13 | 
				      
                
                
                  
                
                999-1133
				
               | 
				      Bolt M8-1.25 x 20mm hex head full thread plain | 
				      
                $0.99
                | 
				      12 | 
				         | 
				      ships same day | 
				      
               
               
               
                
               
             
            
                
                  
                  
                  
				       
				      14 | 
				      
                
                
                  
                
                999-0471
				
               | 
				      Nut M8-1.25 nylon insert lock zinc plated | 
				      
                $0.99
                | 
				      12 | 
				         | 
				      ships same day | 
				      
               
               
               
                
               
             
            
                
                  
                  
                  
				       
				      15 | 
				      
                
                
                  
                
                999-0193
				
               | 
				      Screw 10-24 x 5/8 pan head slotted thread cutting zinc | 
				      
                $0.99
                | 
				      2 | 
				         | 
				      ships same day | 
				      
               
               
               
                
               
             
            
                
                  
                  
                  
				       
				      16 | 
				      
                
                
                  
                
                999-0971
				
               | 
				      Nut 1/4-20 jam stainless steel | 
				      
                $0.99
                | 
				      1 | 
				         | 
				      ships same day | 
				      
               
               
               
                
               
             
            
                
                  
                  
                  
				       
				      17 | 
				      
                
                
                  
                
                
				181-0015
               | 
				      Washer flat | 
				      
                $9.70
                | 
				      1 | 
				         | 
				      usually ships 13-18 days | 
				      
               
               
               
                
               
             
            
                
                  
                  
                  
				       
				      18 | 
				      
                
                
                  
                
                172-9411
				
               | 
				      Ball bearing | 
				      
                $46.67
                | 
				      2 | 
				         | 
				      ships same day | 
				      
               
               
               
                
               
             
            
                
                  
                  
                  
				       
				      19 | 
				      
                
                
                  
                
                172-2049
				
               | 
				      Nut 1/4- 20 | 
				      
                $12.89
                | 
				      1 | 
				         | 
				      usually ships 1-5 days | 
				      
               
               
               
                
               
             
            
                
                  
                  
                  
				       
				      20 | 
				      
                
                
                  
                
                172-2030
				
               | 
				      Terminal block with (4) 50amp terminals (OBSOLETE) | 
				      
                $26.58
                | 
				      1 | 
				         | 
				      usually ships 1-5 days | 
				      
               
               
               
                
               
             
            
                
                  
                  
                  
				       
				      21 | 
				      
                
                
                  
                
                172-8073
				
               | 
				      Caster wheel | 
				      
                $151.33
                | 
				      2 | 
				         | 
				      ships same day | 
				      
               
               
               
                
               
             
            
                
                  
                  
                  
				       
				      22a | 
				      
                
                
                  
                
                172-1785
				
               | 
				      36V 1/2HP drive motor | 
				      
                $1,590.05
                | 
				      1 | 
				         | 
				      usually ships 1-5 days | 
				      
               
               
               
                
               
             
            
                
                  
                  
                  
				       
				      22b | 
				      
                
                
                  
                
                
				164-0325
               | 
				      Carbon brush with lead and terminal (sold individually) | 
				      
                $20.38
                | 
				      4 | 
				         | 
				      usually ships 19-25 days | 
				      
               
               
               
                
               
             
            
                
                  
                  
                  
				       
				      23 | 
				      
                
                
                  
                
                272-1342
				
               | 
				      Axle clamp | 
				      
                $22.24
                | 
				      2 | 
				         | 
				      usually ships 1-5 days | 
				      
               
               
               
                
               
             
            
                
                  
                  
                  
				       
				      24 | 
				      
                
                
                  
                
                272-1345
				
               | 
				      Sprocket | 
				      
                $213.51
                | 
				      1 | 
				         | 
				      ships same day | 
				      
               
               
               
                
               
             
            
                
                  
                  
                  
				       
				      25 | 
				      
                
                
                  
                
                
				172-1786
               | 
				      Tension bracket (OBSOLETE) | 
				      
                $27.83
                | 
				      1 | 
				         | 
				      usually ships 13-18 days | 
				      
               
               
               
                
               
             
            
                
                  
                  
                  
				       
				      26 | 
				      
                
                
                  
                
                
				991-0101
               | 
				      Chain (sold by the link) | 
				      
                $0.55
                | 
				      1 | 
				         | 
				      usually ships 4-8 days | 
				      
               
               
               
                
               
             
            
                
                  
                  
                  
				       
				      27 | 
				      
                
                
                  
                
                
				172-1788
               | 
				      Wheel 10 x 4 (OBSOLETE) | 
				      
                $605.44
                | 
				      1 | 
				         | 
				      usually ships 13-18 days | 
				      
               
               
               
                
               
             
            
                
                  
                  
                  
				       
				      28 | 
				      
                
                
                  
                
                
				172-1789
               | 
				      Axle | 
				      
                $124.82
                | 
				      1 | 
				         | 
				      usually ships 13-18 days | 
				      
               
               
               
                
               
             
            
                
                  
                  
                  
				       
				      29 | 
				      
                
                
                  
                
                172-2065
				
               | 
				      Bushing | 
				      
                $20.46
                | 
				      3 | 
				         | 
				      usually ships 1-5 days | 
				      
               
               
               
                
               
             
            
                
                  
                  
                  
				       
				      30 | 
				      
                
                
                  
                
                
				172-2184
               | 
				      Jumper plate (OBSOLETE) | 
				      
                $8.56
                | 
				      2 | 
				         | 
				      usually ships 13-18 days | 
				      
               
               
               
                
               
             
            
                
                  
                  
                  
				       
				      31 | 
				      
                
                
                  
                
                272-1364
				
               | 
				      Front cover (OBSOLETE) | 
				      
                $743.05
                | 
				      1 | 
				         | 
				      usually ships 1-5 days | 
				      
               
               
               
                
               
             
            
                
                  
                  
                  
				       
				      32 | 
				      
                
                
                  
                
                272-1365
				
               | 
				      Left side skirt (OBSOLETE) | 
				      
                $47.22
                | 
				      1 | 
				         | 
				      usually ships 1-5 days | 
				      
               
               
               
                
               
             
            
                
                  
                  
                  
				       
				      33 | 
				      
                
                
                  
                
                
				272-1366
               | 
				      Right side skirt (OBSOLETE) | 
				      
                $36.39
                | 
				      1 | 
				         | 
				      usually ships 13-18 days | 
				      
               
               
               
                
               
             
            
                
                  
                  
                  
				       
				      34 | 
				      
                
                
                  
                
                172-1790
				
               | 
				      Upper chassis weldment (OBSOLETE) | 
				      
                $1,051.97
                | 
				      1 | 
				         | 
				      usually ships 1-5 days | 
				      
               
               
               
                
               
             
            
                
                  
                  
                  
				       
				      35 | 
				      
                
                
                  
                
                172-1791
				
               | 
				      Aluminum spacer (OBSOLETE) | 
				      
                $10.89
                | 
				      2 | 
				         | 
				      usually ships 1-5 days | 
				      
               
               
               
                
               
             
            
                
                  
                  
                  
				       
				      36 | 
				      
                
                
                  
                
                172-1792
				
               | 
				      Battery box (OBSOLETE) | 
				      
                $727.77
                | 
				      1 | 
				         | 
				      usually ships 1-5 days | 
				      
               
               
               
                
               
             
            
                
                  
                  
                  
				       
				      37 | 
				      
                
                
                  
                
                172-2066
				
               | 
				      Sprocket with keyway | 
				      
                $41.97
                | 
				      1 | 
				         | 
				      usually ships 1-5 days | 
				      
               
               
               
                
               
             
            
                
                  
                  
                  
				       
				      38 | 
				      
                
                
                  
                
                172-1793
				
               | 
				      Clip | 
				      
                $12.89
                | 
				      2 | 
				         | 
				      usually ships 1-5 days | 
				      
               
               
               
                
               
             
            
                
                  
                  
                  
				       
				      39 | 
				      
                
                
                  
                
                172-1793
				
               | 
				      Clip | 
				      
                $12.89
                | 
				      2 | 
				         | 
				      usually ships 1-5 days | 
				      
               
               
               
                
               
             
            
                
                  
                  
                  
				       
				      40 | 
				      
                
                
                  
                
                999-0211
				
               | 
				      Nut 5/16-18 hex nylon insert lock zinc plated | 
				      
                $0.99
                | 
				      4 | 
				         | 
				      ships same day | 
				      
               
               
               
                
               
             
            
                
                  
                  
                  
				       
				      N/S | 
				      
                
                
                  
                
                172-1795
				
               | 
				      Parking brake kit (OBSOLETE) | 
				      
                $275.62
                | 
				      1 | 
				       (optional) (all models)  | 
				      usually ships 1-5 days | 
				      
               
               
               
                
               
             
            
                
                  
                  
                  
				       
				      N/S | 
				      
                
                
                  
                
                172-1796
				
               | 
				      Cylindrical industrial bumper kit (OBSOLETE) | 
				      
                $437.18
                | 
				      1 | 
				       (optional) (I-MAX 28C, 32C)  | 
				      usually ships 1-5 days | 
				      
               
               
               
                
               
             
            
                
                  
                  
                  
				       
				      N/S | 
				      
                
                
                  
                
                172-1797
				
               | 
				      36V brush click off kit (OBSOLETE) | 
				      
                $191.41
                | 
				      1 | 
				       (optional) (all models)  | 
				      usually ships 1-5 days |