| # | Part | Description | Price | Req | Notes | Availability |
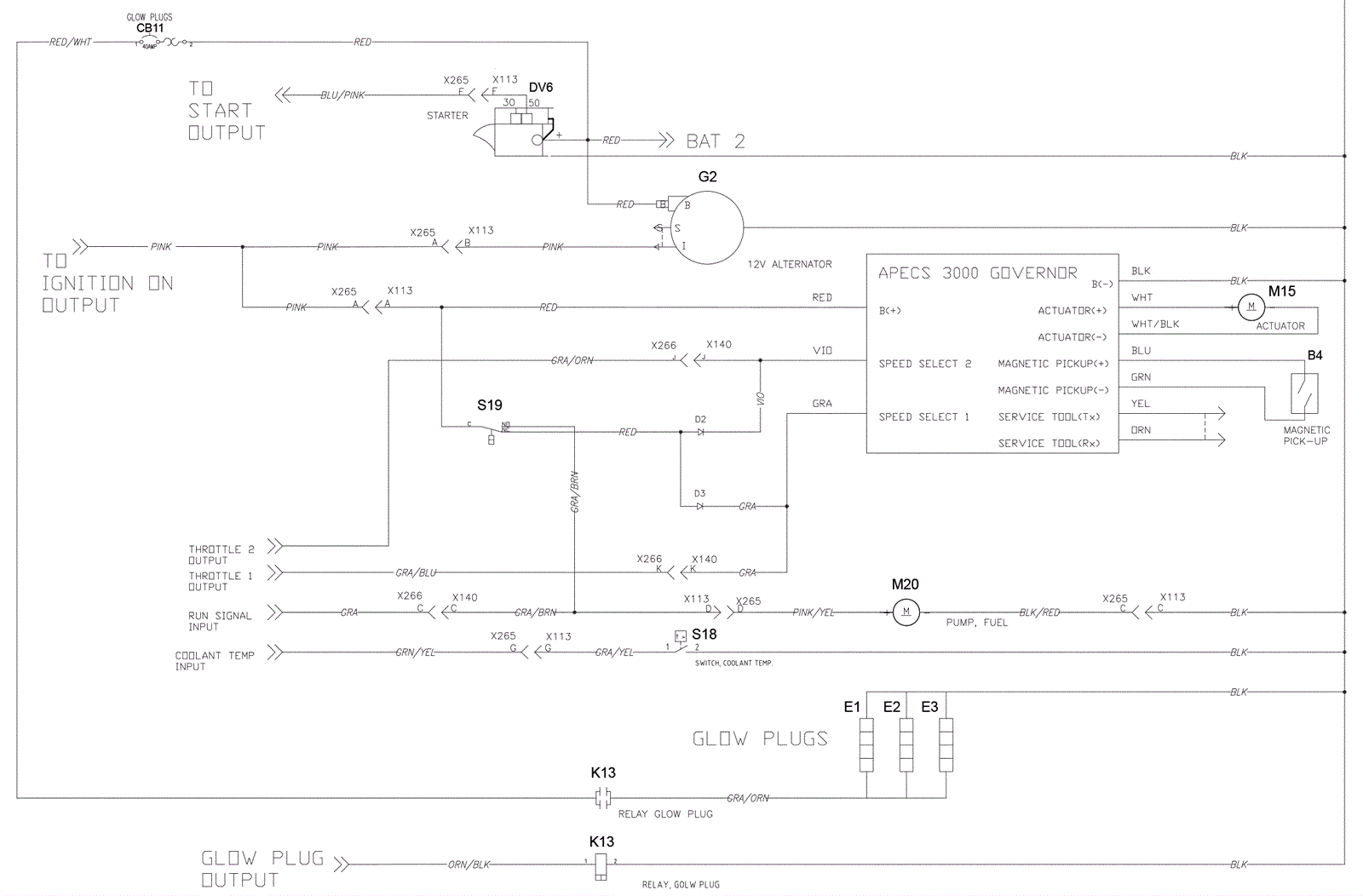
B4 |
N/A
|
Not available |
Call for price
|
1 |
(magnetic pick up) (part of Apecs 3000 Governor) |
usually ships 3-26 days |
CB11 |
372-1502
|
40amp circuit breaker (OBSOLETE) |
$18.88
|
1 |
|
usually ships 13-18 days |
DV6 |
272-7812
|
Starter motor |
$1,763.86
|
1 |
|
usually ships 1-5 days |
E1 |
N/A
|
Not available |
Call for price
|
1 |
(glow plug) |
usually ships 3-26 days |
E2 |
N/A
|
Not available |
Call for price
|
1 |
(glow plug) |
usually ships 3-26 days |
E3 |
N/A
|
Not available |
Call for price
|
1 |
(glow plug) |
usually ships 3-26 days |
G2 |
372-2792
|
Alternator |
$1,426.96
|
1 |
|
usually ships 13-18 days |
K13 |
272-7725
|
12V 75amp relay |
$90.13
|
1 |
|
usually ships 13-18 days |
M15 |
N/A
|
Not available |
Call for price
|
1 |
(actuator) (part of the Apecs 3000 Governor) |
usually ships 3-26 days |
M20 |
272-7818
|
Electronic fuel pump |
$336.91
|
1 |
|
usually ships 1-5 days |
S18 |
272-7814
|
Temperature switch |
$177.07
|
1 |
|
usually ships 13-18 days |
S19 |
272-7813
|
Oil pressure switch |
$305.09
|
1 |
|
usually ships 13-18 days |
N/S |
372-2763
|
Controller governor |
$2,405.06
|
1 |
|
usually ships 13-18 days |