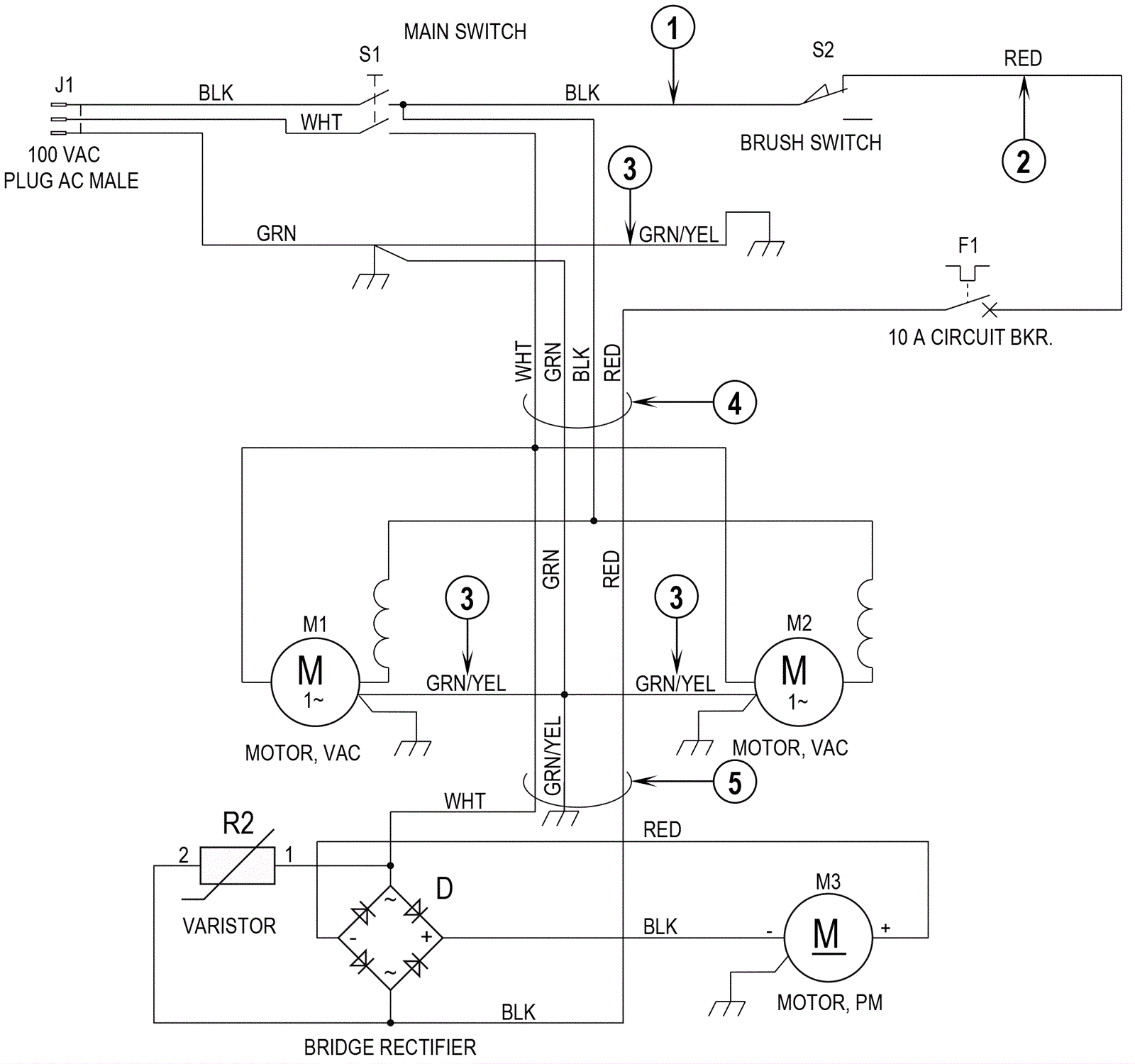
Wiring Diagram 100V
Click to enlarge