| # | Part | Description | Price | Req | Notes | Availability |
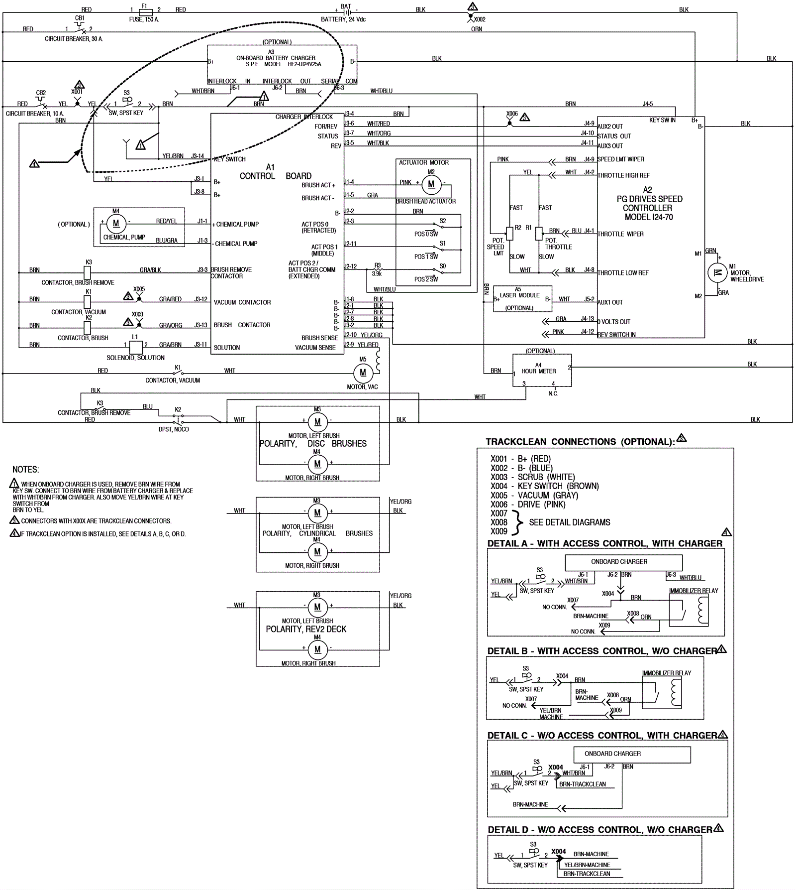
A1 |
272-9844
|
AXP control board kit |
$2,164.51
|
1 |
|
usually ships 13-18 days |
A2 |
272-9848
|
Speed controller |
$643.84
|
1 |
|
usually ships 13-18 days |
A3 |
272-8616
|
120V Onboard charger kit |
$2,164.51
|
1 |
(optional) |
usually ships 13-18 days |
A4 |
172-2162
|
Hour meter |
$225.10
|
1 |
(optional) |
usually ships 13-18 days |
A5 |
472-4530
|
LASER |
$329.16
|
1 |
(optional) |
usually ships 13-18 days |
F1 |
172-8836
|
150amp fuse |
$20.59
|
1 |
|
usually ships 13-18 days |
CB1 |
272-2209
|
30amp circuit breaker |
$14.41
|
1 |
|
ships same day |
CB2 |
272-9374
|
10amp circuit breaker |
$25.75
|
1 |
|
usually ships 13-18 days |
K1 |
270-0216
|
Relay |
$22.58
|
1 |
|
usually ships 13-18 days |
K2 |
172-2173
|
24V contactor |
$156.02
|
1 |
|
usually ships 13-18 days |
K3 |
270-0216
|
Relay |
$22.58
|
1 |
|
usually ships 13-18 days |
L1 |
272-9815
|
Solenoid valve assembly |
$208.89
|
1 |
|
usually ships 13-18 days |
M1 |
272-9970
|
Transaxle motor kit |
$785.74
|
1 |
|
usually ships 13-18 days |
M2 |
272-3543
|
Actuator |
$1,042.64
|
1 |
(includes S0, S1, and S2) |
usually ships 13-18 days |
M3a |
272-9872
|
Gearbox motor assembly |
$1,315.16
|
1 |
(disk) |
usually ships 13-18 days |
M3b |
272-9886
|
Brush motor |
$1,363.34
|
1 |
(cylindrical) |
usually ships 1-5 days |
M3c |
272-6547
|
Motor |
$1,187.01
|
1 |
(REV) |
usually ships 13-18 days |
M4a |
272-9872
|
Gearbox motor assembly |
$1,315.16
|
1 |
(disk) |
usually ships 13-18 days |
M4b |
272-9886
|
Brush motor |
$1,363.34
|
1 |
(cylindrical) |
usually ships 1-5 days |
M4c |
272-6547
|
Motor |
$1,187.01
|
1 |
(REV) |
usually ships 13-18 days |
M5 |
272-9857
|
24V 3 stage vacuum motor |
$297.34
|
1 |
|
ships same day |
M6 |
172-2039
|
5K potentiometer |
$66.03
|
1 |
(optional) |
ships same day |
R1 |
172-2039
|
5K potentiometer |
$66.03
|
1 |
|
ships same day |
S3 |
272-2195
|
Key switch assembly |
$96.35
|
1 |
|
usually ships 13-18 days |