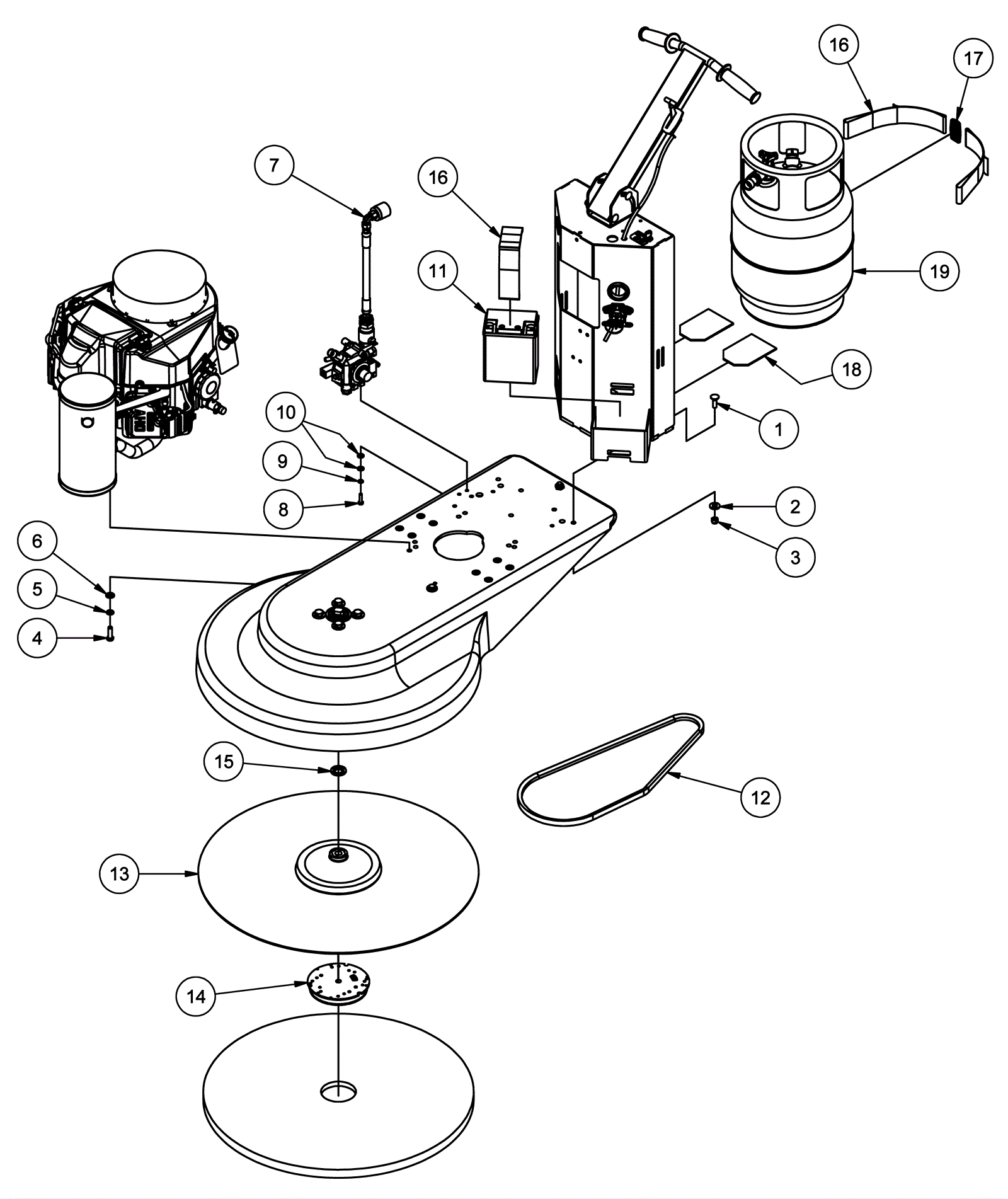
# | Part | Description | Price | Req | Notes | Availability |
1 |
472-8218
|
SCR-CARRIAGE 3/8X1.25 |
$9.26
|
3 |
|
usually ships 13-18 days |
2 |
999-0120
|
Washer 3/8 SAE flat |
$0.99
|
3 |
|
ships same day |
3 |
999-0188
|
Nut 3/8-16 nylon insert lock zinc plated |
$0.99
|
3 |
|
ships same day |
4 |
999-0649
|
Bolt 3/8-16 x 1 1/4 hex head stainless steel |
$1.21
|
3 |
|
ships same day |
5 |
472-8216
|
WASHER-LOCK 3/8 |
$9.26
|
3 |
|
usually ships 13-18 days |
6 |
999-0120
|
Washer 3/8 SAE flat |
$0.99
|
3 |
|
ships same day |
7 |
472-8156
|
REGULATOR ASSY-LP |
$991.89
|
1 |
|
usually ships 13-18 days |
8 |
999-0830
|
Screw 1/4-20 x 1 hex head plain finish |
$0.99
|
2 |
|
ships same day |
9 |
472-8211
|
WASHER-LOCK 1/4 |
$9.26
|
2 |
|
usually ships 13-18 days |
10 |
999-0123
|
Washer 1/4 SAE flat zinc plated |
$0.99
|
4 |
|
ships same day |
11 |
162-0007
|
12V 12Ah sealed battery |
$124.80
|
1 |
|
ships same day |
12a |
472-8180
|
BELT-BX41 |
$80.16
|
1 |
|
usually ships 13-18 days |
12b |
472-8119
|
BELT-BX53 |
$50.05
|
1 |
|
usually ships 7-18 days |
13a |
472-8138
|
PADHOLDER ASSY 21 |
$467.19
|
1 |
|
usually ships 13-18 days |
13b |
170-3105
|
27 inch pad driver assembly |
$689.56
|
1 |
|
ships same day |
14 |
472-8115
|
PAD-RETAINER |
$74.65
|
1 |
|
usually ships 13-18 days |
15 |
472-8136
|
SPACER |
$42.98
|
1 |
|
usually ships 13-18 days |
16 |
472-8155
|
STRAP-2X23 (OBSOLETE) |
$39.19
|
3 |
|
usually ships 13-18 days |
17 |
472-8152
|
SLIDE-STRAP |
$9.26
|
1 |
|
usually ships 13-18 days |
18 |
472-8181
|
PAD-TANK |
$29.23
|
2 |
|
usually ships 13-18 days |
19 |
472-8127
|
LP CYLINDER-STEEL |
$748.44
|
1 |
|
usually ships 13-18 days |