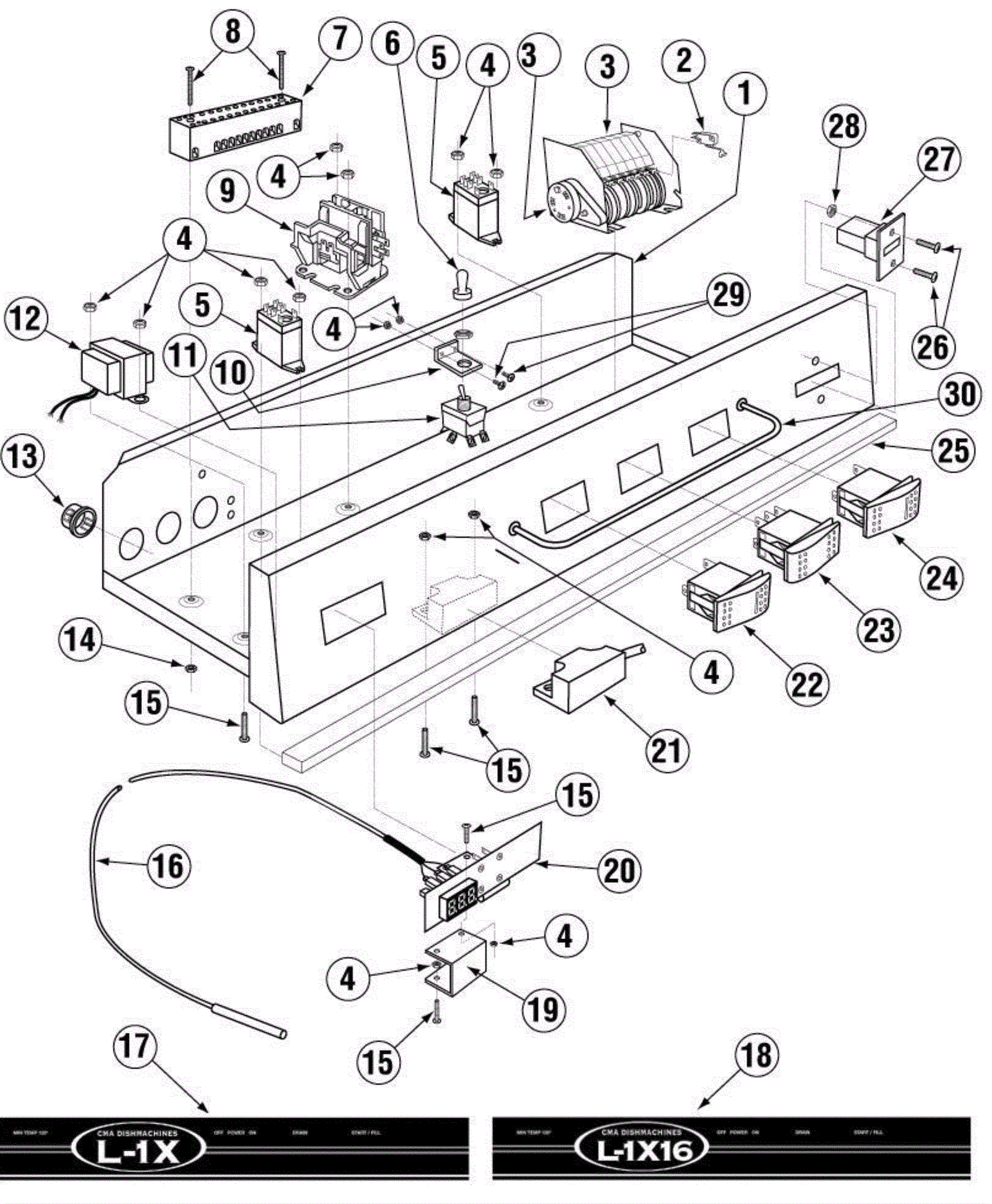
| # | Part | Description | Price | Req | Notes | Availability |
1b |
350-1290
|
L-1X16 Top Drawer Slanted (2007) |
$420.10
|
1 |
|
usually ships 30-43 days |
2 |
350-0227
|
Micro Switch |
$6.53
|
8 |
|
ships same day |
3a |
350-0214
|
Timer 2 Min 8 Cam 115V/60Hz |
$310.89
|
1 |
|
usually ships 30-43 days |
3b |
350-0339
|
Timer Motor 2 Min |
$93.02
|
1 |
|
ships same day |
4 |
350-0610
|
6-32 Nylon Insert Lock Nut |
$0.90
|
18 |
|
usually ships 30-43 days |
5 |
350-0444
|
120V ice cube relay |
$27.00
|
1 |
|
usually ships 30-43 days |
6 |
350-0323
|
Toggle Switch Rubber Boot |
$4.80
|
4 |
|
ships same day |
7 |
350-1818
|
Power Block |
$48.11
|
1 |
|
usually ships 30-43 days |
8 |
350-1664
|
4-40 x 3/4 Pan Head screw |
$0.90
|
2 |
|
usually ships 30-43 days |
9 |
350-0195
|
Motor Contactor 115V 20 Amp SP |
$59.80
|
1 |
|
usually ships 30-43 days |
10 |
350-0329
|
Toggle Switch Bracket |
$8.14
|
1 |
|
usually ships 30-43 days |
11 |
350-0331
|
Delimer Switch DPDT 20 Amp 2 Pos |
$24.22
|
1 |
|
usually ships 30-43 days |
12 |
350-1146
|
Thermometer Transformer |
$27.58
|
1 |
|
usually ships 30-43 days |
14 |
350-1666
|
4-40 Hex Nuts |
$0.90
|
2 |
|
usually ships 30-43 days |
15 |
350-0565
|
6-32 x 1/2 SS Panhead Screw |
$0.90
|
14 |
|
usually ships 30-43 days |
16 |
350-1148
|
Thermocouple |
$117.04
|
1 |
|
usually ships 30-43 days |
19 |
350-1151
|
Temperature Read Out Bracket |
$9.76
|
1 |
|
usually ships 30-43 days |
20 |
350-1150
|
Single Temp Display Kit L-1X/16 G-1X |
$342.90
|
1 |
|
usually ships 30-43 days |
21 |
350-0361
|
Reed Switch - ISI |
$172.11
|
1 |
|
usually ships 30-43 days |
22 |
350-1822
|
Power Rocker Switch Red 115V |
$26.24
|
1 |
|
ships same day |
23 |
350-1187
|
Drain Rocker Switch (GL-X/L-1X) |
$30.79
|
1 |
|
ships same day |
24 |
350-0249
|
Start/Fill Rocker Switch Amber 115V |
$31.86
|
1 |
|
ships same day |
26 |
350-0566
|
6-32 x 1/2 Black Oxide Screw-Philips |
$0.28
|
2 |
|
usually ships 30-43 days |
27 |
350-1170
|
Counter - Panel Mount 115V/60Hz |
$40.30
|
1 |
|
usually ships 30-43 days |
28 |
350-0579
|
6-32 PM Nut |
$0.90
|
2 |
|
usually ships 30-43 days |
29 |
350-0254
|
6-32 x 1/4 SS Panhead Screw |
$0.90
|
4 |
|
usually ships 30-43 days |
30 |
350-1189
|
Switch Guard (Undercounter Units) |
$46.00
|
1 |
|
usually ships 30-43 days |