| # | Part | Description | Price | Req | Notes | Availability |
1 |
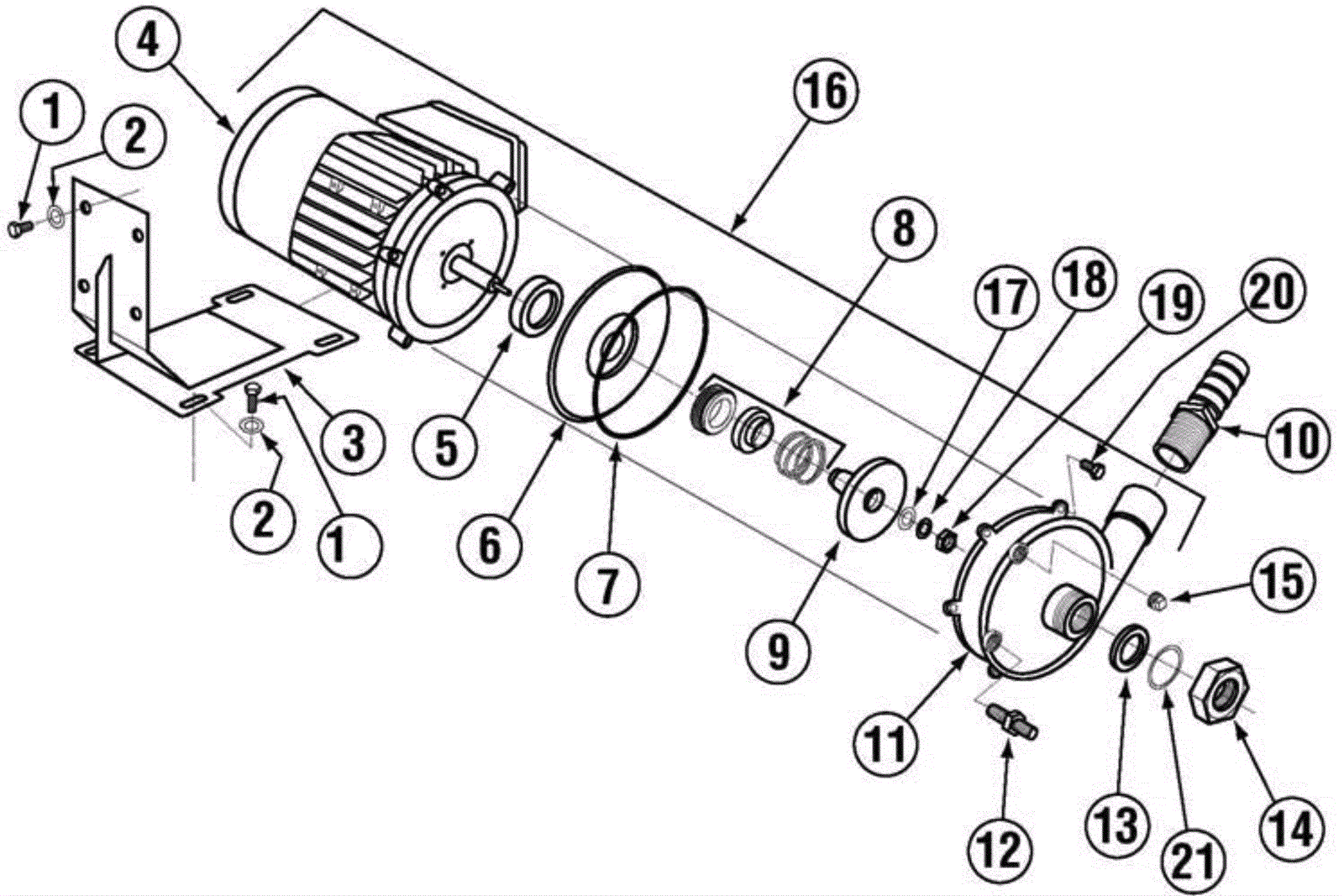
350-0568
|
5/16-18 x 5/8 Hexhead Bolt |
$0.66
|
3 |
|
usually ships 30-43 days |
2 |
350-0590
|
5/16 SS Washer |
$0.90
|
3 |
|
ships same day |
7 |
350-1163
|
Volute O-Ring For SS Pump |
$12.23
|
1 |
|
usually ships 30-43 days |
8 |
350-0095
|
Pump Seal Kit for SS Pump |
$38.92
|
1 |
|
usually ships 30-43 days |
10 |
350-2113
|
1 inch MPT x 1 inch Barb Brass (180T units) |
$28.88
|
1 |
|
usually ships 1-5 days |
12 |
350-0103
|
1/2 Comp x 3/8 MIP Adapter |
$8.49
|
1 |
|
usually ships 30-43 days |
13 |
350-0098
|
Slip Joint Nut O-Ring Gasket Buna |
$0.98
|
1 |
|
ships same day |
14 |
350-0096
|
Slip Joint Nut 1 1/2 x 1 1/4 |
$14.82
|
1 |
|
usually ships 1-5 days |
15 |
350-0108
|
3/8 Male Plug - Sq Head |
$5.02
|
1 |
|
usually ships 1-5 days |
16 |
350-2116
|
115V pump motor assembly (closed impeller) |
$919.18
|
1 |
(includes 4-9 and 11) |
usually ships 30-43 days |
20 |
350-0577
|
10 mm Socket Head Screw |
$0.98
|
6 |
|
usually ships 30-43 days |
21 |
350-0097
|
Slip Joint Nut Friction Ring Plastic |
$3.54
|
1 |
|
ships same day |