| # | Part | Description | Price | Req | Notes | Availability |
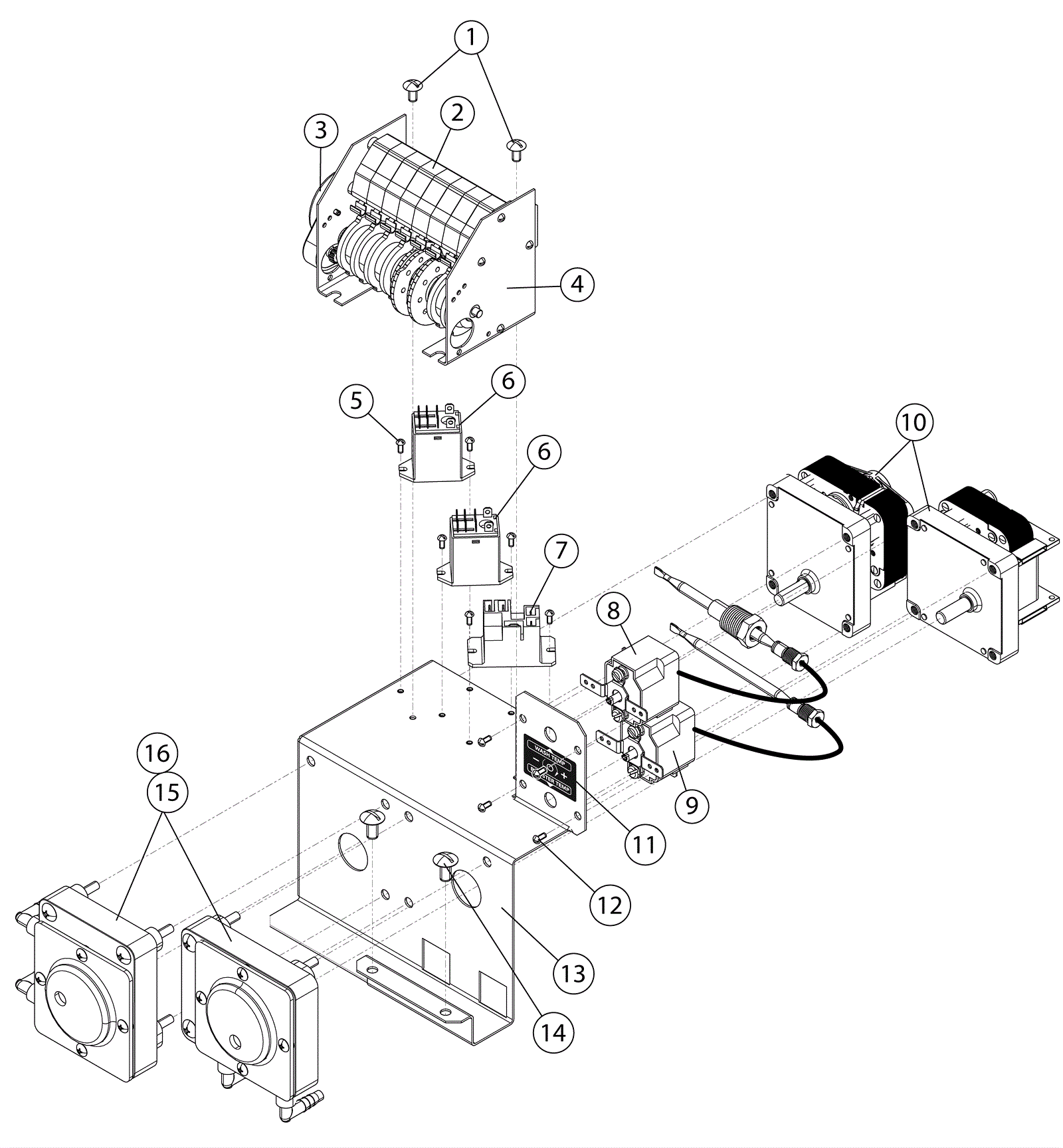
1 |
350-1020
|
UC 65e Screw Truss Slotted 8-32 x 1/4 |
$1.60
|
2 |
|
ships same day |
2 |
350-0227
|
Micro Switch |
$6.53
|
8 |
|
ships same day |
3 |
350-0339
|
Timer Motor 2 Min |
$93.02
|
1 |
|
ships same day |
4 |
350-0212
|
Timer 2 Min 8 Cam 115V/60Hz UC 65e |
$296.09
|
1 |
|
usually ships 1-5 days |
5 |
350-0565
|
6-32 x 1/2 SS Panhead Screw |
$0.90
|
6 |
|
usually ships 30-43 days |
6 |
350-0444
|
120V ice cube relay |
$27.00
|
2 |
|
usually ships 30-43 days |
7 |
350-0987
|
UC 65e Relay, 15 Amp 115 V Coil |
$69.75
|
1 |
|
usually ships 30-43 days |
8 |
350-2084
|
Heater Thermostat |
$126.65
|
1 |
|
usually ships 30-43 days |
9 |
350-0973
|
65e (M-2) Thermostat Control 195F Deg |
$171.27
|
1 |
|
usually ships 30-43 days |
10 |
350-0237
|
Peri Pump Motor 50RPM 115V/60Hz |
$102.00
|
2 |
|
ships same day |
12 |
350-0567
|
6-32 x 3/8 Pan Head Screw |
$0.12
|
4 |
|
usually ships 30-43 days |
14 |
350-0603
|
10-32 x 3/8 Truss Head Screw |
$0.90
|
2 |
|
usually ships 30-43 days |
15 |
350-0234
|
Peri Pump Assy 50 RPM 115V/60Hz |
$173.16
|
2 |
|
usually ships 30-43 days |
16 |
350-1098
|
Squeeze Tube Norprene 8 inch |
$9.37
|
2 |
|
ships same day |