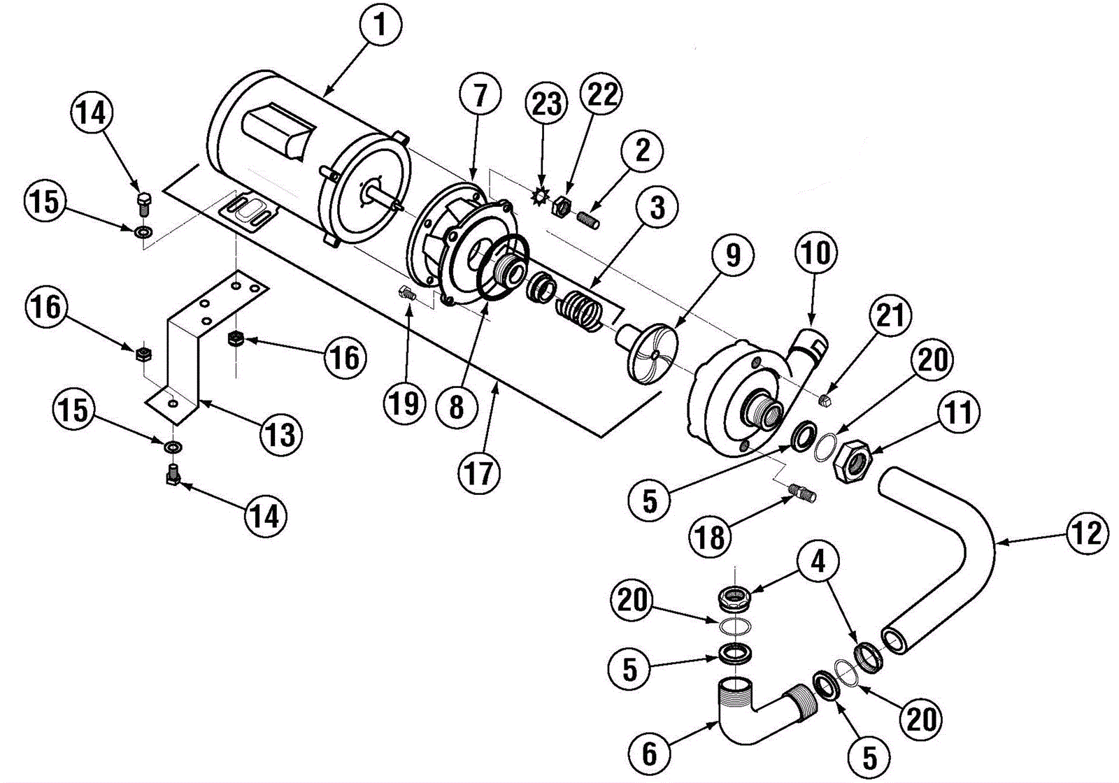
| # | Part | Description | Price | Req | Notes | Availability |
1 |
350-0072
|
Wash Motor 1 Hp 115/208-230V 60Hz |
$635.32
|
1 |
|
usually ships 30-43 days |
2 |
350-0616
|
3/8-16 x 1 1/2 SS Stud |
$2.69
|
2 |
|
usually ships 30-43 days |
3 |
350-0093
|
Pump Seal Kit (11/07) |
$29.90
|
1 |
|
ships same day |
4 |
350-0096
|
Slip Joint Nut 1 1/2 x 1 1/4 |
$14.82
|
2 |
|
usually ships 1-5 days |
5 |
350-0098
|
Slip Joint Nut O-Ring Gasket Buna |
$0.98
|
3 |
|
ships same day |
6 |
350-0502
|
Pump Inlet Elbow SS - Casting |
$101.53
|
1 |
|
usually ships 30-43 days |
7 |
350-1247
|
Pump Base Stainless Steel |
$237.18
|
1 |
|
usually ships 30-43 days |
9 |
350-1154
|
Impeller (Open) SS |
$168.10
|
1 |
|
usually ships 30-43 days |
10 |
350-1248
|
Pump Cover Stainless Steel |
$290.82
|
1 |
|
ships same day |
11 |
350-1245
|
Compression Nut 2.5 inch |
$44.56
|
1 |
|
ships same day |
13 |
350-1697
|
Motor Support Bracket (AH/C/B) |
$27.39
|
1 |
|
usually ships 30-43 days |
14 |
350-0562
|
1/4-20 x 1/2 Hexhead Bolt |
$0.90
|
3 |
|
usually ships 30-43 days |
15 |
350-0589
|
1/4 SS Washer |
$0.90
|
3 |
|
ships same day |
16 |
350-0573
|
1/4-20 Nylon Lock Nut |
$0.90
|
3 |
|
ships same day |
17 |
350-0057
|
Pump Assy 115/220V 60Hz (Open) |
$1,306.40
|
1 |
(includes 1, 3 and 7-9) |
usually ships 30-43 days |
18 |
350-0103
|
1/2 Comp x 3/8 MIP Adapter |
$8.49
|
1 |
|
usually ships 30-43 days |
19 |
350-0584
|
3/8-16 x 3/4 SS Hexhead Bolt |
$1.04
|
6 |
|
usually ships 30-43 days |
20 |
350-0097
|
Slip Joint Nut Friction Ring Plastic |
$3.54
|
3 |
|
ships same day |
21 |
350-0108
|
3/8 Male Plug - Sq Head |
$5.02
|
1 |
|
usually ships 1-5 days |
23 |
350-1213
|
3/8 External Lock Star Washer |
$0.18
|
2 |
|
usually ships 30-43 days |