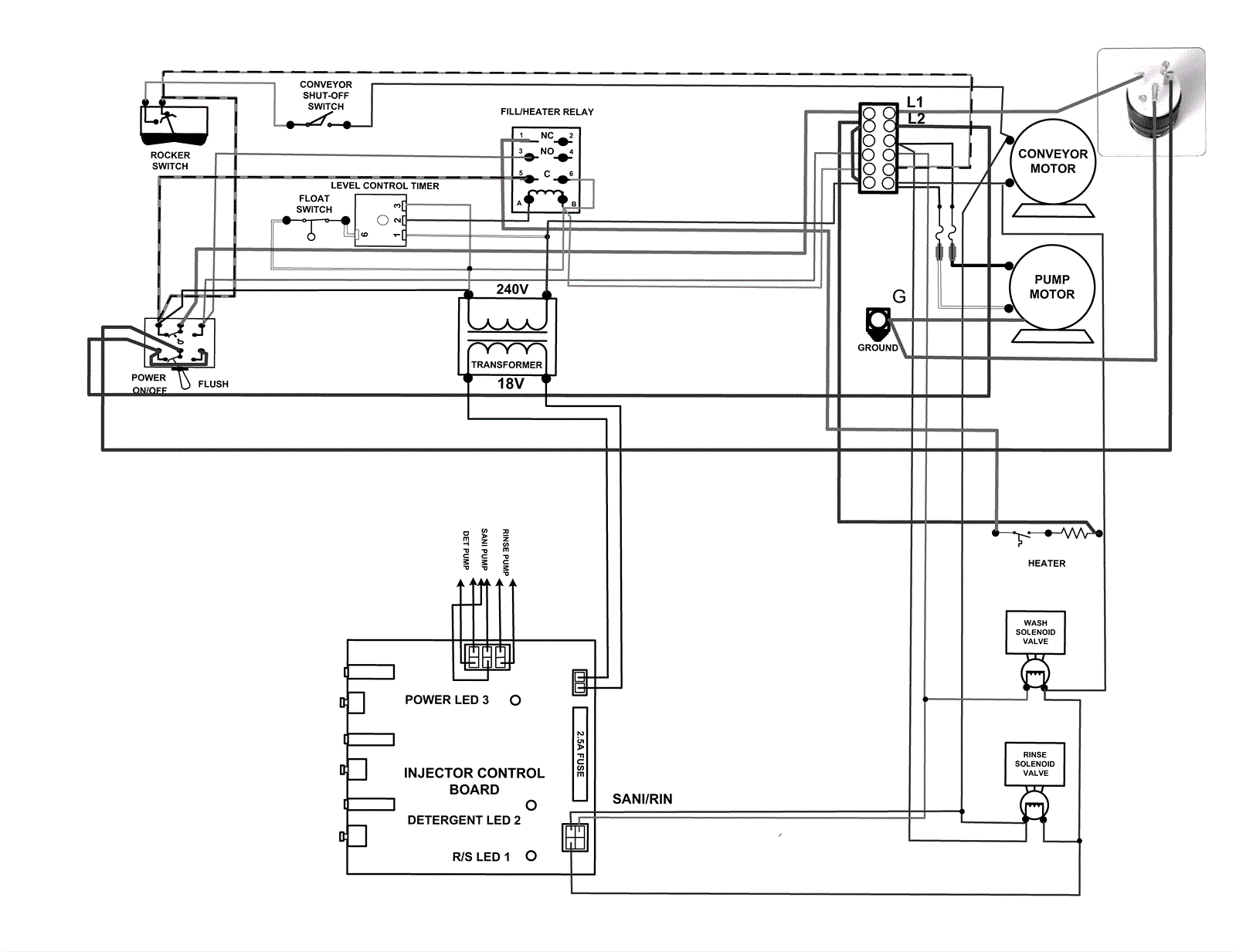
Wiring Diagram - Before 05.2017
Click to enlarge