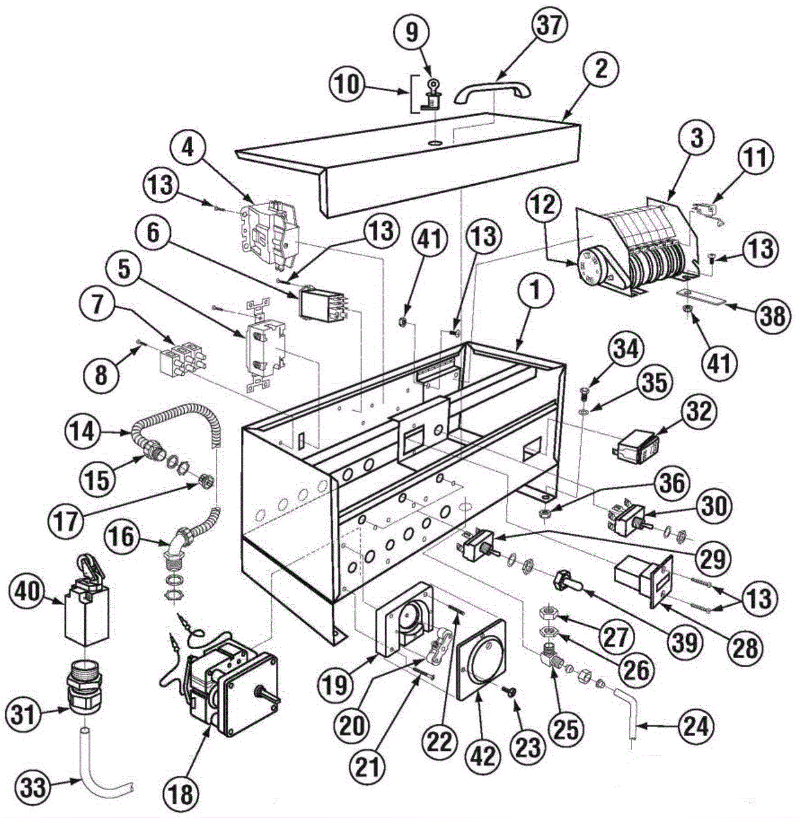
| # | Part | Description | Price | Req | Notes | Availability |
1 |
350-0698
|
Control Box (A/AH/B/C) |
$286.62
|
1 |
|
usually ships 30-43 days |
2 |
350-0704
|
Control Box Top (AH/B/C) |
$143.08
|
1 |
|
usually ships 30-43 days |
3 |
350-0204
|
Timer 90 Sec 8 Cam 115V/60Hz |
$355.44
|
1 |
|
usually ships 30-43 days |
4 |
350-0195
|
Motor Contactor 115V 20 Amp SP |
$59.80
|
2 |
|
usually ships 30-43 days |
5 |
350-0285
|
Master Switch 20 Amp |
$26.30
|
1 |
|
usually ships 30-43 days |
6 |
350-0444
|
120V ice cube relay |
$27.00
|
1 |
|
usually ships 30-43 days |
7 |
350-0311
|
3 Pole Socket Terminal Block |
$17.97
|
1 |
|
usually ships 30-43 days |
8 |
350-1662
|
8-32 x 1 Panhead Screw |
$0.90
|
1 |
|
usually ships 30-43 days |
9 |
350-0309
|
Key - Only |
$2.80
|
1 |
|
usually ships 30-43 days |
10 |
350-0307
|
Lock and Key |
$15.44
|
1 |
|
usually ships 30-43 days |
11 |
350-0227
|
Micro Switch |
$6.53
|
8 |
|
ships same day |
12 |
350-0336
|
Timer Motor 90 Sec 115V/60Hz |
$111.69
|
1 |
|
usually ships 30-43 days |
13 |
350-0572
|
8-32 x 3/8 Panhead Screw |
$0.90
|
4 |
|
usually ships 30-43 days |
14 |
350-0184
|
Conduit 3/8 Sealtite |
$2.10
|
1 |
|
usually ships 1-5 days |
15 |
350-0187
|
St-3/8 Straight Connector |
$5.00
|
2 |
|
usually ships 1-5 days |
16 |
350-0189
|
St-3/8 90Deg Connector |
$6.94
|
4 |
|
usually ships 1-5 days |
17 |
350-0297
|
Snap Bushing Universal 875-11 |
$0.90
|
4 |
|
usually ships 30-43 days |
18 |
350-0237
|
Peri Pump Motor 50RPM 115V/60Hz |
$102.00
|
3 |
|
ships same day |
19 |
350-0240
|
Peristaltic Pump Block (Black) |
$15.83
|
3 |
|
ships same day |
20 |
350-0242
|
Peristaltic Pump Rotor Assy |
$51.68
|
3 |
|
ships same day |
21 |
350-0582
|
10-32 x 1 1/2 Panhead Bolt |
$0.90
|
6 |
|
usually ships 30-43 days |
22 |
350-0581
|
10-32 x 1 1/2 Phillips Flat Head |
$0.90
|
3 |
|
usually ships 30-43 days |
23 |
350-0570
|
8-32 x 1/2 Panhead Screw |
$0.90
|
12 |
|
usually ships 30-43 days |
24 |
350-0318
|
3/8 SS Tubing - AH (Sole Wire) |
$30.02
|
1 |
|
usually ships 30-43 days |
25 |
350-0295
|
3/8 90Deg Ell Comp x MIP |
$7.60
|
1 |
|
usually ships 30-43 days |
26 |
350-0469
|
3/8 Jamb Nut Thin |
$1.96
|
1 |
|
usually ships 30-43 days |
27 |
350-0470
|
3/8 Jamb Nut - Standard |
$4.12
|
1 |
|
usually ships 30-43 days |
28 |
350-1170
|
Counter - Panel Mount 115V/60Hz |
$40.30
|
1 |
|
usually ships 30-43 days |
29 |
350-1182
|
Toggle Switch (Momentary) Screw Term |
$15.88
|
3 |
|
usually ships 30-43 days |
30 |
350-0330
|
Toggle Switch DPDT 20 Amp/Delimer |
$23.00
|
1 |
|
usually ships 30-43 days |
31 |
350-0379
|
Connector-#562 Door Roller Switch |
$6.03
|
1 |
|
usually ships 30-43 days |
32 |
350-0249
|
Start/Fill Rocker Switch Amber 115V |
$31.86
|
1 |
|
ships same day |
33 |
350-0360
|
Switch Cord 18 AWG SOOW |
$1.42
|
3 feet |
|
usually ships 30-43 days |
34 |
350-0575
|
1/4-20 x 3/4 Hexhead Bolt |
$0.90
|
4 |
|
usually ships 30-43 days |
35 |
350-0587
|
1/4 Lock Star Washer |
$0.90
|
4 |
|
usually ships 30-43 days |
36 |
350-0573
|
1/4-20 Nylon Lock Nut |
$0.90
|
4 |
|
ships same day |
37 |
350-0355
|
Control Box Lid Handle |
$6.16
|
1 |
|
usually ships 30-43 days |
38 |
350-0750
|
Timer Support Tab |
$5.48
|
1 |
|
usually ships 30-43 days |
39 |
350-0323
|
Toggle Switch Rubber Boot |
$4.80
|
4 |
|
ships same day |
40 |
350-0374
|
Roller Door Switch |
$108.72
|
1 |
|
usually ships 30-43 days |
41 |
350-0591
|
8-32 Nylon Lock Nut |
$0.93
|
1 |
|
usually ships 30-43 days |
42 |
350-0241
|
Peristaltic Pump Cover |
$8.04
|
3 |
|
ships same day |