| # | Part | Description | Price | Req | Notes | Availability |
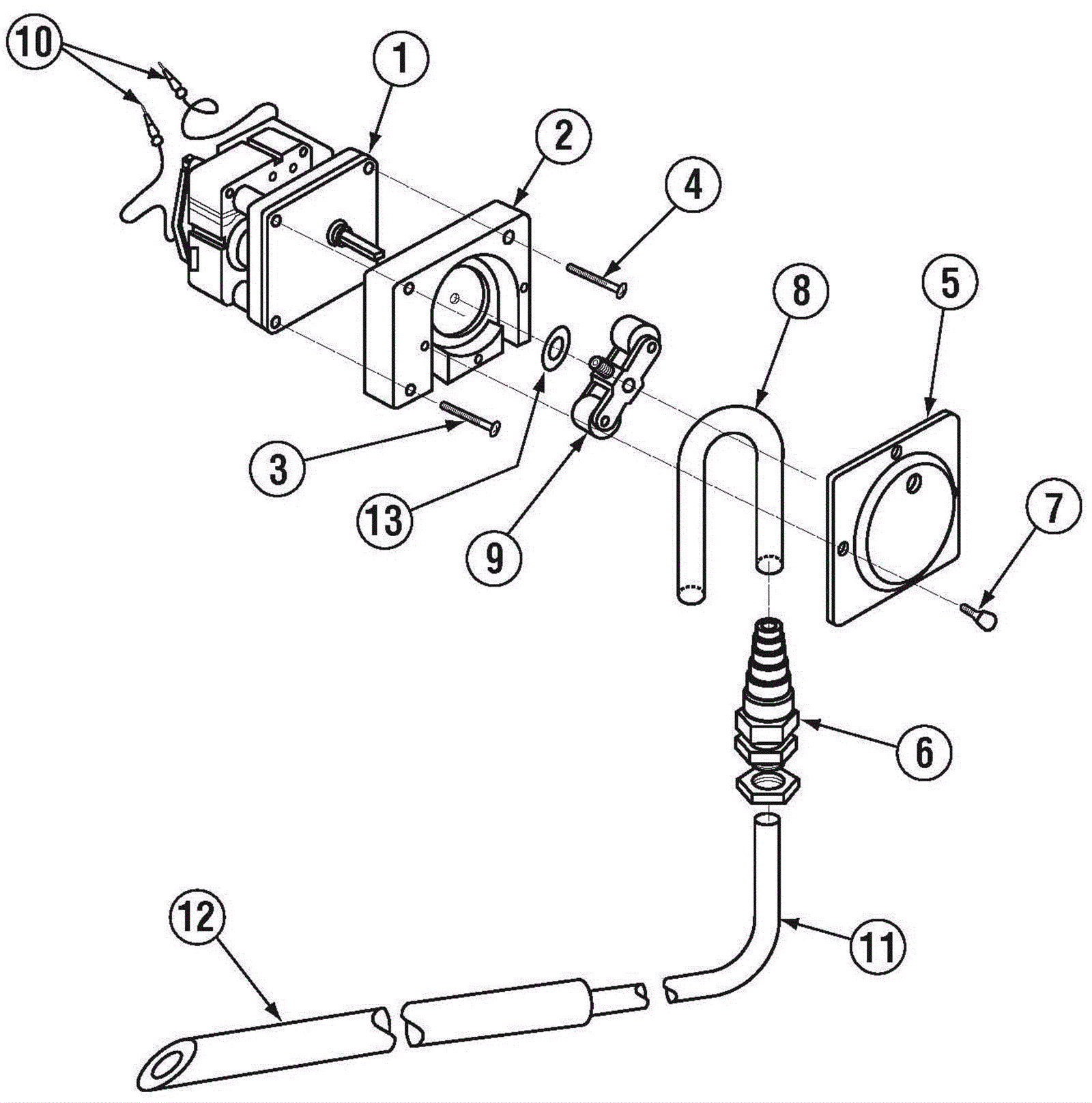
1 |
350-0237
|
Peri Pump Motor 50RPM 115V/60Hz |
$102.00
|
1 |
|
ships same day |
2 |
350-0240
|
Peristaltic Pump Block (Black) |
$15.83
|
1 |
|
ships same day |
3 |
350-0582
|
10-32 x 1 1/2 Panhead Bolt |
$0.90
|
2 |
|
usually ships 30-43 days |
4 |
350-0581
|
10-32 x 1 1/2 Phillips Flat Head |
$0.90
|
1 |
|
usually ships 30-43 days |
5 |
350-0241
|
Peristaltic Pump Cover |
$8.04
|
1 |
|
ships same day |
6 |
350-1176
|
Flex Tight Fitting |
$8.13
|
1 |
|
ships same day |
7 |
350-0570
|
8-32 x 1/2 Panhead Screw |
$0.90
|
4 |
|
usually ships 30-43 days |
8 |
350-1098
|
Squeeze Tube Norprene 8 inch |
$9.37
|
1 |
|
ships same day |
9 |
350-0242
|
Peristaltic Pump Rotor Assy |
$51.68
|
1 |
|
ships same day |
10 |
350-0305
|
Male Barrel Connector 16-14 Gauge |
$0.90
|
2 |
|
usually ships 30-43 days |
11a |
350-0264
|
Chem Tubing Blue (50 Ft/ Coils) |
$41.78
|
1 |
|
ships same day |
11b |
350-0265
|
Chem Tubing Red (50 Ft / Coils) |
$34.81
|
1 |
|
usually ships 30-43 days |
12 |
350-0299
|
Tube Stiffener |
$5.06
|
3 |
|
ships same day |
13 |
350-0261
|
Rotor Spacer |
$0.90
|
1 |
|
usually ships 30-43 days |