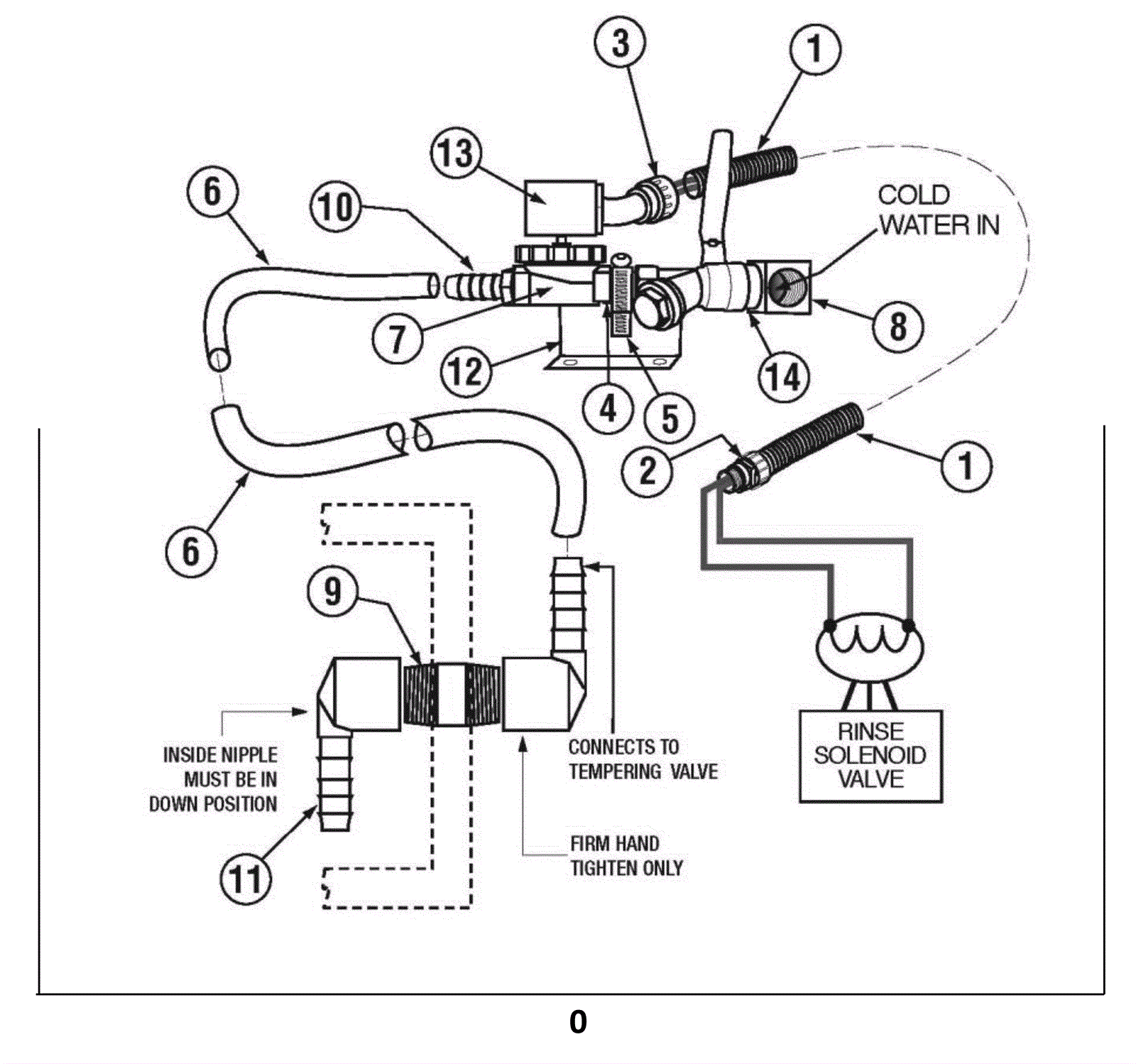
Drain Water Tempering Kit - Optional
Click to enlarge