| # | Part | Description | Price | Req | Notes | Availability |
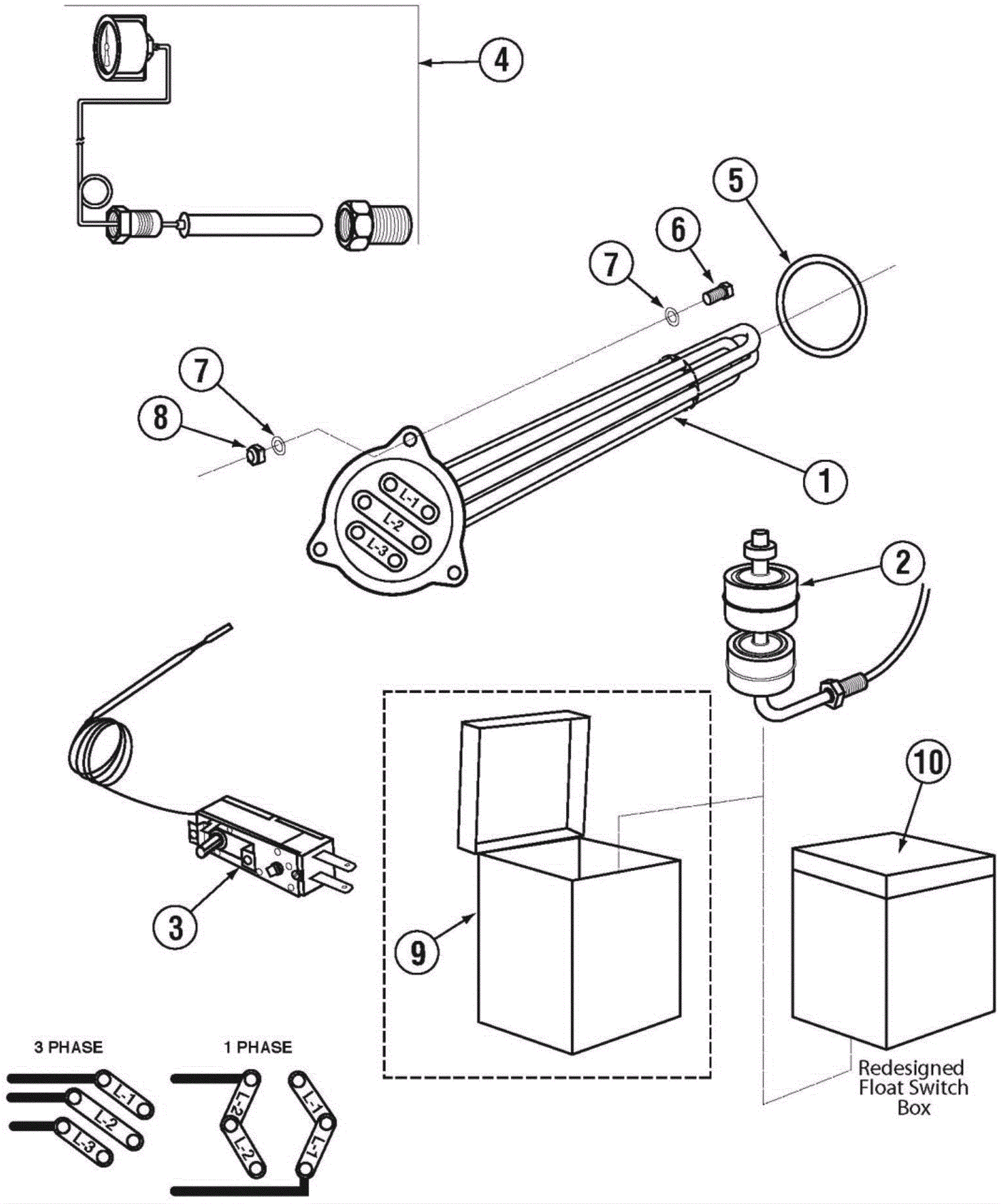
1a |
350-1486
|
Immersion Heater 12kW 480V T-Flange |
$751.20
|
1 |
|
usually ships 30-43 days |
1b |
350-1490
|
Immersion Heater 10kW 208V T-Flange |
$586.34
|
1 |
(single phase) |
usually ships 30-43 days |
1c |
350-1492
|
Immersion Heater 13kW 208V T-Flange |
$596.71
|
1 |
(3 phase) |
usually ships 30-43 days |
2 |
350-1511
|
EST-44/66 Dual Float Switch |
$292.56
|
1 |
|
ships same day |
3 |
350-1475
|
Heater Thermostat |
$106.24
|
1 |
|
ships same day |
4 |
350-1143
|
Thermometer (Capillary) |
$139.11
|
1 |
|
usually ships 30-43 days |
5 |
350-1817
|
Red Silicone Heater Gasket |
$6.28
|
1 |
|
usually ships 30-43 days |
6 |
350-0575
|
1/4-20 x 3/4 Hexhead Bolt |
$0.90
|
4 |
|
usually ships 30-43 days |
7 |
350-0589
|
1/4 SS Washer |
$0.90
|
8 |
|
ships same day |
8 |
350-0573
|
1/4-20 Nylon Lock Nut |
$0.90
|
4 |
|
ships same day |
9 |
350-1716
|
Float Switch Box |
$80.16
|
1 |
|
usually ships 30-43 days |
10 |
350-1718
|
EST-44/66 Float Switch Box (3-16) |
$72.38
|
1 |
|
usually ships 30-43 days |