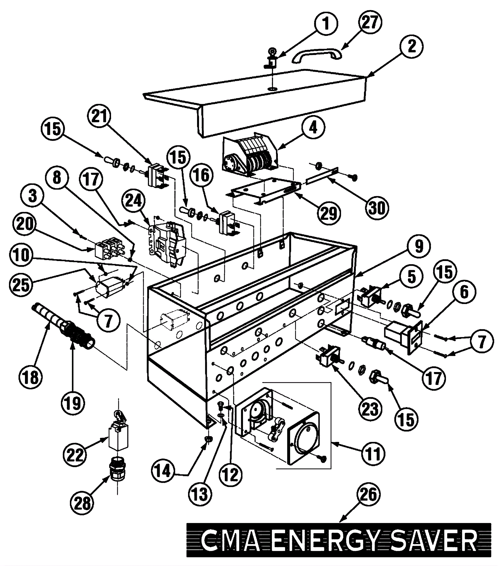
# | Part | Description | Price | Req | Notes | Availability |
1 |
350-0307
|
Lock and Key |
$15.44
|
1 |
|
usually ships 30-43 days |
2 |
350-0705
|
Control Box Lid (E/EST) 2010 |
$60.98
|
1 |
|
usually ships 30-43 days |
3 |
350-0572
|
8-32 x 3/8 Panhead Screw |
$0.90
|
5 |
|
usually ships 30-43 days |
4 |
350-0205
|
Timer 90 Sec VA 8 Cam 115V/60Hz |
$296.09
|
1 |
|
usually ships 30-43 days |
5 |
350-1183
|
Toggle Switch (Moment) .25 Flat Term |
$16.01
|
1 |
|
usually ships 30-43 days |
6 |
350-1170
|
Counter - Panel Mount 115V/60Hz |
$38.63
|
1 |
|
usually ships 30-43 days |
7 |
350-0565
|
6-32 x 1/2 SS Panhead Screw |
$0.90
|
4 |
|
usually ships 30-43 days |
8 |
350-0580
|
8-32 PM Nut |
$0.28
|
4 |
|
usually ships 30-43 days |
9 |
350-0700
|
Control Box (E/Est) 2015 Taller |
$240.62
|
1 |
|
usually ships 30-43 days |
10 |
350-0579
|
6-32 PM Nut |
$0.90
|
4 |
|
usually ships 30-43 days |
11 |
350-0234
|
Peri Pump Assy 50 RPM 115V/60Hz |
$173.16
|
3 |
|
usually ships 30-43 days |
12 |
350-0562
|
1/4-20 x 1/2 Hexhead Bolt |
$0.90
|
4 |
|
usually ships 30-43 days |
13 |
350-0589
|
1/4 SS Washer |
$0.90
|
4 |
|
ships same day |
14 |
350-0573
|
1/4-20 Nylon Lock Nut |
$0.90
|
4 |
|
ships same day |
15 |
350-0323
|
Toggle Switch Rubber Boot |
$4.80
|
5 |
|
ships same day |
16 |
350-0324
|
Toggle Switch DPST 20 Amp |
$20.59
|
1 |
|
usually ships 30-43 days |
17 |
350-0198
|
Control Box Light .5 inch Dia Red 115V/60 |
$10.98
|
2 |
|
usually ships 1-5 days |
18 |
350-0184
|
Conduit 3/8 Sealtite |
$2.10
|
1 |
|
usually ships 1-5 days |
19 |
350-0187
|
St-3/8 Straight Connector |
$5.00
|
3 |
|
usually ships 1-5 days |
20 |
350-0311
|
3 Pole Socket Terminal Block |
$17.97
|
1 |
|
usually ships 30-43 days |
21 |
350-0330
|
Toggle Switch DPDT 20 Amp/Delimer |
$23.00
|
1 |
|
usually ships 30-43 days |
22 |
350-0374
|
Roller Door Switch |
$108.72
|
1 |
|
usually ships 30-43 days |
23 |
350-1182
|
Toggle Switch (Momentary) Screw Term |
$15.88
|
4 |
|
usually ships 30-43 days |
24 |
350-0195
|
Motor Contactor 115V 20 Amp SP |
$59.80
|
1 |
|
usually ships 30-43 days |
25 |
350-0444
|
120V ice cube relay |
$27.00
|
1 |
|
usually ships 30-43 days |
27 |
350-0355
|
Control Box Lid Handle |
$6.16
|
1 |
|
usually ships 30-43 days |
28 |
350-0379
|
Connector-#562 Door Roller Switch |
$6.03
|
1 |
|
usually ships 30-43 days |
29 |
350-0699
|
Control Box (E/EST) Timer Mount |
$17.50
|
1 |
|
usually ships 30-43 days |
30 |
350-0751
|
Timer Support Tab (E/EST) 2010 |
$4.34
|
1 |
|
usually ships 30-43 days |