| # | Part | Description | Price | Req | Notes | Availability |
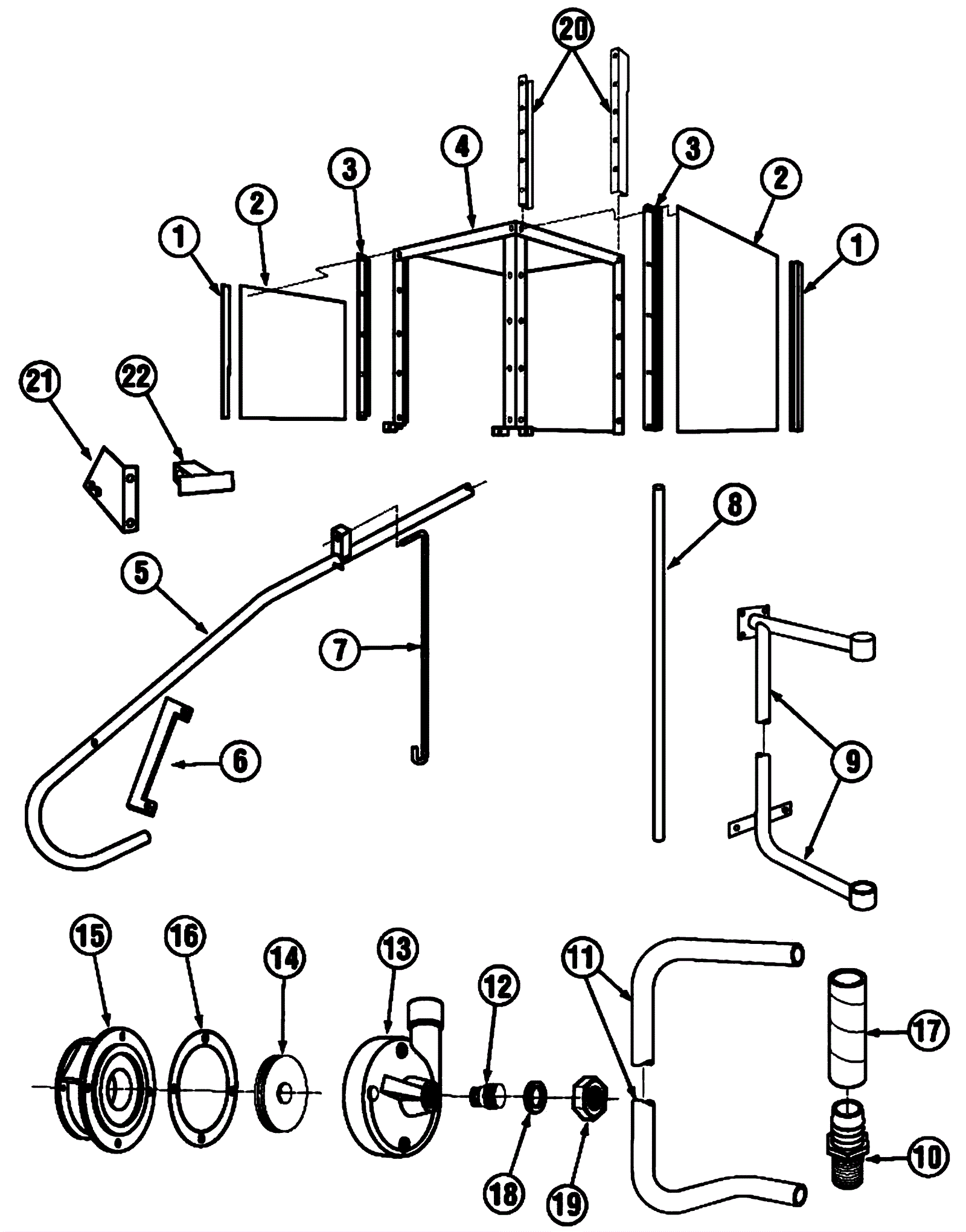
1 |
350-0452
|
EZ Glide Door Guide 36 1/4 inch (180T) |
$29.26
|
6 |
|
usually ships 30-43 days |
2 |
350-1919
|
CMA-180 Scullery Door |
$416.04
|
3 |
|
usually ships 30-43 days |
3 |
350-1963
|
CMA-180 Scullery Door Guide 34 3/4 inch |
$50.60
|
6 |
|
usually ships 30-43 days |
5 |
350-0422
|
Door Handle CMA-180T Straight Unit |
$584.95
|
1 |
|
usually ships 30-43 days |
6 |
350-0784
|
Door Handle Link (S) 2010 |
$40.12
|
2 |
|
usually ships 30-43 days |
7 |
350-0395
|
Door Spring Extension Rod(CMA-180T) Left |
$45.09
|
2 |
|
usually ships 30-43 days |
8 |
350-1308
|
Booster Heater Water Line CMA-180T |
$46.08
|
2 |
|
usually ships 30-43 days |
9 |
350-1898
|
CMA-180T Final Rinse Manifold |
$320.22
|
1 |
|
usually ships 30-43 days |
10 |
350-2113
|
1 inch MPT x 1 inch Barb Brass (180T units) |
$28.88
|
1 |
|
usually ships 1-5 days |
12 |
350-0099
|
1 1/2 inch x 1 1/4 inch Adapter |
$33.54
|
1 |
|
usually ships 1-5 days |
13 |
350-0090
|
Pump Cover Large |
$235.76
|
1 |
|
usually ships 1-5 days |
14 |
350-0088
|
Impeller Closed 4 1/2 inch |
$167.06
|
1 |
|
usually ships 1-5 days |
15 |
350-0086
|
Pump Base |
$187.20
|
1 |
|
usually ships 1-5 days |
16 |
350-0091
|
Pump Gasket 4 Hole Round |
$11.61
|
1 |
|
usually ships 30-43 days |
17 |
350-1130
|
Transfer Hose 1 inch Reinforced (PER FT) |
$14.72
|
1 |
|
usually ships 30-43 days |
18 |
350-0098
|
Slip Joint Nut O-Ring Gasket Buna |
$0.98
|
1 |
|
ships same day |
19 |
350-0096
|
Slip Joint Nut 1 1/2 x 1 1/4 |
$14.82
|
1 |
|
usually ships 1-5 days |
21 |
350-0381
|
Door Switch Bracket (8-08) |
$18.54
|
1 |
|
usually ships 30-43 days |
22 |
350-0383
|
Door Switch Actuator CMA-180T (1-10) |
$65.72
|
1 |
|
usually ships 30-43 days |
23 |
350-0391
|
Door Spring - Heavy Duty |
$29.30
|
2 |
|
usually ships 30-43 days |