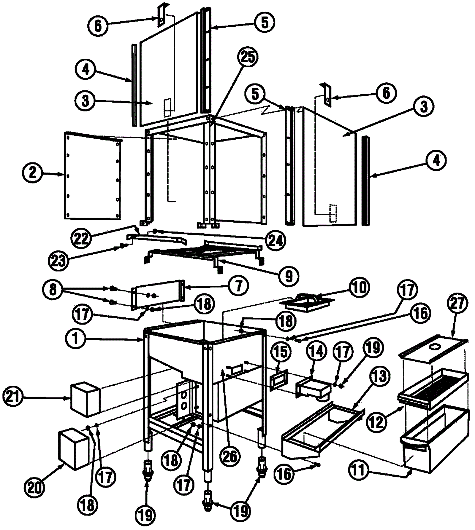
| # | Part | Description | Price | Req | Notes | Availability |
2 |
350-1928
|
CMA-180 Door Panel - Corner |
$295.84
|
1 |
|
usually ships 30-43 days |
3 |
350-1912
|
Door - Ext - CMA-180 - CMA |
$329.98
|
2 |
|
usually ships 30-43 days |
4 |
350-0450
|
EZ Glide Door Guide 26 1/4 inch |
$19.74
|
4 |
|
ships same day |
5 |
350-1962
|
SS Door Guide 24 3/8 inch |
$26.14
|
4 |
|
usually ships 30-43 days |
6 |
350-1960
|
CMA-180 Door Stop |
$12.01
|
2 |
|
usually ships 30-43 days |
7 |
350-1936
|
Air Gap Baffle CMA-180 C |
$84.42
|
1 |
|
usually ships 30-43 days |
8 |
350-0561
|
1/4-20 x 1/2 Trusshead Bolt |
$0.90
|
4 |
|
usually ships 30-43 days |
9 |
350-0711
|
Tray Track (EST/EC/EVAC/CMA-180) |
$334.00
|
1 |
|
usually ships 30-43 days |
10 |
350-1937
|
CMA-180 Strainer Basket |
$181.26
|
2 |
|
usually ships 30-43 days |
11 |
350-0806
|
Scrap Trap Body (Poly Pro) |
$160.24
|
1 |
|
usually ships 30-43 days |
12 |
350-0807
|
Scrap Trap Drawer SS |
$97.52
|
1 |
|
ships same day |
13 |
350-1967
|
CMA-180 Scrap Trap Holder |
$129.60
|
1 |
|
usually ships 30-43 days |
15 |
350-1899
|
CMA-180 Overflow Gasket |
$7.75
|
1 |
|
usually ships 30-43 days |
16 |
350-0562
|
1/4-20 x 1/2 Hexhead Bolt |
$0.90
|
24 |
|
usually ships 30-43 days |
17 |
350-0589
|
1/4 SS Washer |
$0.90
|
56 |
|
ships same day |
18 |
350-0573
|
1/4-20 Nylon Lock Nut |
$0.90
|
30 |
|
ships same day |
19 |
350-0665
|
Adjustable Socket Foot |
$13.50
|
4 |
|
usually ships 30-43 days |
20 |
350-1942
|
CMA-180 Wash Tank Heater Cover |
$69.92
|
1 |
|
usually ships 30-43 days |
22 |
350-0715
|
Corner Tray Track Bolt-On Rail |
$33.36
|
1 |
|
usually ships 30-43 days |
23 |
350-0605
|
10-32 x 5/8 Panhead Screw |
$0.90
|
2 |
|
usually ships 30-43 days |
24 |
350-1208
|
10-32 Lock Nut |
$0.90
|
2 |
|
usually ships 30-43 days |
26 |
350-1951
|
CMA-180 Pan (Feb 2012) |
$1,560.00
|
1 |
|
usually ships 30-43 days |
27 |
350-0808
|
Molded Scrap Trap Lid - SS |
$57.45
|
1 |
|
usually ships 30-43 days |
N/S |
350-2221
|
Corner kit |
$813.05
|
1 |
|
usually ships 30-43 days |