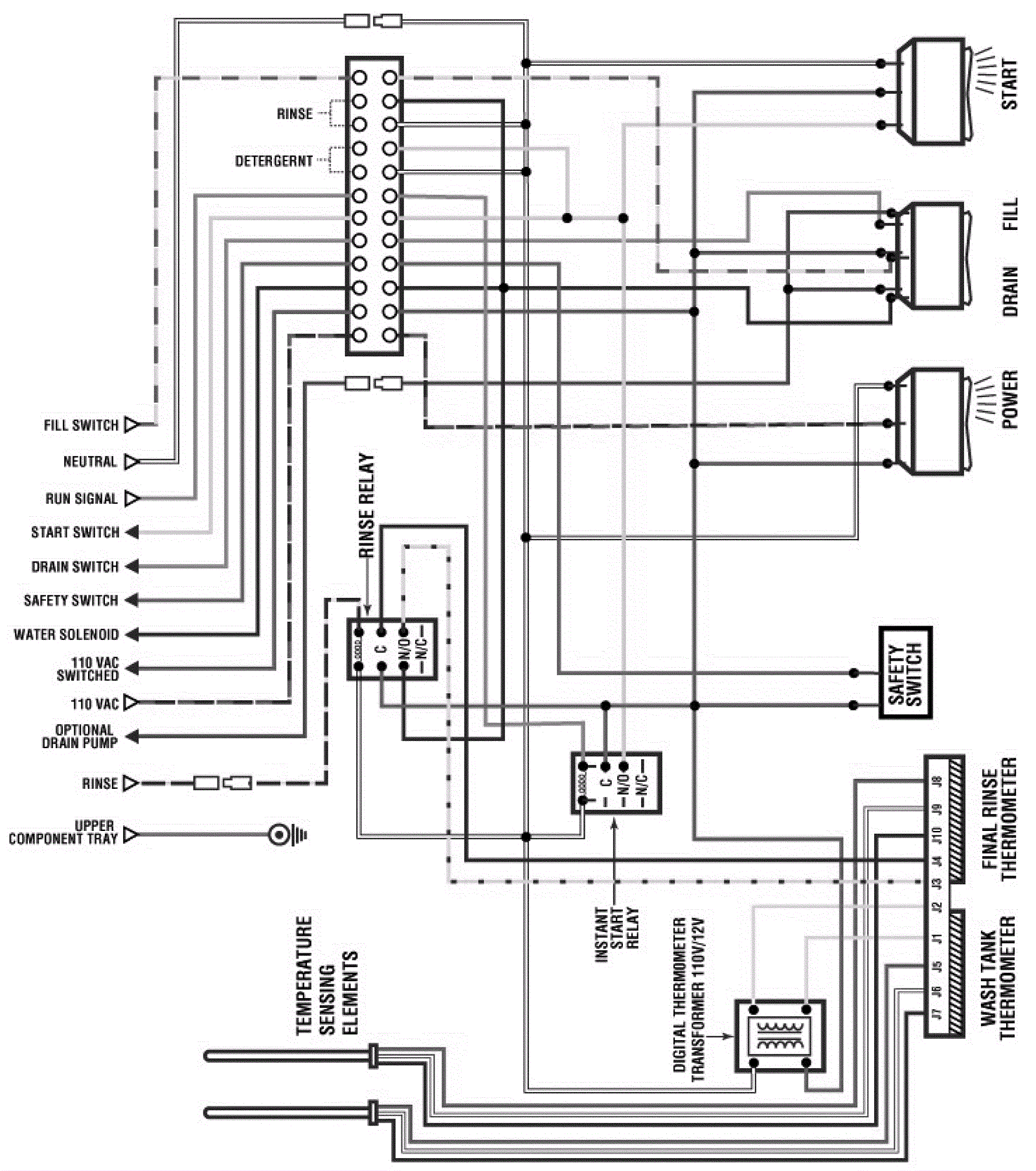
Control Panel Wiring Diagram
Click to enlarge