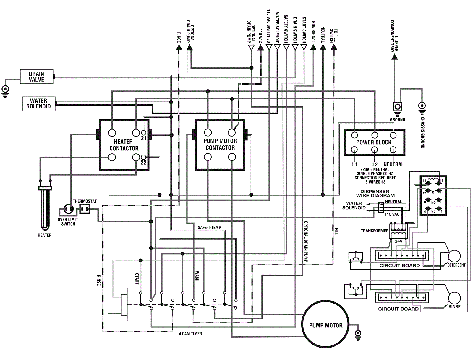
Wiring Diagram - Part 1
Click to enlarge