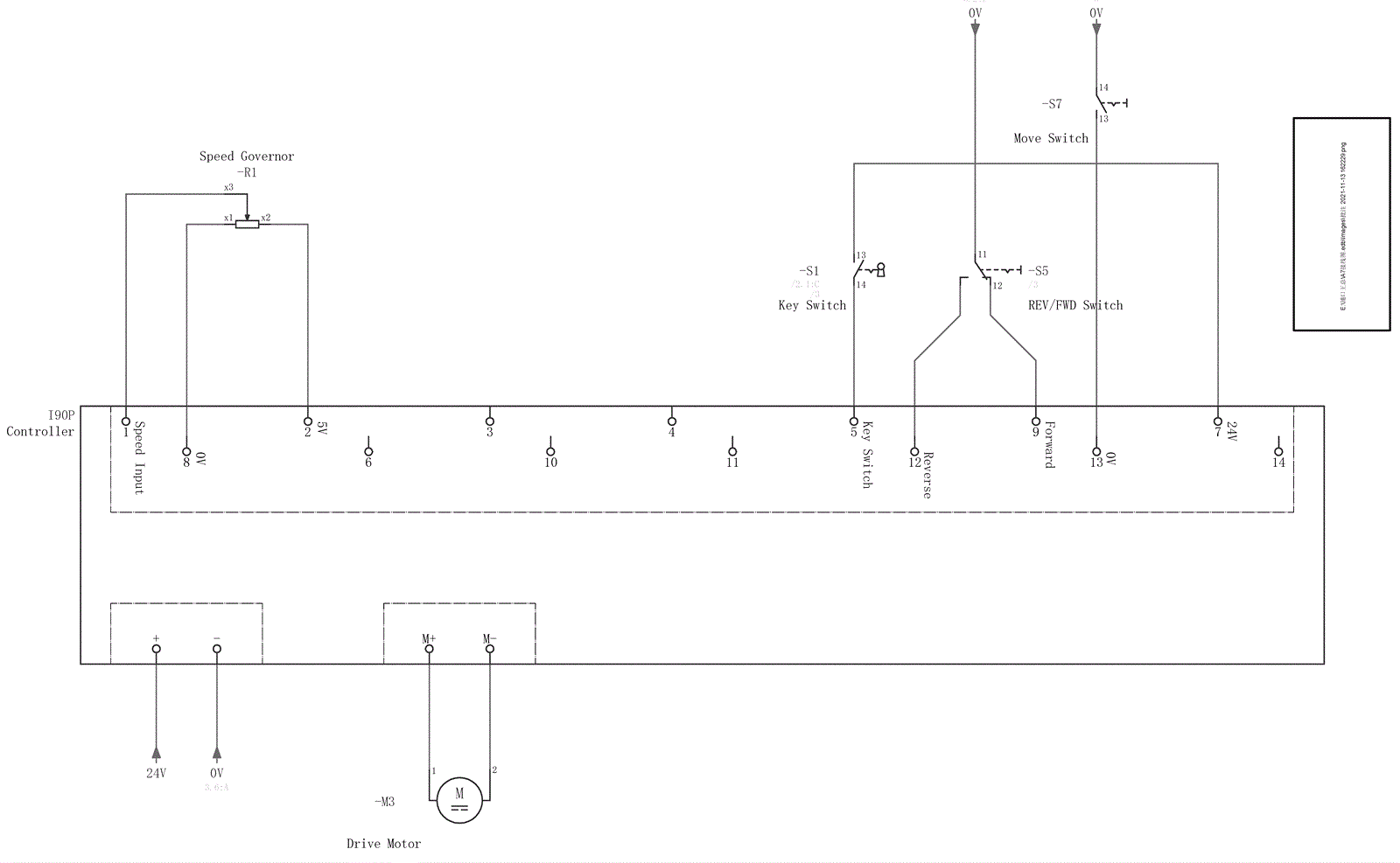
Wiring Diagram-2
Click to enlarge