| # | Part | Description | Price | Req | Notes | Availability |
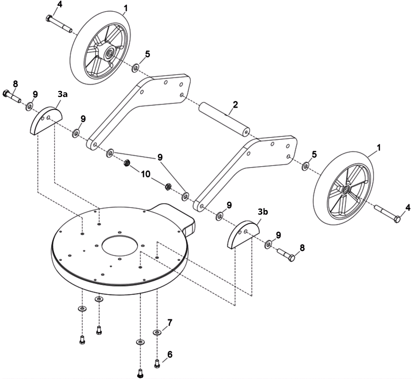
1 |
326-0019
|
10 inch wheel |
$124.55
|
2 |
|
usually ships 10-12 days |
2 |
326-0020
|
Wheel rod |
$166.11
|
1 |
|
usually ships 10-12 days |
3a |
326-0021
|
Left hand ear |
$105.28
|
1 |
|
usually ships 10-12 days |
3b |
326-0022
|
Right hand ear with pin |
$160.40
|
1 |
|
usually ships 10-12 days |
4 |
326-0023
|
Screw 1/2-13 x 3 3/4 inch hex head |
$5.06
|
2 |
|
usually ships 10-12 days |
5 |
326-0024
|
Washer |
$0.99
|
2 |
|
usually ships 10-12 days |
6 |
326-0018
|
Screw 3/8-16 x 3/4 inch hex head grade 8 ss |
$0.99
|
4 |
|
usually ships 10-12 days |
7 |
999-1530
|
Washer 3/8 flat nylon |
$0.99
|
4 |
|
ships same day |
8 |
326-0025
|
Screw 1/2-13 x 2 1/4 inch hex head |
$3.81
|
2 |
|
usually ships 10-12 days |
9 |
326-0026
|
Washer |
$0.99
|
6 |
|
usually ships 10-12 days |
10 |
999-9119
|
Nut 1/2-13 nylon hex jam |
$1.98
|
2 |
|
usually ships 16-20 days |