| # | Part | Description | Price | Req | Notes | Availability |
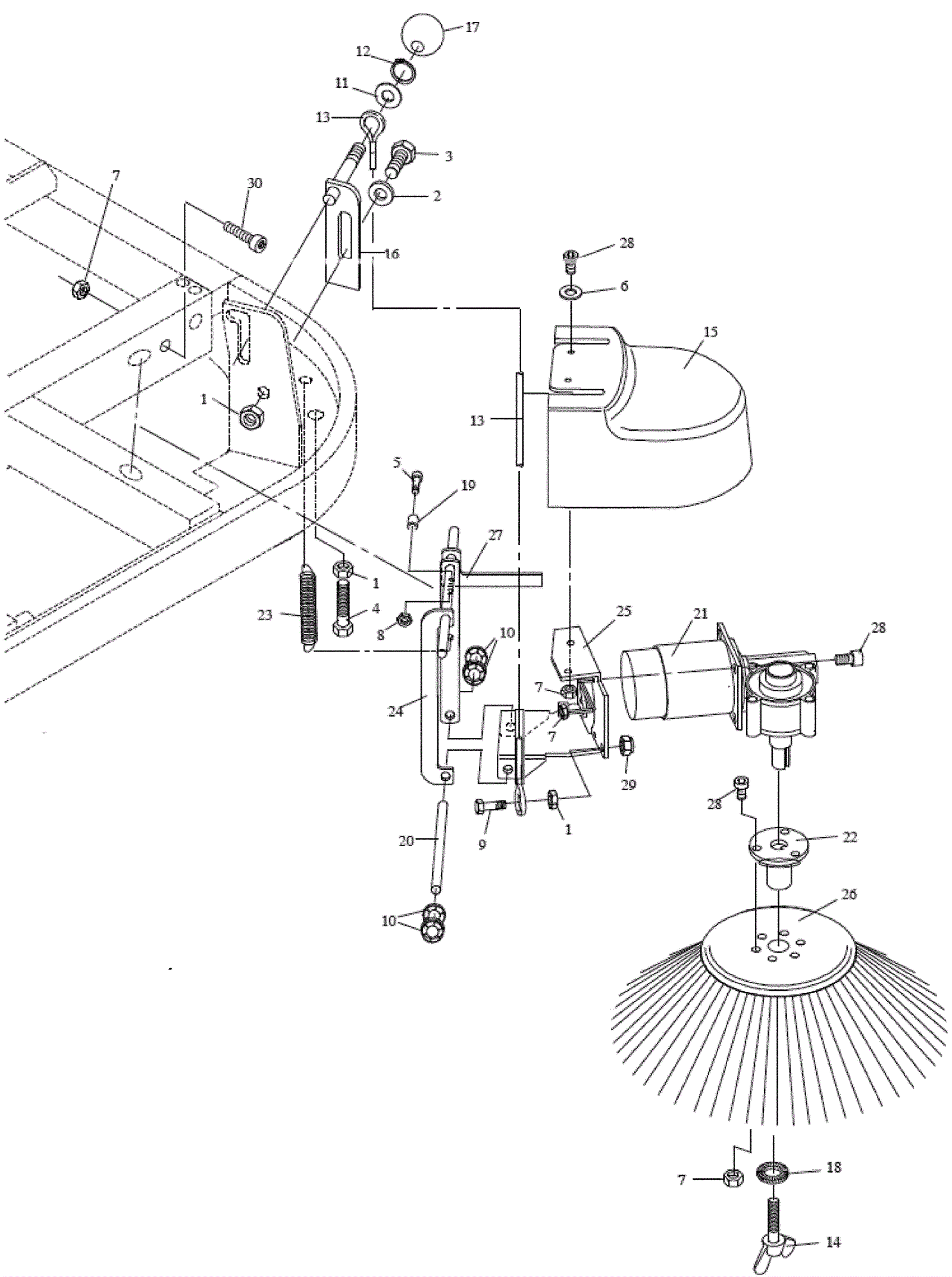
1 |
192-0347
|
Nut M8 hex |
$0.89
|
1 |
|
ships same day |
3 |
192-0153
|
Screw M8 x 20mm hex head |
$0.89
|
1 |
|
ships same day |
7 |
192-0151
|
Nut M6 hex |
$2.56
|
3 |
|
ships same day |
14 |
292-9125
|
Wing nut M6 x 16 |
$8.72
|
1 |
|
usually ships 19-25 days |
15 |
292-9436
|
Cover |
$130.13
|
1 |
|
usually ships 19-25 days |
16 |
292-9433
|
Plate |
$118.28
|
1 |
|
usually ships 19-25 days |
17 |
292-9435
|
Handle ball 40 |
$34.18
|
1 |
|
usually ships 19-25 days |
21 |
292-9437
|
24V gear motor 90w |
$1,038.36
|
1 |
|
usually ships 19-25 days |
26 |
192-6422
|
PPN standard side brush |
$193.92
|
1 |
|
usually ships 19-25 days |
30 |
192-7559
|
Screw M6 x 45/24 socket head |
$2.56
|
2 |
|
usually ships 19-25 days |