| # | Part | Description | Price | Req | Notes | Availability |
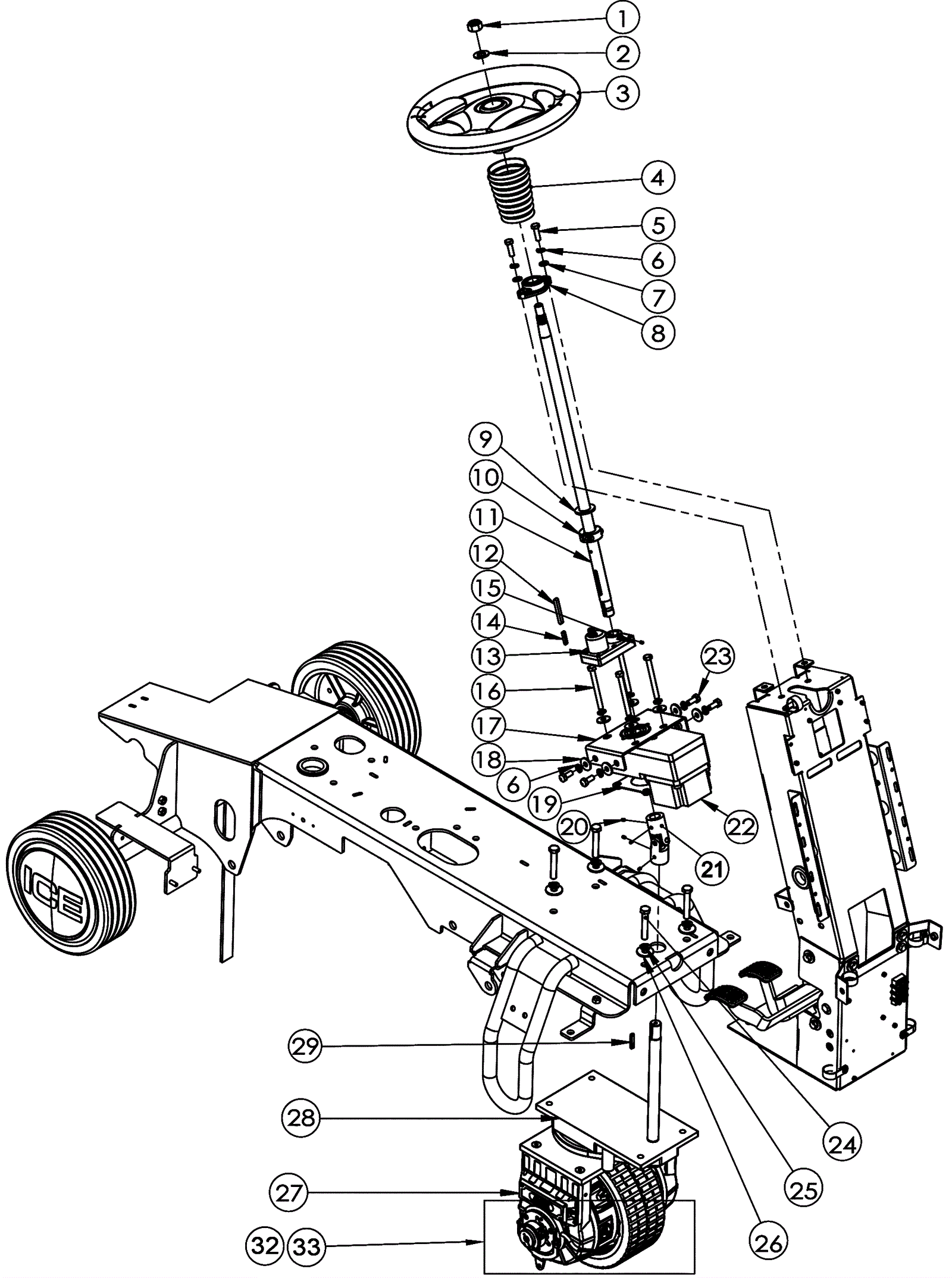
1 |
278-0328
|
Lock nut |
$3.65
|
1 |
|
ships same day |
2 |
278-1209
|
Washer 14 x 32 x 1.5 plain |
$3.65
|
1 |
|
ships same day |
3a |
278-0329
|
Steering wheel |
$153.43
|
1 |
(does not include hub order 3b) |
ships same day |
3b |
288-0159
|
Steering wheel adapter hub |
$86.35
|
1 |
(does not include steering wheel order 3a) |
ships same day |
4 |
278-0330
|
Steering shaft bellow |
$13.16
|
1 |
|
ships same day |
5 |
999-0501
|
Bolt M8-1.25 x 25mm hex head full thread stainless steel |
$2.64
|
3 |
|
ships same day |
6 |
999-0674
|
Washer M8 split lock plain finish |
$0.99
|
17 |
|
ships same day |
7 |
999-9097
|
Washer M8 flat stainless steel |
$0.99
|
2 |
|
ships same day |
8 |
278-0331
|
Flange bearing |
$115.50
|
1 |
|
usually ships 27-41 days |
9 |
288-0140
|
Large delrin washer |
$6.34
|
1 |
|
usually ships 27-41 days |
10 |
288-0174
|
20mm clamping shaft collar |
$27.41
|
1 |
|
ships same day |
11 |
288-0153
|
Steering shaft |
$69.15
|
1 |
|
ships same day |
12 |
288-0139
|
Key |
$4.81
|
1 |
|
ships same day |
13 |
288-0138
|
Set screw M4 x 6 |
$3.17
|
2 |
|
usually ships 17-18 days |
14 |
278-0249
|
Square keyway |
$3.65
|
1 |
|
ships same day |
15 |
288-0137
|
Steering encoder |
$433.53
|
1 |
|
ships same day |
16 |
999-9079
|
Screw M8 x 80mm hex head stainless steel |
$4.41
|
4 |
|
ships same day |
17 |
288-0136
|
Motor mount bracket |
$31.64
|
1 |
|
ships same day |
18 |
999-6695
|
Washer M8 fender stainless steel |
$0.99
|
19 |
|
ships same day |
19 |
288-0135
|
Motor clamping plate (OBSOLETE) |
$43.52
|
1 |
|
usually ships 17-18 days |
20 |
999-6712
|
Screw M5-.8 x 8mm socket cup point set |
$1.43
|
4 |
|
ships same day |
21 |
278-0334
|
U joint |
$122.74
|
1 |
|
ships same day |
22 |
288-0134
|
Steering column motor assembly |
$853.51
|
1 |
|
ships same day |
23 |
999-1133
|
Bolt M8-1.25 x 20mm hex head full thread plain |
$0.99
|
12 |
|
ships same day |
24 |
999-1429
|
Bolt M10-1.5 x 60mm hex head stainless steel |
$4.50
|
4 |
|
ships same day |
25 |
999-1081
|
Washer M10 split lock stainless steel |
$1.09
|
4 |
|
ships same day |
26 |
999-6713
|
Washer M10 x 30mm flat stainless steel |
$0.99
|
4 |
|
ships same day |
27 |
288-0059
|
Drive wheel with encoder |
$1,382.85
|
1 |
(includes 32 and 33) |
ships same day |
28 |
288-0060
|
Steering chain system |
$1,073.91
|
1 |
|
ships same day |
29a |
288-0061
|
Key |
$7.30
|
1 |
(OEM) |
ships same day |
29b |
999-9284
|
Machine key 3/16 x 3/16 x 1-1/4 inch stainless steel |
$5.48
|
1 |
(NON-OEM) |
ships same day |
32 |
288-0062
|
Electrically released brake |
$358.29
|
1 |
|
ships same day |
33 |
288-0178
|
Traction encoder with cable kit |
$564.36
|
1 |
(Now includes encoder and cable) |
ships same day |