| # | Part | Description | Price | Req | Notes | Availability |
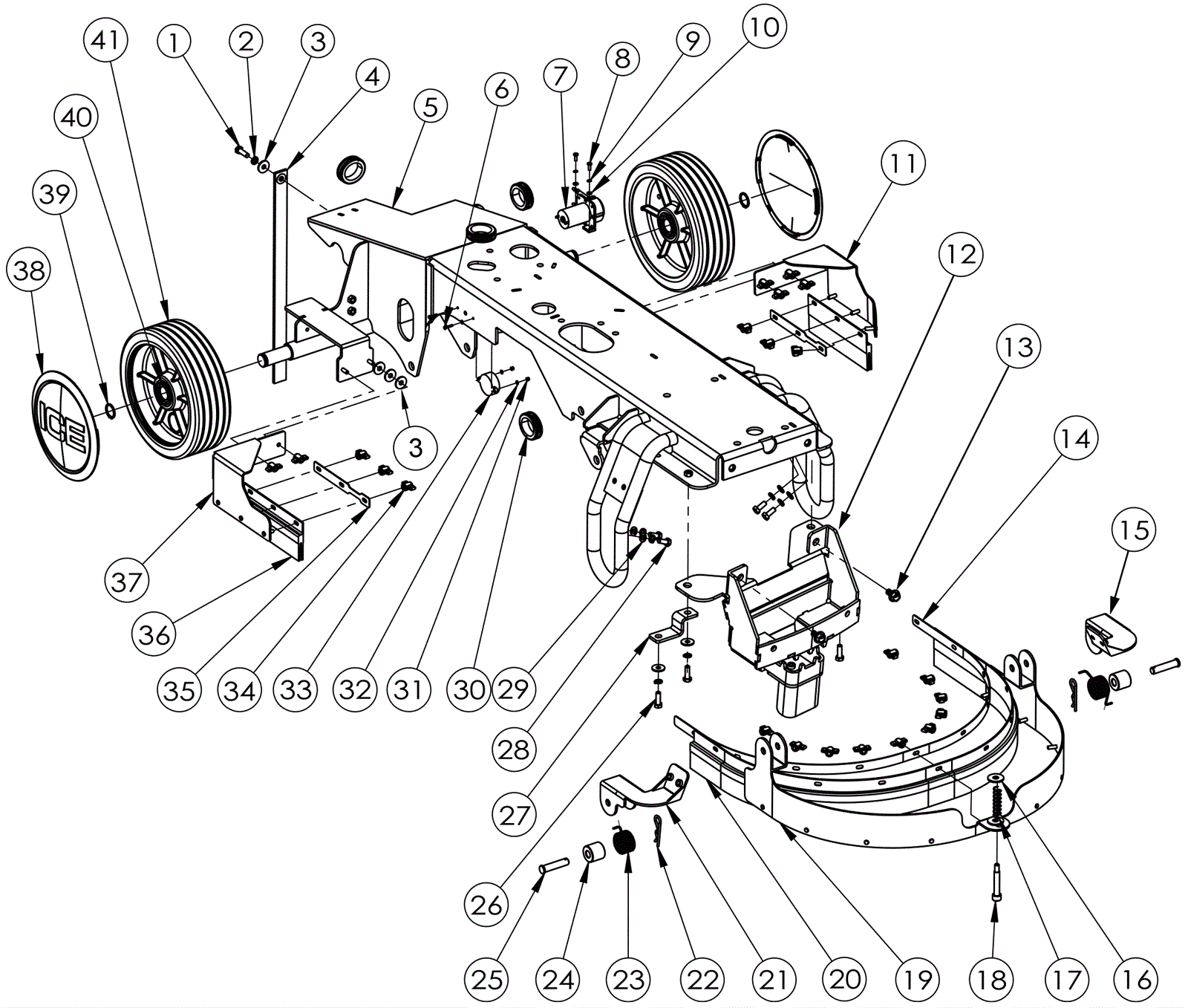
1 |
999-0501
|
Bolt M8-1.25 x 25mm hex head full thread stainless steel |
$2.64
|
1 |
|
ships same day |
2 |
999-0674
|
Washer M8 split lock plain finish |
$0.99
|
9 |
|
ships same day |
3 |
999-6695
|
Washer M8 fender stainless steel |
$0.99
|
8 |
|
ships same day |
4 |
278-0178
|
Static strap |
$7.30
|
1 |
|
ships same day |
5 |
288-0152
|
Main frame |
Call for price
|
1 |
|
ships same day |
6 |
999-1180
|
Screw M3-.5 x 16mm pan head stainless steel |
$0.99
|
2 |
|
ships same day |
7 |
278-0558
|
Detergent pump |
$245.45
|
1 |
|
ships same day |
8 |
999-1645
|
Screw M4-.7 x 12mm hex head stainless steel |
$1.29
|
2 |
|
ships same day |
9 |
999-1954
|
Washer M4 lock |
$0.99
|
2 |
|
ships same day |
10 |
999-9089
|
Washer M4 flat stainless steel |
$0.99
|
2 |
|
ships same day |
11 |
288-0156
|
Left hand rear wheel guard support bracket |
$101.20
|
1 |
|
ships same day |
12 |
288-0017
|
Jaws protection cage |
$316.89
|
1 |
|
ships same day |
13 |
999-1170
|
Bolt M10-1.5 x 20mm hex head stainless steel |
$3.06
|
2 |
|
ships same day |
14 |
288-0150
|
Retaining strap |
$25.30
|
1 |
|
ships same day |
15 |
288-0149
|
Left hand perimeter guard bracket |
$26.31
|
1 |
|
ships same day |
16 |
999-6713
|
Washer M10 x 30mm flat stainless steel |
$0.99
|
2 |
|
ships same day |
17 |
288-0148
|
Compression spring |
$6.34
|
1 |
|
ships same day |
18 |
288-0147
|
Shoulder bolt |
$12.65
|
1 |
|
ships same day |
19 |
288-0146
|
Front perimeter guard support bracket |
$202.40
|
1 |
|
ships same day |
20 |
288-0158
|
Brush strip |
$99.95
|
1 |
|
ships same day |
21 |
288-0145
|
Right hand perimeter guard bracket |
$26.31
|
1 |
|
ships same day |
22 |
278-0587
|
Cotter pin |
$3.65
|
2 |
|
ships same day |
23 |
288-0144
|
Torsional spring |
$12.14
|
2 |
|
ships same day |
24 |
288-0143
|
Spacer |
$5.57
|
2 |
|
ships same day |
25 |
288-0142
|
Pin |
$5.12
|
2 |
|
ships same day |
26 |
999-0501
|
Bolt M8-1.25 x 25mm hex head full thread stainless steel |
$2.64
|
4 |
|
ships same day |
27 |
288-0141
|
Stand bracket |
$88.25
|
2 |
|
usually ships 17-18 days |
28 |
999-1133
|
Bolt M8-1.25 x 20mm hex head full thread plain |
$0.99
|
4 |
|
ships same day |
29 |
999-9097
|
Washer M8 flat stainless steel |
$0.99
|
4 |
|
ships same day |
30 |
278-0327
|
Rubber grommet |
$7.30
|
4 |
|
usually ships 27-41 days |
31 |
999-1161
|
Nut M3-.5 hex nylock stainless steel |
$0.99
|
2 |
|
ships same day |
32 |
999-1521
|
Washer M3 flat stainless steel |
$0.99
|
4 |
|
ships same day |
33 |
278-0561
|
Horn kit |
$14.63
|
1 |
|
ships same day |
34 |
278-0468
|
Knob |
$7.30
|
20 |
|
ships same day |
35 |
288-0015
|
Clamp |
$5.39
|
2 |
|
ships same day |
36 |
288-0157
|
Brush strip |
$36.10
|
2 |
|
ships same day |
37 |
288-0009
|
Right hand rear wheel guard support bracket |
$126.50
|
1 |
|
ships same day |
38 |
278-0324
|
Wheel cap |
$32.85
|
2 |
|
ships same day |
39 |
278-0325
|
Retaining ring |
$3.65
|
2 |
|
ships same day |
40 |
278-0560
|
Ball bearing |
$18.41
|
2 |
|
ships same day |
41 |
278-0326
|
10 inch wheel |
$378.49
|
2 |
|
ships same day |