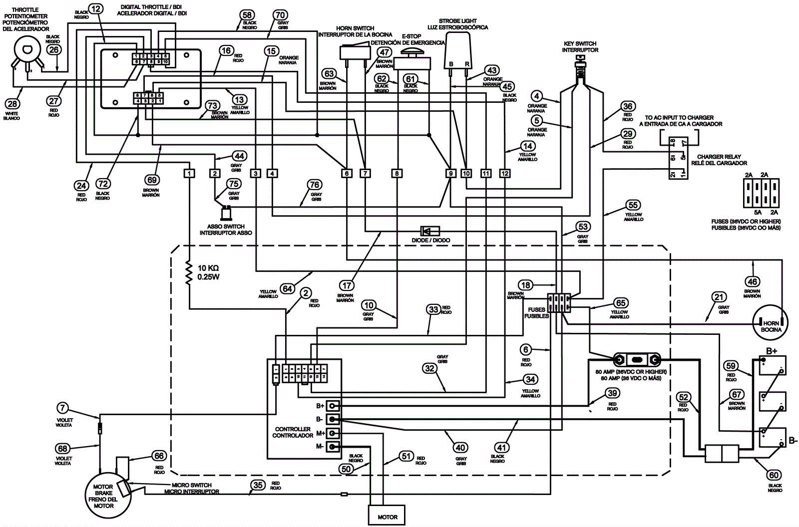
Wiring Diagram (From Version 1.7)
Click to enlarge