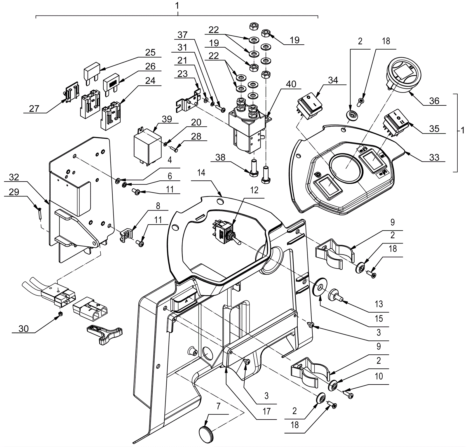
CB50
Control Panel Assembly
Click to enlarge
#
Part
Description
Price
Req
Notes
Availability
4
999-9100
Washer M5 flat stainless steel
$5.83
2
ships same day
24
250-1259
Fuseholder
$16.08
2
usually ships 12-17 days