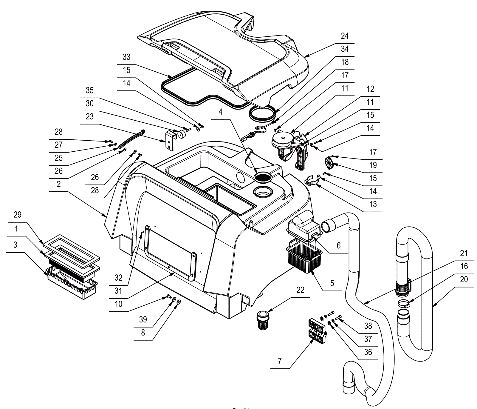
Recovery Tank Assembly
Click to enlarge