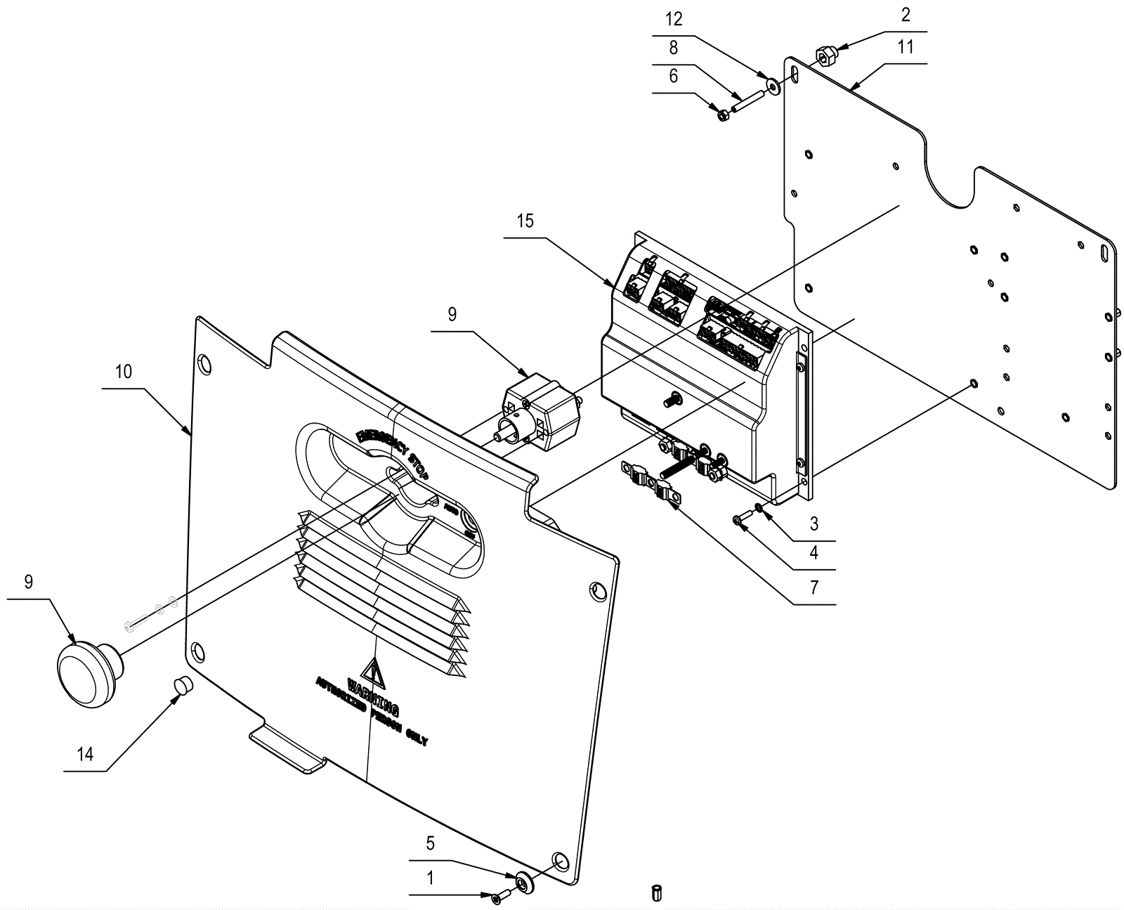
Electrical Board Assembly
Click to enlarge