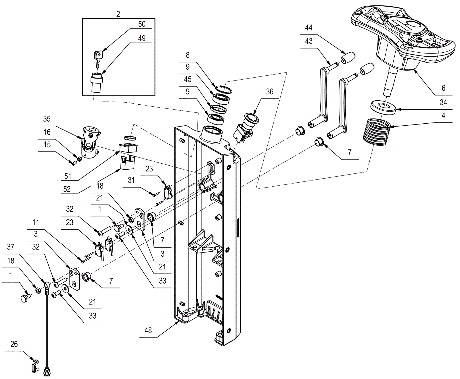
Steering Assembly - Part 1
Click to enlarge
#
Part
Description
Price
Req
Notes
Availability
9
250-1152
Bearing
$9.90
2
usually ships 1-5 days