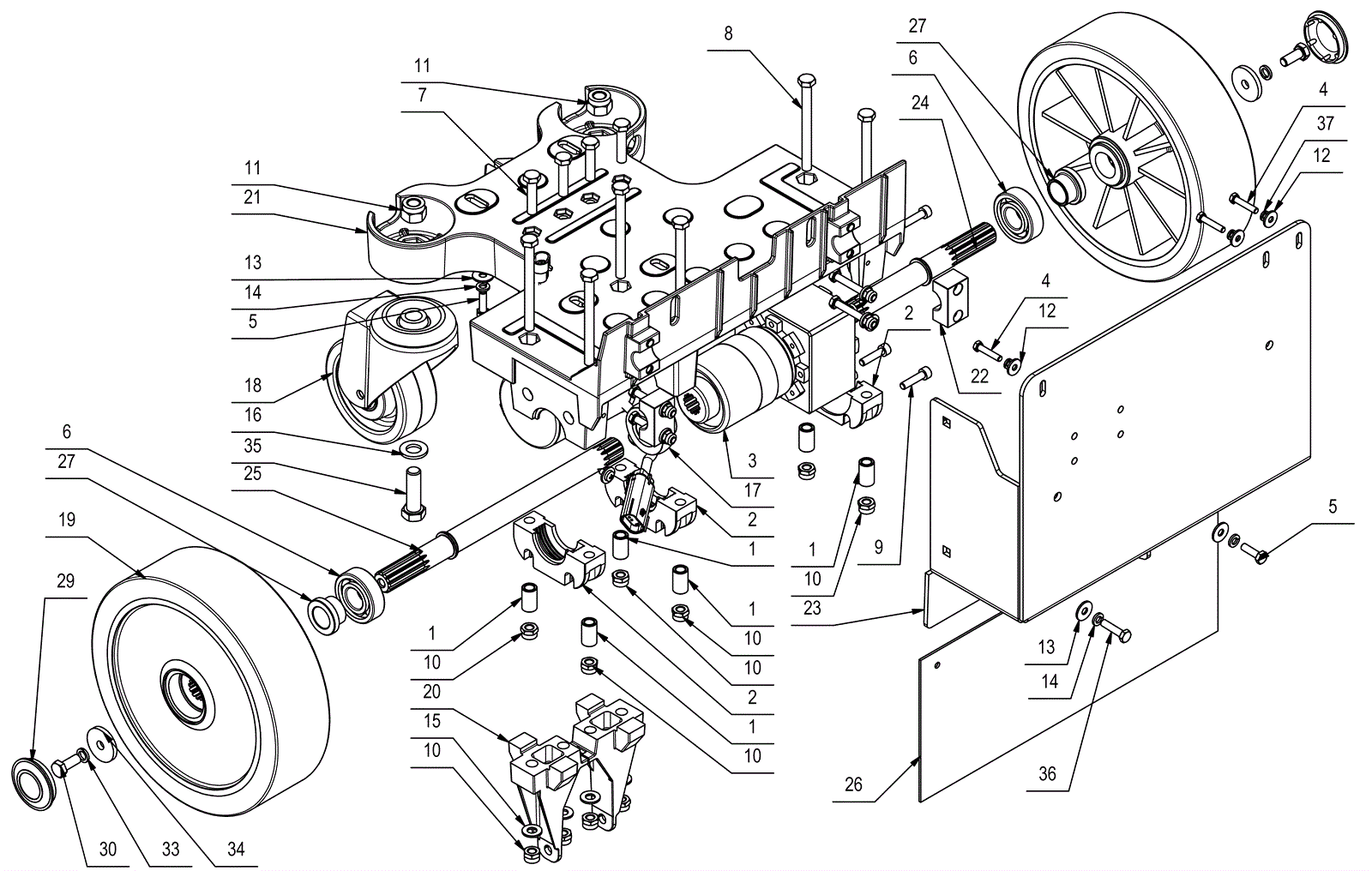
TRIDENT T20SC PRO ORB
Chassis Assembly
Click to enlarge
#
Part
Description
Price
Req
Notes
Availability
9
999-1300
Screw M6-1 x 25mm socket head stainless steel
$1.10
4
usually ships 1-5 days
34
250-1320
Washer
$12.84
2
usually ships 12-17 days