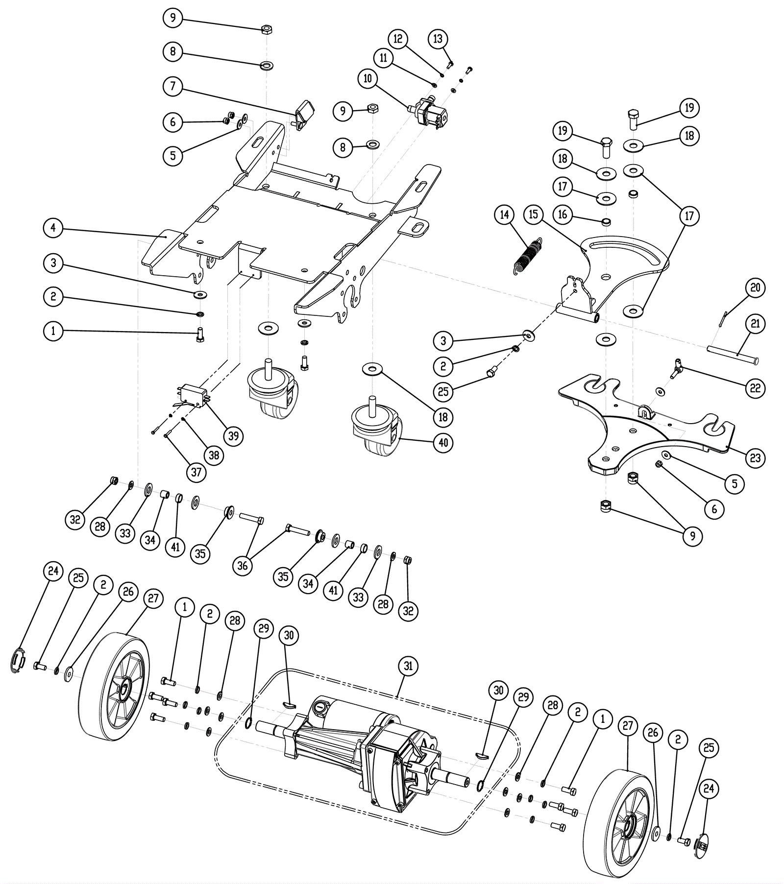
| # | Part | Description | Price | Req | Notes | Availability |
1 |
999-1133
|
Bolt M8-1.25 x 20mm hex head full thread plain |
$0.99
|
12 |
|
ships same day |
2 |
999-0674
|
Washer M8 split lock plain finish |
$0.99
|
15 |
|
ships same day |
3 |
999-6695
|
Washer M8 fender stainless steel |
$0.99
|
5 |
|
ships same day |
4 |
278-0155
|
Main frame |
$460.26
|
1 |
|
usually ships 27-41 days |
5 |
999-1803
|
Washer M6 flat fender stainless steel |
$0.99
|
4 |
|
ships same day |
6 |
999-0497
|
Nut M6-1 nylon insert lock stainless steel |
$0.99
|
3 |
|
ships same day |
7 |
278-0156
|
Pedal locking bracket |
$13.16
|
1 |
|
usually ships 27-41 days |
8 |
278-0157
|
Washer |
$3.65
|
4 |
|
usually ships 27-41 days |
9 |
999-0519
|
Nut M12-1.75 nylon insert lock stainless steel |
$3.85
|
4 |
|
ships same day |
10 |
278-2193
|
24V solenoid valve |
$57.40
|
1 |
|
usually ships 27-41 days |
11 |
999-9089
|
Washer M4 flat stainless steel |
$0.99
|
2 |
|
ships same day |
12 |
999-1954
|
Washer M4 lock |
$0.99
|
2 |
|
ships same day |
13 |
999-1645
|
Screw M4-.7 x 12mm hex head stainless steel |
$1.29
|
4 |
|
ships same day |
14 |
278-0161
|
Spring |
$7.30
|
1 |
|
ships same day |
15 |
278-0162
|
Squeegee lift bracket |
$87.03
|
1 |
|
usually ships 27-41 days |
16 |
278-1364
|
Axle sleeve |
$3.65
|
2 |
|
usually ships 27-41 days |
17 |
278-0164
|
Thrust washer |
$4.84
|
4 |
|
usually ships 27-41 days |
18 |
278-0119
|
Washer |
$3.65
|
4 |
|
usually ships 27-41 days |
19 |
278-0165
|
Bolt M12 x 30mm |
$3.65
|
2 |
|
usually ships 27-41 days |
20 |
278-0166
|
Cotter |
$3.65
|
1 |
|
usually ships 27-41 days |
21 |
278-0167
|
Pin |
$16.46
|
1 |
|
usually ships 27-41 days |
22 |
278-0168
|
Ball joint |
$18.41
|
1 |
|
usually ships 27-41 days |
23 |
278-0169
|
Squeegee mounting bracket |
$55.66
|
1 |
|
usually ships 27-41 days |
24 |
278-2028
|
Wheel cap (black) |
$3.65
|
2 |
|
usually ships 27-41 days |
25 |
999-0517
|
Bolt M8-1.25 x 16mm hex head full thread zinc |
$0.99
|
3 |
|
ships same day |
26 |
999-6695
|
Washer M8 fender stainless steel |
$0.99
|
2 |
|
ships same day |
27a |
278-0180
|
8 inch wheel |
$138.31
|
2 |
|
usually ships 27-41 days |
27b |
278-0182
|
8 inch foam filled wheel |
$272.95
|
2 |
|
ships same day |
27c |
278-0182
|
8 inch foam filled wheel |
$272.95
|
2 |
|
ships same day |
28 |
999-9097
|
Washer M8 flat stainless steel |
$0.99
|
10 |
|
ships same day |
29 |
278-0183
|
Retaining ring |
$3.65
|
2 |
|
usually ships 27-41 days |
30 |
278-0184
|
Woodruff key |
$3.65
|
2 |
|
usually ships 27-41 days |
31a |
278-0185
|
Transaxle kit |
$1,504.91
|
1 |
|
usually ships 27-41 days |
31b |
278-1365
|
Drive motor carbon brush |
$18.41
|
2 |
|
usually ships 27-41 days |
32 |
999-0496
|
Nut M8-1.25 nylon insert lock stainless steel |
$1.34
|
10 |
|
ships same day |
33 |
278-0174
|
Nylon spacer |
$3.65
|
4 |
|
usually ships 27-41 days |
34 |
278-0033
|
Spacer |
$8.91
|
2 |
|
usually ships 27-41 days |
35 |
278-0175
|
Bushing |
$7.30
|
2 |
|
usually ships 27-41 days |
36 |
999-0787
|
Bolt M8-1.25 x 40mm hex head full thread stainless steel |
$2.48
|
2 |
|
ships same day |
37 |
278-0090
|
Screw M3 x 25mm |
$3.65
|
2 |
|
usually ships 27-41 days |
38 |
278-0089
|
Washer M3 tooth |
$3.65
|
2 |
|
ships same day |
39 |
278-0176
|
Microswitch |
$76.71
|
1 |
|
ships same day |
40 |
278-0177
|
Swivel caster |
$182.67
|
2 |
|
ships same day |
41 |
278-0163
|
Sleeve |
$3.65
|
2 |
|
usually ships 27-41 days |