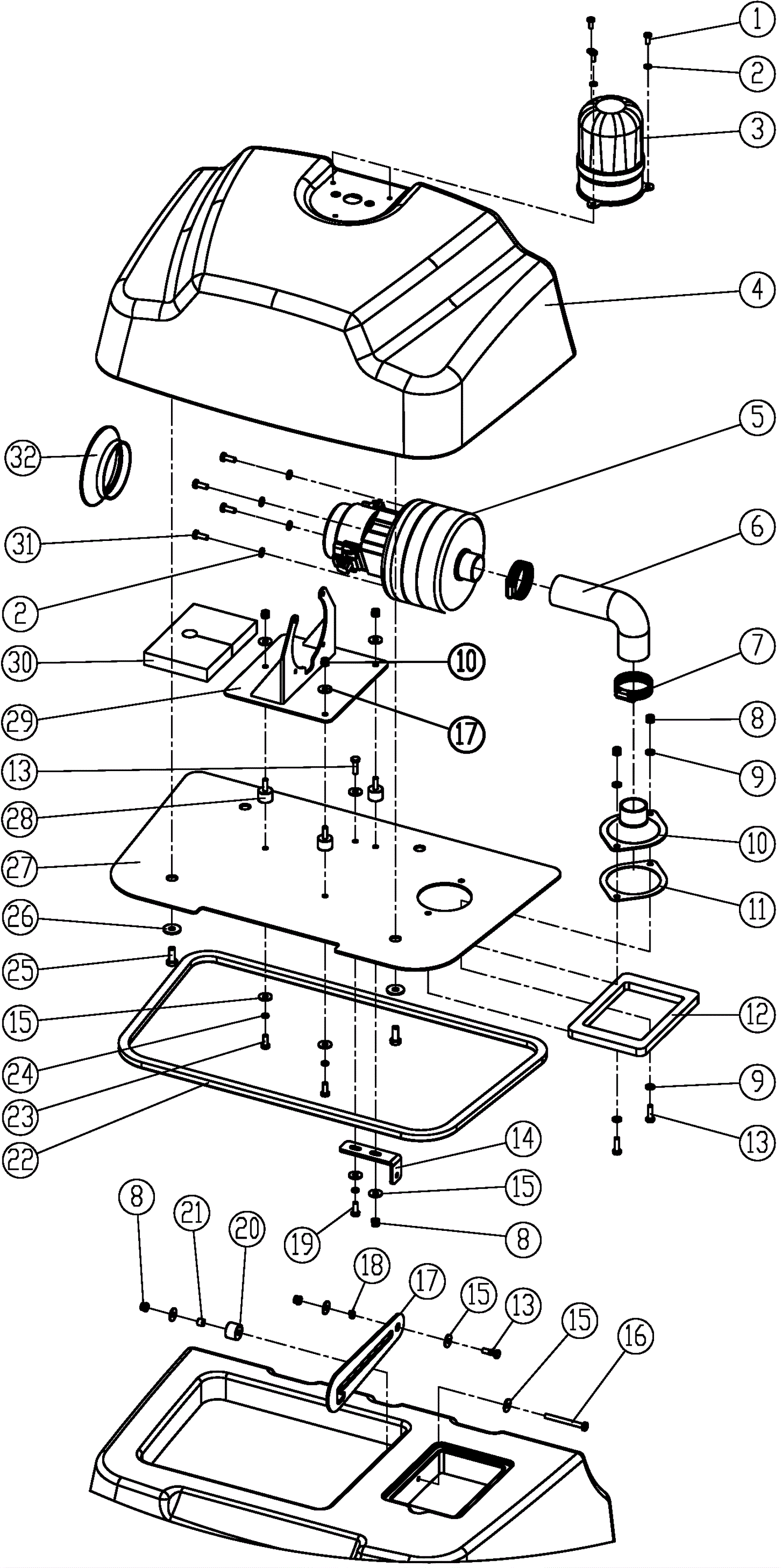
| # | Part | Description | Price | Req | Notes | Availability |
1 |
999-9109
|
Screw M5-.8 x 12mm pan head phillips stainless steel |
$0.99
|
3 |
|
ships same day |
2 |
999-9100
|
Washer M5 flat stainless steel |
$5.83
|
7 |
|
ships same day |
3 |
278-0643
|
Caution light kit |
$270.01
|
1 |
|
ships same day |
4 |
278-0373
|
Recovery tank cover |
$306.83
|
1 |
|
usually ships 27-41 days |
5a |
278-0526
|
24V 3 stage vacuum motor kit |
$540.61
|
1 |
|
ships same day |
5b |
278-1433
|
Carbon brush |
$18.41
|
2 |
|
usually ships 27-41 days |
5c |
278-0526
|
24V 3 stage vacuum motor kit |
$540.61
|
1 |
|
ships same day |
5d |
278-0552
|
Carbon brush (sold individually) |
$13.16
|
2 |
|
ships same day |
6 |
278-0526
|
24V 3 stage vacuum motor kit |
$540.61
|
1 |
|
ships same day |
7 |
278-0025
|
Hose clamp |
$3.65
|
2 |
|
ships same day |
8 |
999-0497
|
Nut M6-1 nylon insert lock stainless steel |
$0.99
|
8 |
|
ships same day |
9 |
999-6714
|
Washer M6 x 12mm flat stainless steel |
$0.99
|
4 |
|
ships same day |
10 |
278-0376
|
Vacuum hose adapter |
$3.65
|
1 |
|
ships same day |
11 |
278-0377
|
Gasket adapter |
$3.65
|
1 |
|
ships same day |
12 |
278-0378
|
Dust filter gasket |
$3.65
|
1 |
|
ships same day |
13 |
999-0502
|
Bolt M6-1 x 20mm hex head full thread zinc |
$0.99
|
4 |
|
ships same day |
14 |
278-0379
|
Bracket |
$18.41
|
1 |
|
ships same day |
15 |
999-1803
|
Washer M6 flat fender stainless steel |
$0.99
|
12 |
|
ships same day |
16 |
999-1169
|
Bolt M6-1 x 100mm hex head full thread plain finish |
$1.91
|
1 |
|
ships same day |
17 |
278-0380
|
Recovery tank cover support |
$24.55
|
1 |
|
usually ships 27-41 days |
18 |
278-0381
|
Sleeve |
$3.65
|
1 |
|
usually ships 27-41 days |
19 |
999-0507
|
Bolt M6-1 x 16mm hex head full thread plain finish |
$0.99
|
1 |
|
ships same day |
20 |
278-0382
|
Nylon spacer |
$18.41
|
1 |
|
usually ships 27-41 days |
21 |
278-0383
|
Sleeve |
$3.65
|
1 |
|
usually ships 27-41 days |
22 |
278-0384
|
Sealing strip |
$18.41
|
1 |
|
usually ships 27-41 days |
23 |
999-1908
|
Screw M6-1 x 10mm hex head stainless steel |
$0.99
|
2 |
|
ships same day |
24 |
999-1117
|
Washer M6 split lock stainless steel |
$0.99
|
3 |
|
ships same day |
25 |
999-1133
|
Bolt M8-1.25 x 20mm hex head full thread plain |
$0.99
|
4 |
|
ships same day |
27 |
278-0385
|
Vacuum motor mounting plate |
$76.71
|
1 |
|
ships same day |
28 |
278-0386
|
Isolater |
$7.30
|
3 |
|
ships same day |
29 |
278-0387
|
Vacuum motor bracket |
$50.09
|
1 |
|
ships same day |
30 |
278-0388
|
Insulation |
$3.65
|
1 |
|
ships same day |
31 |
278-0389
|
Screw |
$3.65
|
4 |
|
ships same day |
32 |
278-0390
|
Fan seal |
$7.30
|
1 |
|
ships same day |