| # | Part | Description | Price | Req | Notes | Availability |
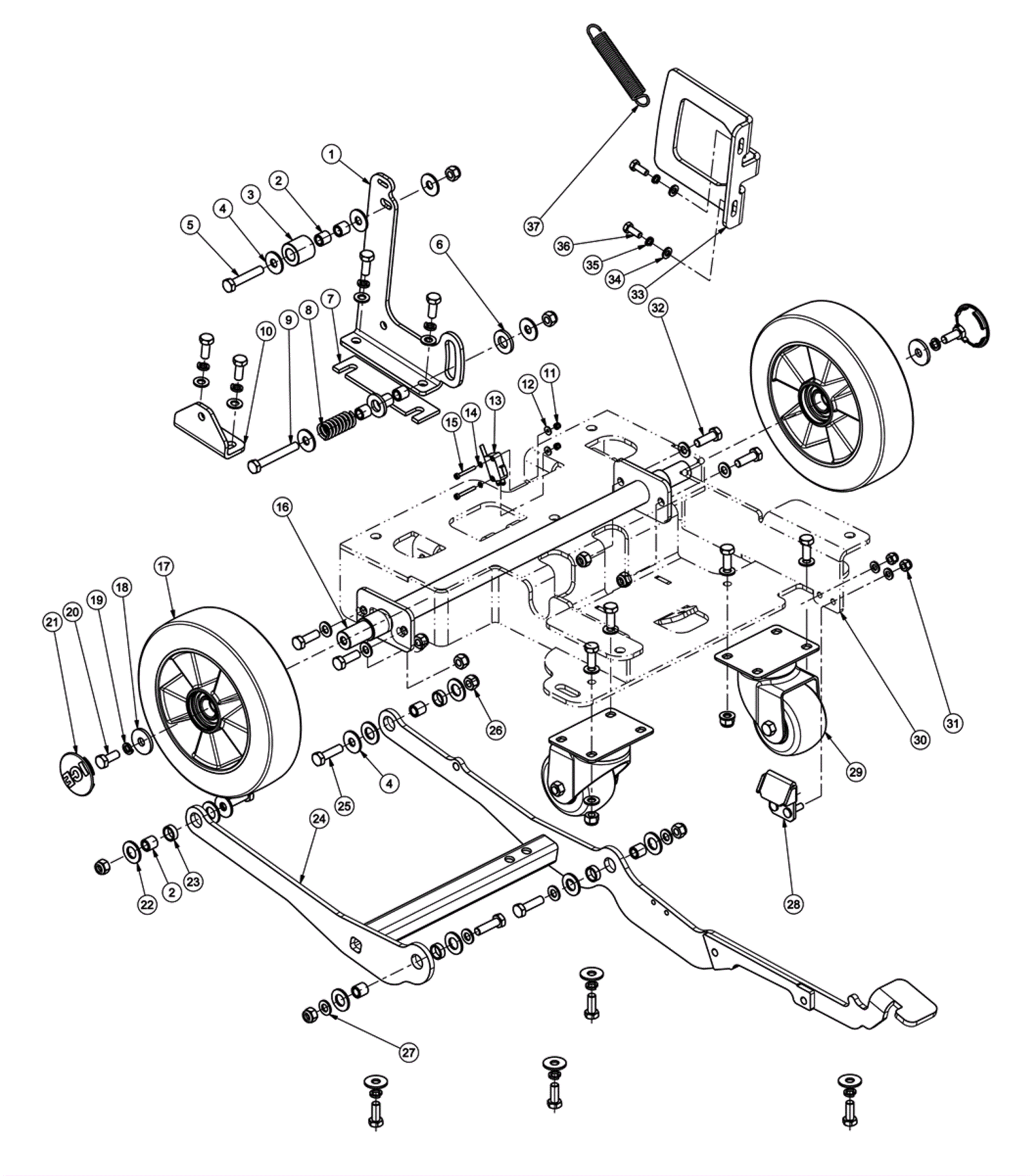
1 |
278-0278
|
Right hand bracket |
$28.03
|
1 |
|
ships same day |
2 |
278-0033
|
Spacer |
$8.91
|
9 |
|
usually ships 27-41 days |
3 |
278-0280
|
Roller |
$7.30
|
1 |
|
usually ships 27-41 days |
5 |
278-0219
|
Screw M8 |
$3.65
|
1 |
|
usually ships 27-41 days |
6 |
278-0055
|
Thrust bearing |
$3.65
|
2 |
|
usually ships 27-41 days |
7 |
278-0277
|
Spacer |
$7.30
|
1 |
|
usually ships 27-41 days |
8 |
278-0279
|
Spring |
$3.65
|
1 |
|
usually ships 27-41 days |
9 |
999-1155
|
Screw M8-1.25 x 60mm hex head |
$1.87
|
1 |
|
ships same day |
10 |
278-0276
|
Left hand bracket |
$18.41
|
1 |
|
usually ships 27-41 days |
11 |
278-0834
|
Self-locking nut M3 |
$3.65
|
2 |
|
usually ships 27-41 days |
12 |
999-1521
|
Washer M3 flat stainless steel |
$0.99
|
2 |
|
ships same day |
13 |
278-0134
|
Micro switch |
$3.65
|
1 |
|
usually ships 27-41 days |
14 |
278-0089
|
Washer M3 tooth |
$3.65
|
2 |
|
ships same day |
15 |
278-0880
|
Screw M3 x 25mm pan head |
$3.65
|
2 |
|
usually ships 27-41 days |
16 |
278-0881
|
Wheel shaft |
$42.97
|
1 |
|
usually ships 27-41 days |
17 |
278-0171
|
8 inch wheel |
$122.74
|
2 |
|
usually ships 27-41 days |
18 |
999-6695
|
Washer M8 fender stainless steel |
$0.99
|
2 |
|
ships same day |
19 |
999-0674
|
Washer M8 split lock plain finish |
$0.99
|
11 |
|
ships same day |
20 |
999-1133
|
Bolt M8-1.25 x 20mm hex head full thread plain |
$0.99
|
15 |
|
ships same day |
21 |
278-0170
|
Wheel cover |
$3.65
|
2 |
|
usually ships 27-41 days |
22 |
278-0174
|
Nylon spacer |
$3.65
|
8 |
|
usually ships 27-41 days |
23 |
278-0163
|
Sleeve |
$3.65
|
4 |
|
usually ships 27-41 days |
24 |
278-0882
|
Brush lifting lever (OBSOLETE) |
$167.33
|
1 |
|
usually ships 27-41 days |
25 |
999-0248
|
Bolt M8-1.25 x 30mm hex head full thread plain finish |
$0.99
|
4 |
|
ships same day |
26 |
999-0496
|
Nut M8-1.25 nylon insert lock stainless steel |
$1.34
|
14 |
|
ships same day |
27 |
999-9097
|
Washer M8 flat stainless steel |
$0.99
|
20 |
|
ships same day |
28 |
278-0156
|
Pedal locking bracket |
$13.16
|
1 |
|
usually ships 27-41 days |
29 |
278-0883
|
3 inch caster |
$91.85
|
2 |
|
usually ships 27-41 days |
30 |
278-0884
|
Chassis |
$403.55
|
1 |
|
usually ships 27-41 days |
31 |
999-0497
|
Nut M6-1 nylon insert lock stainless steel |
$0.99
|
2 |
|
ships same day |
32 |
999-0501
|
Bolt M8-1.25 x 25mm hex head full thread stainless steel |
$2.64
|
4 |
|
ships same day |
33 |
278-0885
|
Brush guiding bracket |
$18.41
|
1 |
|
usually ships 27-41 days |
34 |
999-6714
|
Washer M6 x 12mm flat stainless steel |
$0.99
|
4 |
|
ships same day |
35 |
999-1117
|
Washer M6 split lock stainless steel |
$0.99
|
2 |
|
ships same day |
36 |
999-0507
|
Bolt M6-1 x 16mm hex head full thread plain finish |
$0.99
|
2 |
|
ships same day |
37 |
278-0281
|
Spring |
$7.30
|
1 |
|
usually ships 27-41 days |