| # | Part | Description | Price | Req | Notes | Availability |
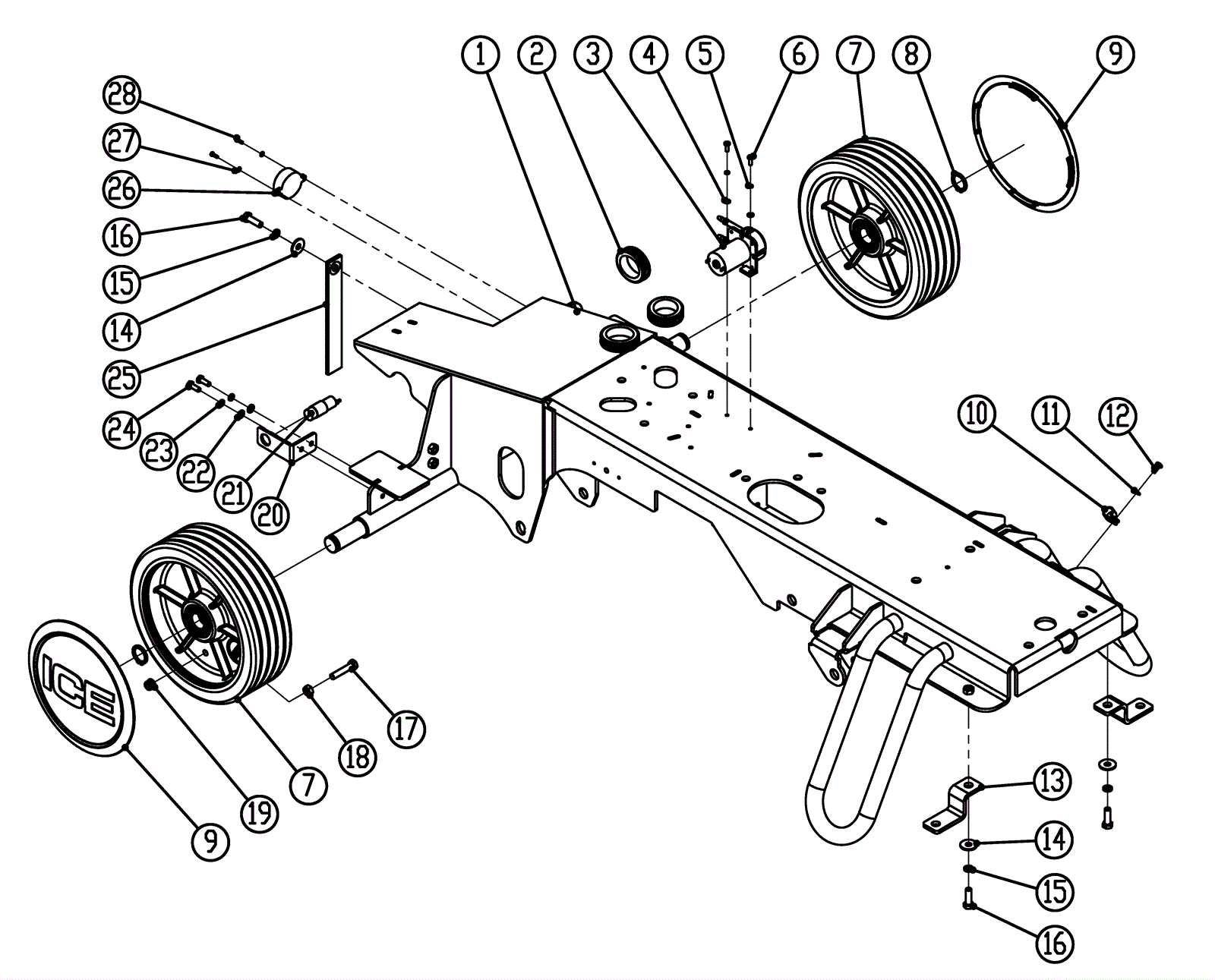
1 |
278-0553
|
Main frame weldment |
$1,073.91
|
1 |
|
usually ships 27-41 days |
2 |
278-0327
|
Rubber grommet |
$7.30
|
5 |
|
usually ships 27-41 days |
3a |
278-0558
|
Detergent pump |
$245.45
|
1 |
|
usually ships 27-41 days |
3b |
278-0559
|
Pump tubing |
$22.31
|
1 |
|
usually ships 27-41 days |
4 |
999-9089
|
Washer M4 flat stainless steel |
$0.99
|
2 |
|
ships same day |
5 |
999-1954
|
Washer M4 lock |
$0.99
|
2 |
|
ships same day |
6 |
999-1645
|
Screw M4-.7 x 12mm hex head stainless steel |
$1.29
|
2 |
|
ships same day |
7a |
278-0326
|
10 inch wheel |
$378.49
|
2 |
|
ships same day |
7b |
278-0560
|
Ball bearing |
$18.41
|
4 |
|
ships same day |
8 |
278-0325
|
Retaining ring |
$3.65
|
2 |
|
ships same day |
9 |
278-0324
|
Wheel cap |
$32.85
|
2 |
|
ships same day |
10 |
278-0323
|
P clamp |
$3.65
|
5 |
|
ships same day |
11 |
999-9100
|
Washer M5 flat stainless steel |
$5.83
|
5 |
|
ships same day |
12 |
999-9109
|
Screw M5-.8 x 12mm pan head phillips stainless steel |
$0.99
|
5 |
|
ships same day |
13 |
278-0322
|
Stand bracket |
$13.16
|
2 |
|
usually ships 27-41 days |
15 |
999-0674
|
Washer M8 split lock plain finish |
$0.99
|
3 |
|
ships same day |
16 |
999-0501
|
Bolt M8-1.25 x 25mm hex head full thread stainless steel |
$2.64
|
3 |
|
ships same day |
17 |
999-0787
|
Bolt M8-1.25 x 40mm hex head full thread stainless steel |
$2.48
|
1 |
|
ships same day |
18 |
999-1424
|
Nut M8-1.25 hex stainless steel |
$1.65
|
1 |
|
ships same day |
19 |
999-0496
|
Nut M8-1.25 nylon insert lock stainless steel |
$1.98
|
1 |
|
ships same day |
20 |
278-1155
|
Proximity sensor bracket |
$19.01
|
1 |
|
usually ships 27-41 days |
21 |
278-0179
|
Proximity sensor kit |
$70.14
|
1 |
|
usually ships 27-41 days |
22 |
999-6714
|
Washer M6 x 12mm flat stainless steel |
$0.99
|
2 |
|
ships same day |
23 |
999-1117
|
Washer M6 split lock stainless steel |
$0.99
|
2 |
|
ships same day |
24 |
999-0507
|
Bolt M6-1 x 16mm hex head full thread plain finish |
$0.99
|
2 |
|
ships same day |
25 |
278-0178
|
Static strap |
$7.30
|
1 |
|
ships same day |
26 |
278-0561
|
Horn kit |
$14.63
|
1 |
|
ships same day |
27 |
999-1521
|
Washer M3 flat stainless steel |
$0.99
|
4 |
|
ships same day |
28 |
999-1180
|
Screw M3-.5 x 16mm pan head stainless steel |
$0.99
|
2 |
|
ships same day |