I20NB
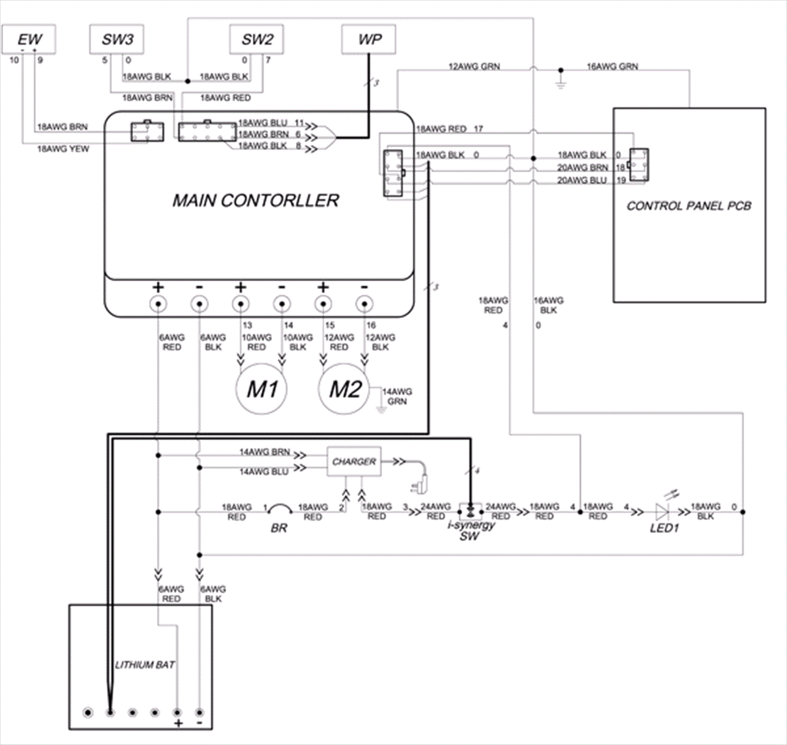
Wiring Diagram - Part 1
Click to enlarge
#
Part
Description
Price
Req
Notes
Availability
1
278-0522
Power cord
$417.49
1
usually ships 27-41 days