| # | Part | Description | Price | Req | Notes | Availability |
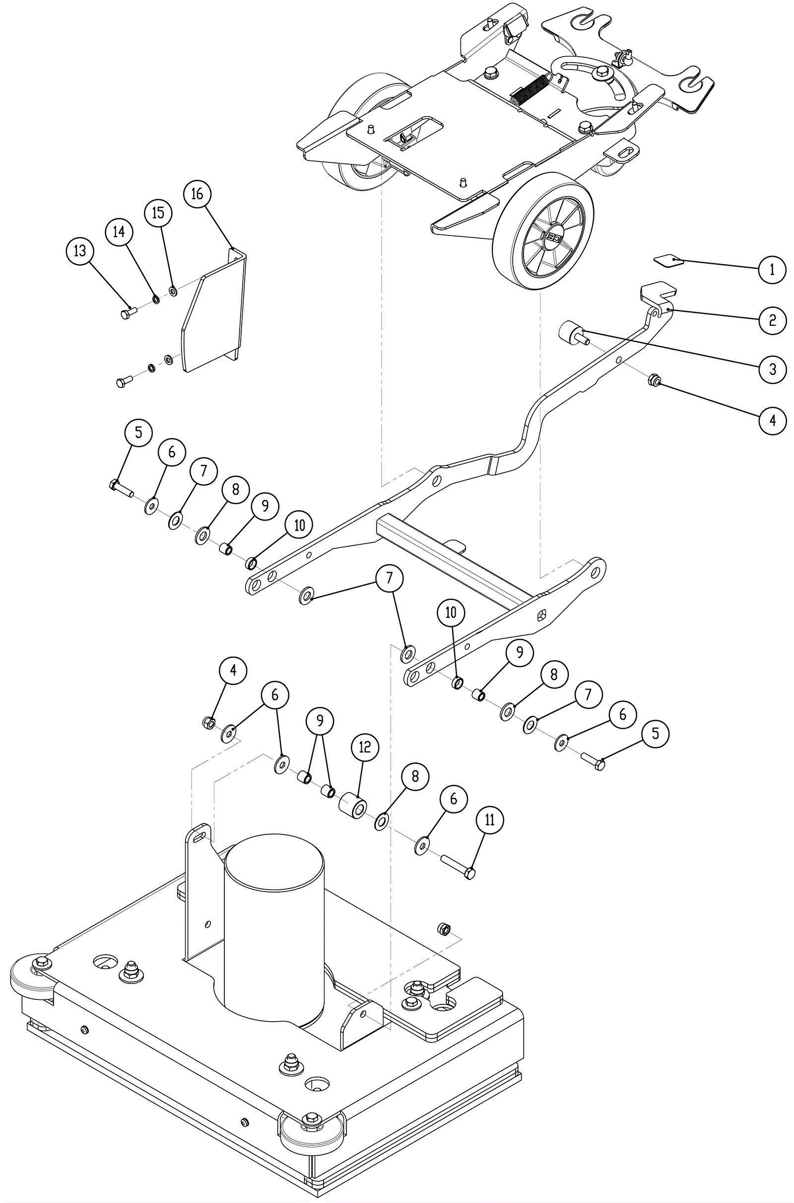
1 |
278-0273
|
Non-slip mat |
$3.65
|
1 |
|
usually ships 27-41 days |
2 |
278-0274
|
Scrub head lift bracket |
$189.95
|
1 |
|
usually ships 27-41 days |
3 |
278-0275
|
Bumper |
$7.30
|
1 |
|
usually ships 27-41 days |
4 |
999-0496
|
Nut M8-1.25 nylon insert lock stainless steel |
$1.98
|
5 |
|
ships same day |
5 |
999-0248
|
Bolt M8-1.25 x 30mm hex head full thread plain finish |
$0.99
|
2 |
|
ships same day |
7 |
278-0174
|
Nylon spacer |
$3.65
|
4 |
|
usually ships 27-41 days |
8 |
278-0221
|
Wave washer |
$3.65
|
10 |
|
usually ships 27-41 days |
9 |
278-0033
|
Spacer |
$8.91
|
4 |
|
usually ships 27-41 days |
10 |
278-0163
|
Sleeve |
$3.65
|
2 |
|
usually ships 27-41 days |
11 |
278-0219
|
Screw M8 |
$3.65
|
1 |
|
usually ships 27-41 days |
12 |
278-0280
|
Roller |
$7.30
|
1 |
|
usually ships 27-41 days |
13 |
999-0507
|
Bolt M6-1 x 16mm hex head full thread plain finish |
$0.99
|
2 |
|
ships same day |
14 |
999-1117
|
Washer M6 split lock stainless steel |
$0.99
|
2 |
|
ships same day |
15 |
999-6714
|
Washer M6 x 12mm flat stainless steel |
$0.99
|
2 |
|
ships same day |
16 |
278-0283
|
Bracket |
$27.61
|
1 |
|
usually ships 27-41 days |