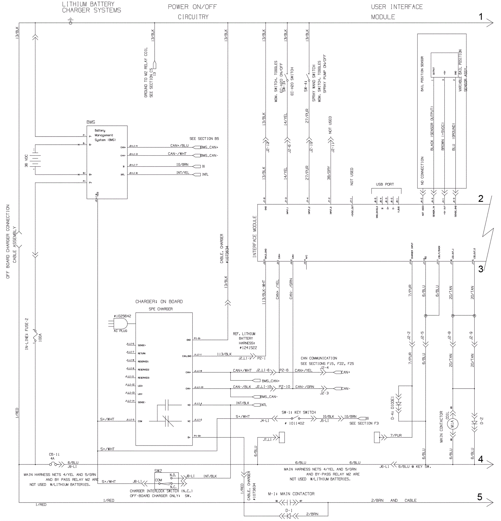
Electrical Diagram - Lithium Ion Battery 1
Click to enlarge