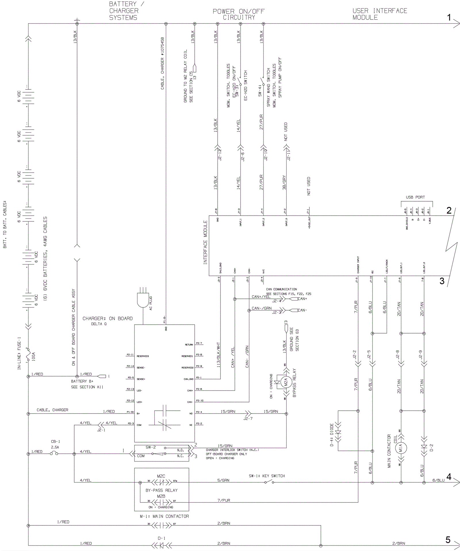
Electrical Diagram - Wet Lead Acid Battery 1
Click to enlarge