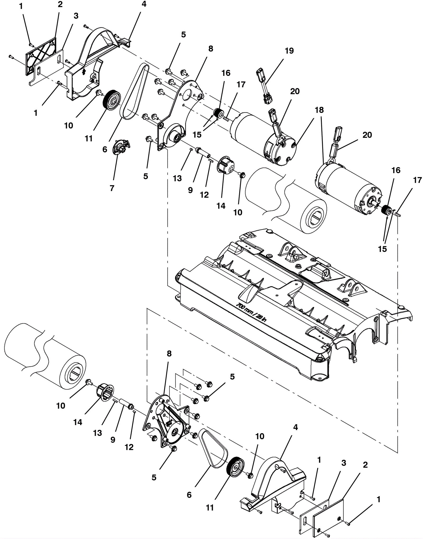
| # | Part | Description | Price | Req | Notes | Availability |
1 |
999-1403
|
Screw M8 x 16mm torx head |
$2.90
|
12 |
|
ships same day |
2 |
375-3150
|
Skirt cover |
$11.22
|
2 |
|
usually ships 10-13 days |
3 |
375-3158
|
Cylindrical side skirt |
$27.50
|
2 |
|
ships same day |
4 |
375-3194
|
Belt cover |
$54.67
|
2 |
|
usually ships 10-13 days |
5 |
275-4736
|
Screw M8-1.25 x 20mm hex washer head stainless steel SEMS |
$4.49
|
16 |
|
ships same day |
6a |
375-2494
|
Motor belt kit |
$143.22
|
1 |
(includes 6b-7) |
usually ships 10-13 days |
6b |
475-3387
|
BELT, 7 RIB, 19.5L |
$25.63
|
1 |
|
usually ships 10-13 days |
7 |
375-4515
|
Belt installation tool (Tennant Industrial) |
$141.70
|
1 |
|
usually ships 10-13 days |
8 |
375-4516
|
Motor assembly bracket |
$356.95
|
2 |
(includes 9-16, bearing and spacer) (bearing and spacer not sold separately) |
usually ships 10-13 days |
9 |
375-4517
|
Drive shaft |
$72.71
|
1 |
|
usually ships 10-13 days |
10 |
275-4736
|
Screw M8-1.25 x 20mm hex washer head stainless steel SEMS |
$4.49
|
2 |
|
ships same day |
11 |
375-4518
|
Sheave |
$33.11
|
1 |
|
usually ships 10-13 days |
12 |
375-4519
|
Square keyway |
$1.98
|
1 |
|
usually ships 10-13 days |
13 |
175-8818
|
Square keyway |
$4.49
|
1 |
|
usually ships 10-13 days |
14 |
175-8819
|
Drive plug |
$59.84
|
1 |
|
usually ships 10-13 days |
15 |
999-0431
|
Screw 8-32 x 1/4 set socket cup point alloy plain finish |
$0.99
|
2 |
|
ships same day |
16 |
375-4520
|
Sheave |
$45.32
|
1 |
|
usually ships 10-13 days |
17 |
275-1468
|
Square keyway |
$5.28
|
2 |
|
usually ships 10-13 days |
18a |
375-4521
|
36V 0.9HP brush motor |
$863.94
|
2 |
(includes 18b) (requires ferrites) |
usually ships 10-13 days |
18b |
275-1277
|
Brush motor kit |
$118.47
|
1 |
|
usually ships 10-13 days |
19 |
375-4522
|
Harness |
$98.01
|
1 |
|
usually ships 10-13 days |
20 |
375-4507
|
Split case inductor |
$6.71
|
4 |
|
ships same day |