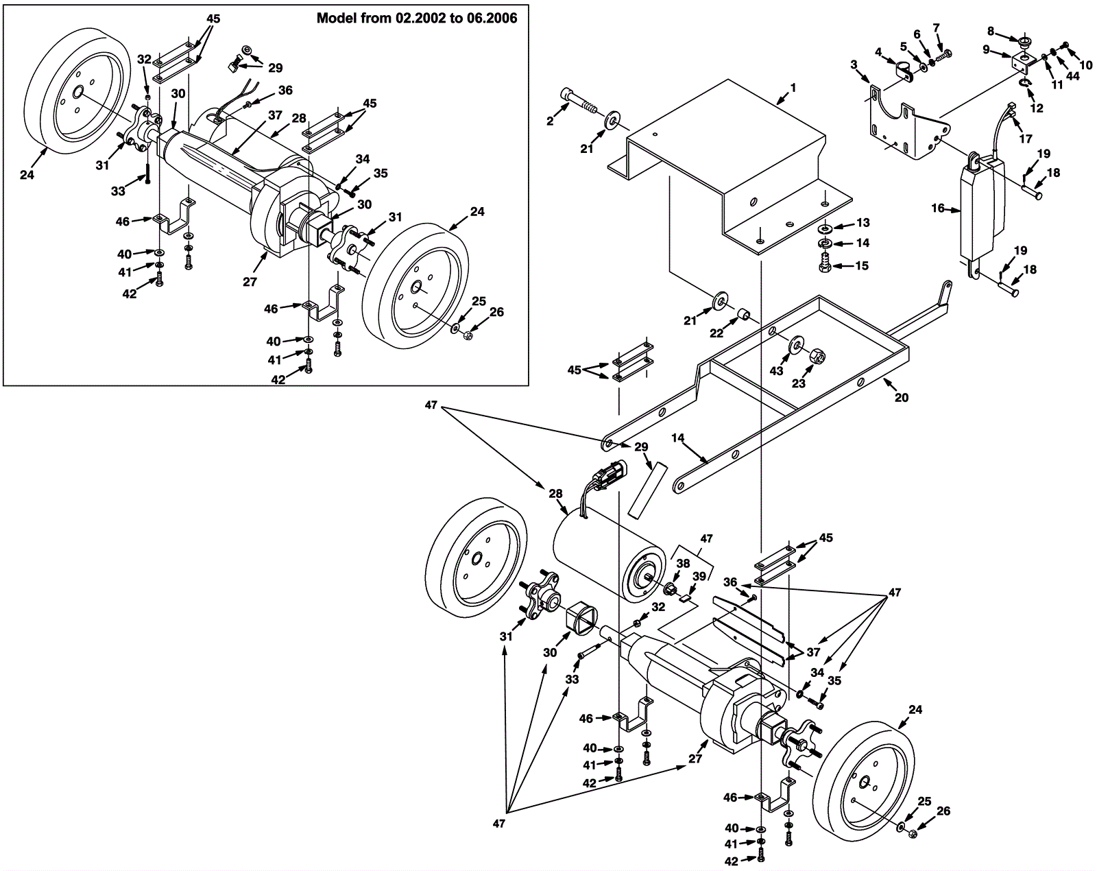
| # | Part | Description | Price | Req | Notes | Availability |
1 |
175-3002
|
Base transaxle plate |
$204.60
|
1 |
|
usually ships 1-5 days |
2 |
175-3648
|
Shoulder bolt (Tennant industrial) |
$15.67
|
2 |
|
usually ships 1-5 days |
3a |
275-4594
|
Actuator bracket |
$45.21
|
1 |
(after 02.2004) |
usually ships 1-5 days |
3b |
275-4594
|
Actuator bracket |
$45.21
|
1 |
(from 06.2004-06.2006) |
usually ships 1-5 days |
4 |
175-3005
|
P clamp |
$4.62
|
1 |
|
usually ships 10-13 days |
5 |
999-0024
|
Washer 5/16 flat stainless steel |
$1.34
|
4 |
|
ships same day |
6 |
999-0553
|
Washer 5/16 medium split lock stainless steel |
$0.99
|
4 |
|
ships same day |
7a |
999-0499
|
Bolt M8-1.25 x 20mm hex head full thread stainless steel |
$1.85
|
4 |
(after 02.2002) |
ships same day |
7b |
999-1133
|
Bolt M8-1.25 x 20mm hex head full thread plain |
$0.99
|
4 |
(before 02.2002) |
ships same day |
8a |
175-8735
|
Cable bushing |
$6.49
|
1 |
(from 02.2002 to 06.2006) |
ships same day |
8b |
175-8735
|
Cable bushing |
$6.49
|
1 |
(after 06.2006) |
ships same day |
9 |
175-3007
|
Cable guide bracket |
$4.36
|
1 |
|
usually ships 1-5 days |
10 |
999-0807
|
Screw M6-1 x 10mm flat head phillips |
$2.49
|
2 |
|
ships same day |
11 |
999-0016
|
Washer 1/4 flat plain finish |
$0.99
|
2 |
|
ships same day |
12 |
175-3008
|
Retaining ring |
$4.49
|
1 |
|
ships same day |
13 |
999-0617
|
Washer 3/8 x 1 flat stainless steel |
$1.82
|
2 |
|
ships same day |
14 |
999-1081
|
Washer M10 split lock stainless steel |
$1.09
|
2 |
|
ships same day |
15a |
999-1170
|
Bolt M10-1.5 x 20mm hex head stainless steel |
$3.06
|
2 |
(from 09.2004-06.2006) |
ships same day |
15b |
999-1170
|
Bolt M10-1.5 x 20mm hex head stainless steel |
$3.06
|
2 |
(before 06.2006) |
ships same day |
16 |
175-3010
|
Actuator |
$514.36
|
1 |
|
usually ships 10-13 days |
17 |
175-3011
|
Female terminal |
$3.17
|
2 |
|
usually ships 10-13 days |
18 |
175-3012
|
Clevis pin |
$8.25
|
2 |
|
usually ships 10-13 days |
19 |
175-5080
|
Cotter pin |
$4.49
|
2 |
|
ships same day |
20 |
175-3650
|
Lift scrub head bracket |
$221.43
|
1 |
|
usually ships 1-5 days |
21 |
999-0559
|
Washer 1/2 x 1/4 flat stainless steel |
$0.99
|
4 |
|
ships same day |
22 |
175-3023
|
Bushing |
$3.96
|
2 |
|
usually ships 1-5 days |
23 |
999-0513
|
Nut 3/8-16 nylon insert lock type NE stainless steel |
$3.96
|
2 |
|
ships same day |
24a |
175-3017
|
Neoprene solid wheel |
$282.81
|
2 |
|
usually ships 10-13 days |
24b |
675-9896
|
Air filled (pneumatic) tire |
$53.68
|
2 |
|
ships same day |
24c |
175-3652
|
Foam filled wheel |
$206.47
|
2 |
|
usually ships 10-13 days |
24d |
175-3146
|
Air filled (pneumatic) tire kit (pkg of 2) (OBSOLETE) |
$116.16
|
1 |
|
usually ships 10-13 days |
24e |
175-3147
|
Foam filled tire kit (pkg of 2) (OBSOLETE) |
$226.05
|
1 |
|
usually ships 10-13 days |
25 |
999-0016
|
Washer 1/4 flat plain finish |
$0.99
|
8 |
|
ships same day |
26 |
999-0152
|
Nut 1/4-20 nylon insert lock zinc plated |
$0.99
|
8 |
|
ships same day |
27 |
175-3654
|
Transaxle body |
$2,285.47
|
1 |
|
usually ships 10-13 days |
28 |
175-3657
|
24V transaxle motor |
$712.80
|
1 |
|
usually ships 10-13 days |
29a |
175-7898
|
Carbon brush (pkg of 4) |
$71.50
|
1 |
(after SN 10169615 for motor 614165) |
ships same day |
29b |
175-4345
|
Carbon brush (pkg of 2) |
$84.04
|
1 |
(before SN 10169615 for motor 612877) |
usually ships 10-13 days |
29c |
175-3658
|
Carbon kit brushes w/ caps (2/pk) (OBSOLETE) |
Call for price
|
1 |
(from 02.2002 to 06.2006) |
usually ships 1-5 days |
30 |
175-3660
|
Transaxle sleeve |
$11.11
|
2 |
|
usually ships 10-13 days |
31 |
275-5229
|
Transaxle wheel hub with retainer |
$147.29
|
2 |
|
usually ships 10-13 days |
32 |
999-0442
|
Nut 10-24 nylon insert lock stainless steel |
$1.76
|
2 |
|
ships same day |
33 |
999-0745
|
Screw 10-24 x 1 1/4 socket head shoulder |
$2.67
|
2 |
|
ships same day |
34 |
999-0238
|
Washer 1/4 internal star lock zinc plated |
$0.99
|
2 |
|
ships same day |
35a |
175-3663
|
Screw 1/4-20 x 5/8 socket |
$3.30
|
2 |
(from 02.2002 to 06.2006) |
usually ships 1-5 days |
35b |
999-1320
|
Screw M6-1 x 20mm socket head stainless steel |
$0.99
|
2 |
(after 06.2006) |
ships same day |
36 |
999-0458
|
Screw 8 x 1/2 pan head phillips T-A sheet metal zinc |
$0.99
|
2 |
|
ships same day |
37a |
175-3665
|
Transaxle cover (OBSOLETE) |
$27.39
|
1 |
(from 02.2002 to 06.2006) |
usually ships 1-5 days |
37b |
N/A
|
Not available |
Call for price
|
2 |
(shaft cover) (after 06.2006) |
usually ships 3-26 days |
38 |
175-3655
|
Transaxle coupling |
$10.78
|
1 |
|
usually ships 10-13 days |
39 |
175-3656
|
Transaxle key |
$11.00
|
1 |
|
usually ships 10-13 days |
40 |
999-0617
|
Washer 3/8 x 1 flat stainless steel |
$1.82
|
4 |
|
ships same day |
41 |
999-1081
|
Washer M10 split lock stainless steel |
$1.09
|
4 |
|
ships same day |
42 |
175-3019
|
Screw M10 x 35mm |
$5.28
|
4 |
|
usually ships 10-13 days |
43 |
999-0032
|
Washer 3/8 USS flat plain finish |
$2.42
|
2 |
|
ships same day |
44a |
999-1024
|
Washer 1/4 external tooth lock stainless steel |
$1.32
|
2 |
(after 09.2004) |
ships same day |
44b |
999-0016
|
Washer 1/4 flat plain finish |
$0.99
|
2 |
(before 09.2004) |
ships same day |
45 |
175-3666
|
Axle spacer |
$13.86
|
4 |
|
usually ships 1-5 days |
46 |
175-3667
|
Transaxle MTG bracket |
$31.68
|
2 |
|
usually ships 10-13 days |
47 |
175-3622
|
24V transaxle motor assembly |
$2,422.75
|
1 |
(includes 27-28, 29c-35a, 36-37a, 38-39 for models from 02.2002 to 06.2006) (includes 27-29b, 30-34, 35b, 36, 37b-39 for models after 06.2006) |
usually ships 10-13 days |