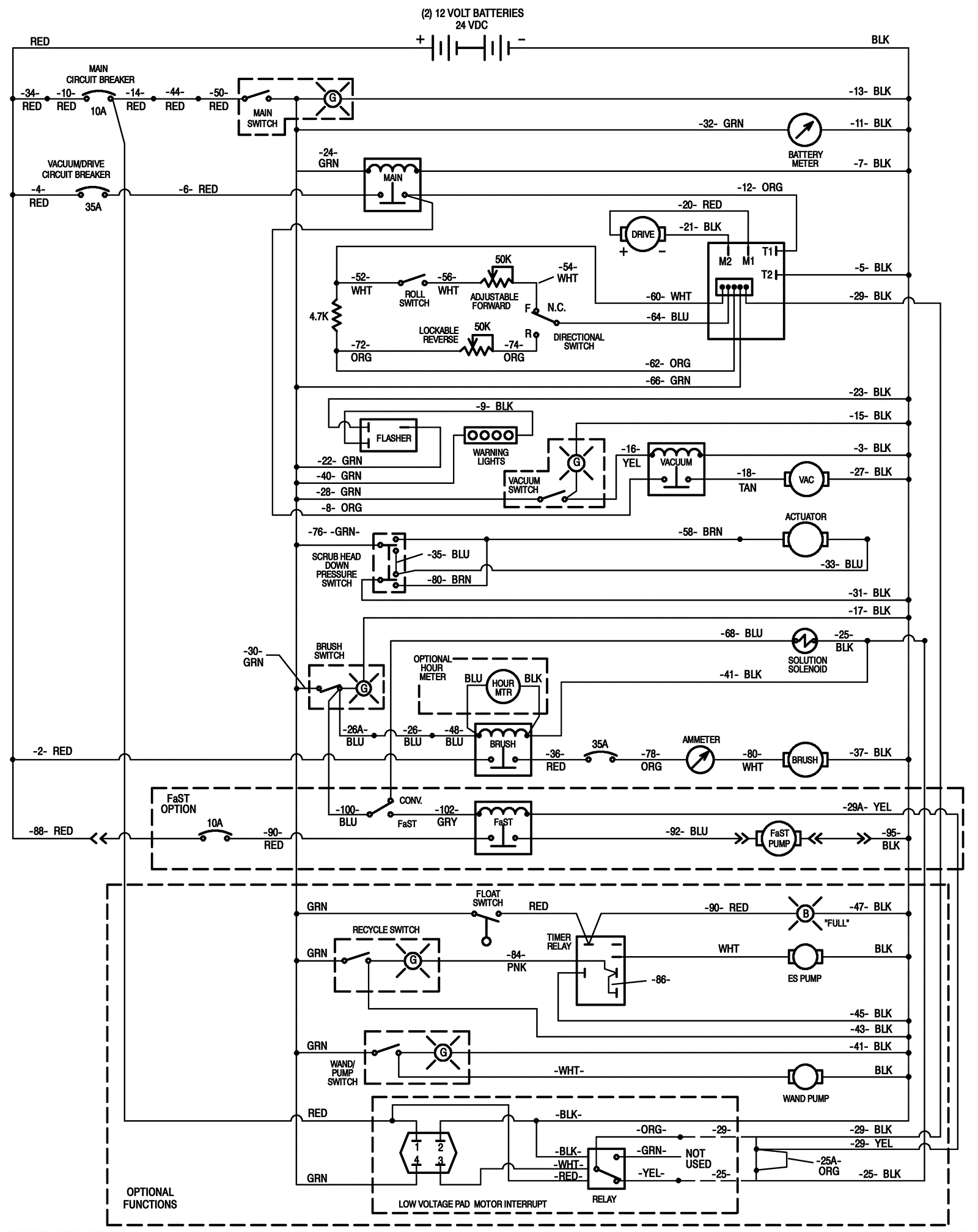
Wiring Diagram - 2 - FaST Model
Click to enlarge