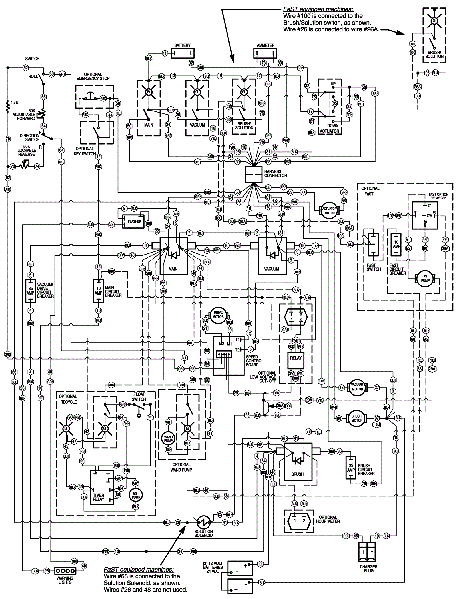
Wiring Diagram - 1 - FaST Model
Click to enlarge