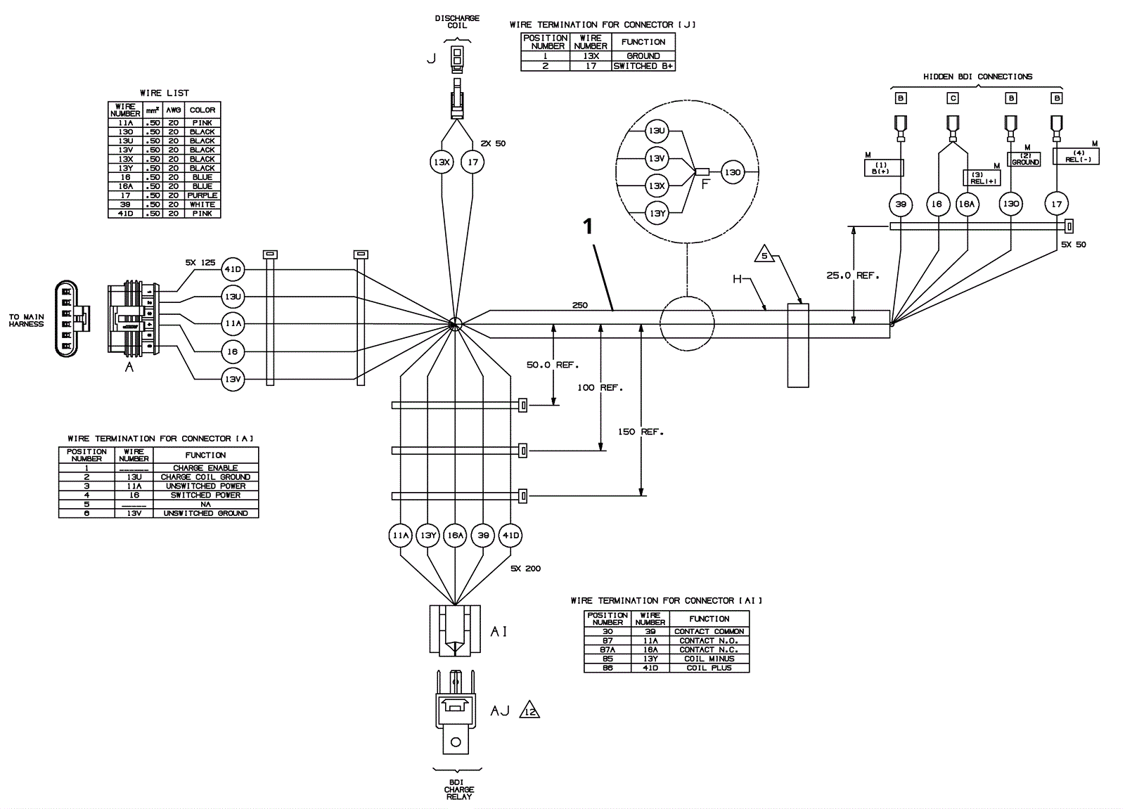
Jumper Wiring Harness Assembly - AGM - Between SN 10552859 and SN 11067407
Click to enlarge
#
Part
Description
Price
Req
Notes
Availability
1
275-6791
Jumper harness
$104.61
1
usually ships 1-5 days