SPEED SCRUB 15
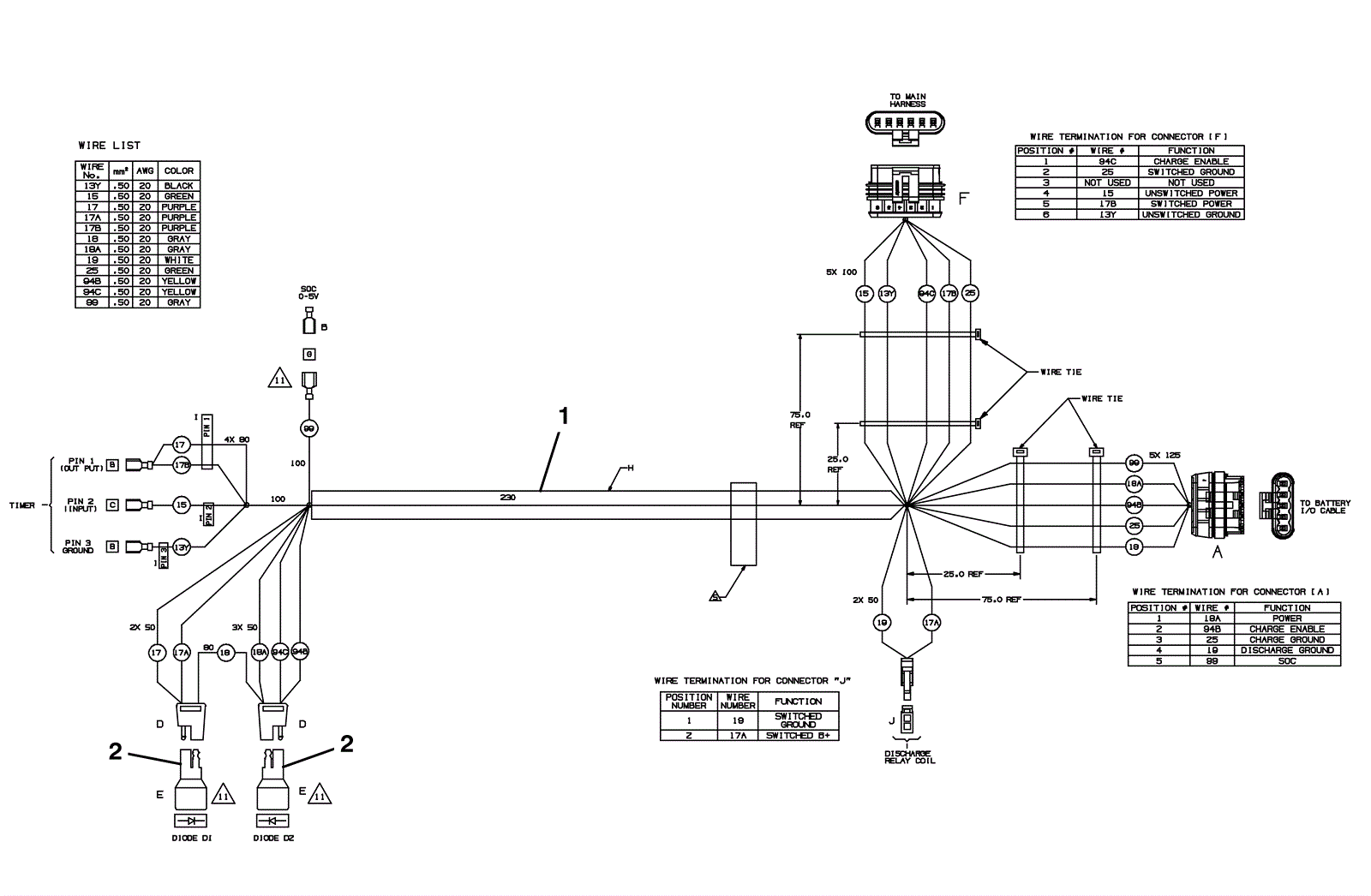
Jumper Wiring Harness Assembly - Lithium
Click to enlarge
#
Part
Description
Price
Req
Notes
Availability
1
275-6838
Jumper harness
$123.31
1
(includes 2)
usually ships 10-13 days
2
175-2216
Diode plug
$14.19
2
usually ships 10-13 days