| # | Part | Description | Price | Req | Notes | Availability |
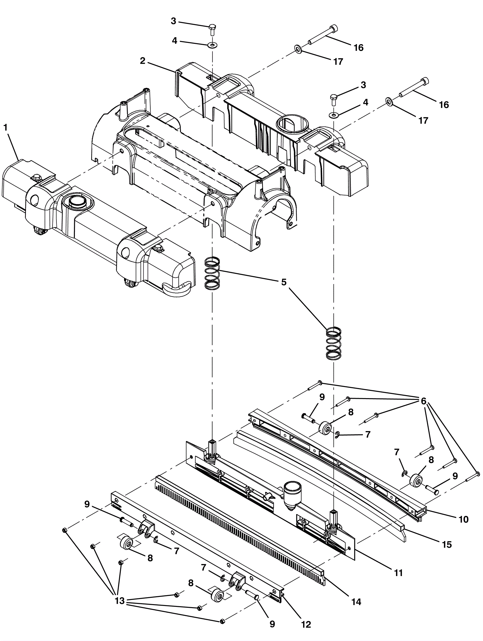
1 |
275-6832
|
Squeegee assembly |
$227.70
|
2 |
(includes 2-13) |
usually ships 10-13 days |
2 |
275-5284
|
Squeegee housing |
$19.47
|
2 |
|
usually ships 10-13 days |
3 |
999-0633
|
Bolt 1/4-20 x 5/8 hex head stainless steel |
$0.99
|
4 |
|
ships same day |
4 |
999-0335
|
Washer 1/4 x 5/8 SAE flat stainless steel |
$0.99
|
4 |
|
ships same day |
5 |
275-5289
|
Compression spring |
$4.49
|
4 |
|
usually ships 10-13 days |
6 |
999-1672
|
Screw M4-.7 x 30mm pan head phillips stainless steel |
$0.99
|
12 |
|
ships same day |
7a |
275-6717
|
Squeegee wheel kit |
$65.23
|
1 |
(includes 7b-9) |
ships same day |
7b |
275-5287
|
Retaining ring |
$3.30
|
8 |
|
ships same day |
8 |
275-5286
|
Squeegee drag wheel |
$5.50
|
8 |
|
ships same day |
9 |
275-5285
|
Pin |
$8.03
|
8 |
|
usually ships 10-13 days |
10 |
675-9921
|
Outer squeegee retainer |
$13.20
|
2 |
|
usually ships 10-13 days |
11 |
275-6834
|
Squeegee frame |
$14.19
|
2 |
|
usually ships 10-13 days |
12 |
275-5288
|
Rear squeegee retainer |
$11.11
|
2 |
|
usually ships 10-13 days |
13 |
999-0954
|
Nut M4-.7 nylon insert lock stainless steel |
$0.99
|
12 |
|
ships same day |
14a |
275-7365
|
Squeegee blade assembly urethane |
$80.41
|
2 |
(OEM) |
ships same day |
14b |
994-0121
|
Squeegee blade assembly urethane |
$60.14
|
2 |
(NON-OEM) |
ships same day |
15a |
275-7371
|
Squeegee blade assembly urethane |
$88.33
|
2 |
(OEM) |
usually ships 10-13 days |
15b |
994-0120
|
Squeegee blade assembly urethane |
$61.29
|
2 |
(NON-OEM) |
ships same day |
16 |
175-0614
|
Screw M8-1.25 x 60mm socket head (Tennant Industrial) |
$9.50
|
4 |
|
usually ships 10-13 days |
17 |
999-0549
|
Washer 5/16 x 3/4 SAE flat stainless steel |
$0.99
|
4 |
|
ships same day |