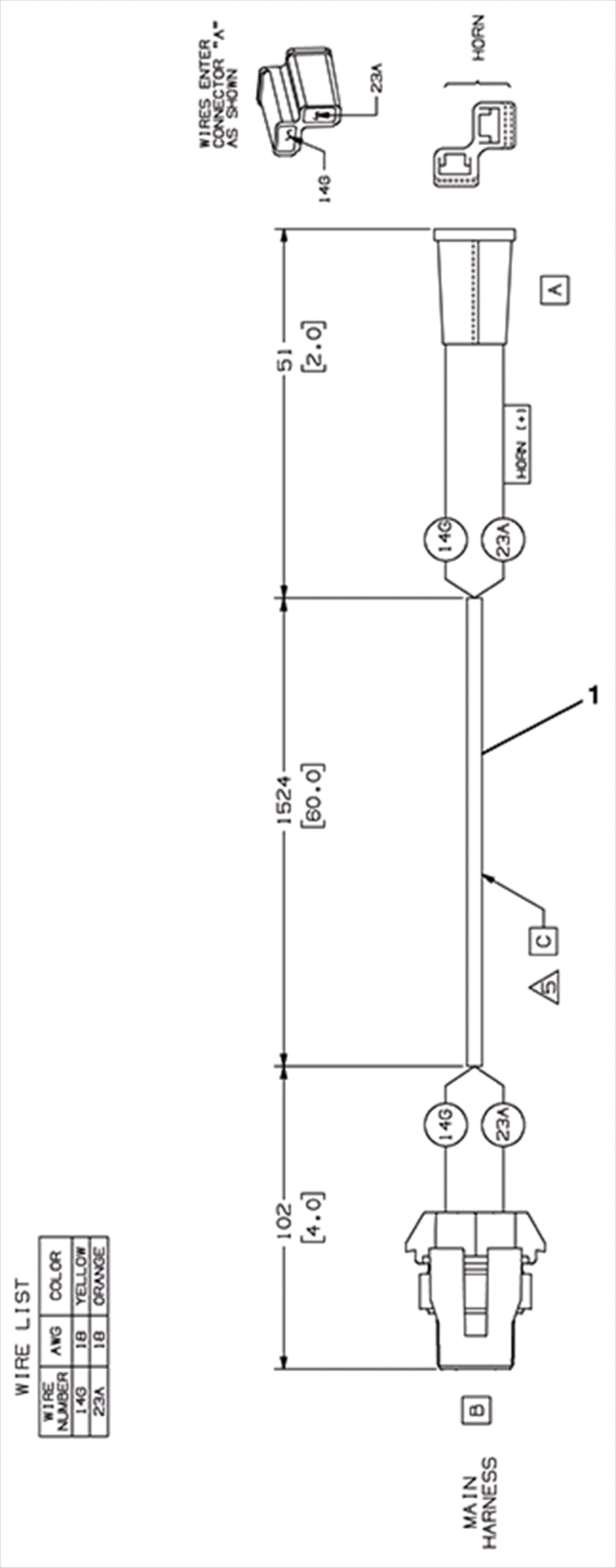
Alarm Harness Diagram
Click to enlarge
#
Part
Description
Price
Req
Notes
Availability
1
275-7109
Alarm harness
$23.43
1
usually ships 1-5 days